电脑桌面
添加小米粒文库到电脑桌面
安装后可以在桌面快捷访问

施耐德PLC检修规程样本

施耐德PLC检修规程样本_第1页
1/13
施耐德PLC检修规程样本_第2页
2/13
施耐德PLC检修规程样本_第3页
3/13
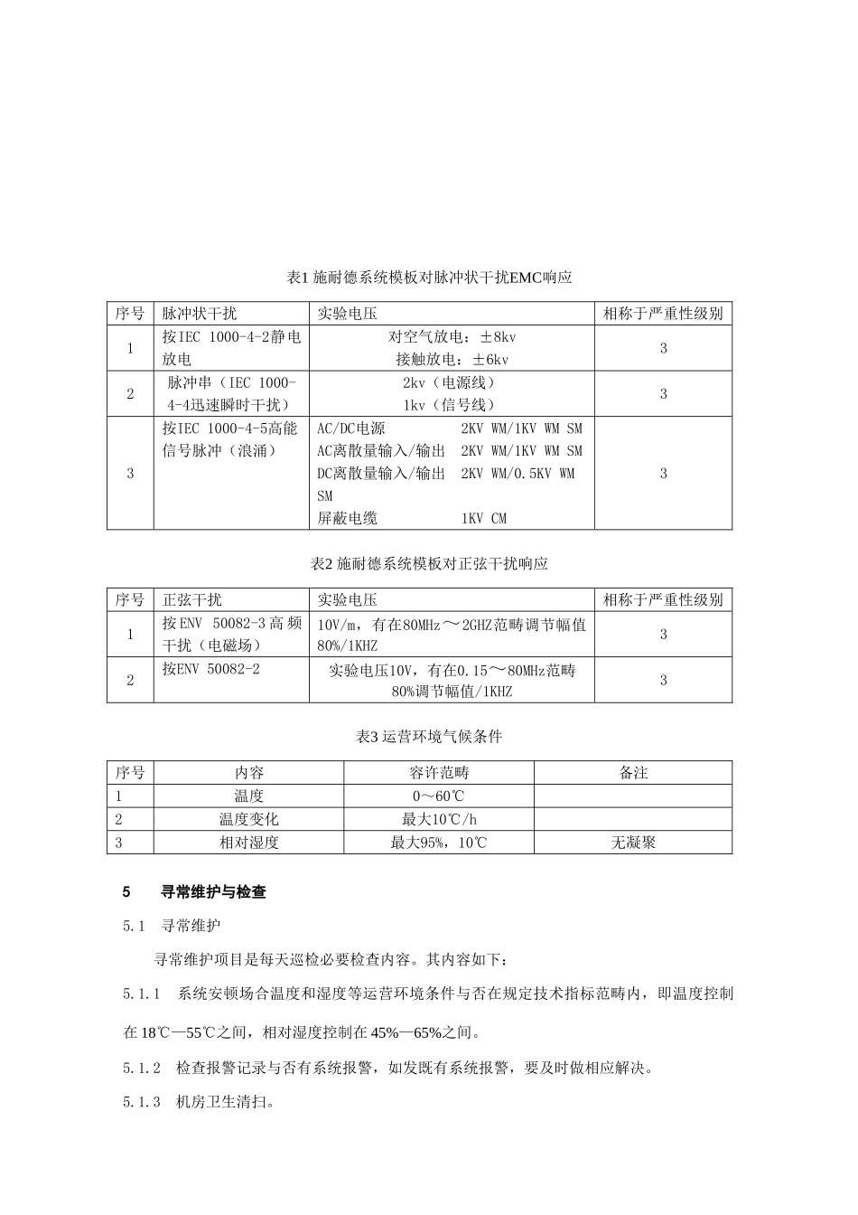
施耐德可编程控制器检修规程 1 主题内容及合用范畴本规程规定了施耐德公司可编程序控制器运营状态维护检修详细规定。2 引用原则施耐德公司可编程序控制器有关技术资料3 编制本规程目为了加强可编程序控制器巡检、运营、维护、检修管理,为专业人员提供工作指南,增强工作可靠性、针对性,特制定本规程。4 概述4.1 系统概述可编程控制器采纳模块化设计,不同模块可灵活组合。一种系统可涉及:·电源模件(PS):连接到 120/230V AC 或 24VDC 电源上。·中央解决单元(CPU):有各种 CPU 可供顾客选取。·数字量输入和输出(DI/DO)和模仿量输入和输出(AI/AO)信号模件(SM)。·通讯解决器(CP):实现总线连接和点到点连接。·功能模件(FM):专门用于计数、定位、凸轮等控制任务。4.2 环境技术原则4.2.1 对系统供电规定·标称电压:120/240V AC;容许范畴:90~140V AC/190~264V AC。·标称频率:50/60Hz;容许范畴:47~63Hz。4.2.2 对接地规定·主参照地接地电阻:<0.1Ω/30A/2min。·主参照接地规定单点接地:各个接地棒之间距离规定不不大于3m;接地线径规定不不大于5.2mm。4.2.3 环境条件4.2.3.1 施耐德系统模板对脉冲状干扰 EMC 响应见表 1。4.2.3.2 施耐德系统模板对正弦干扰响应见表 2。4.2.3.3 运营环境气候条件见表 3。表1 施耐德系统模板对脉冲状干扰EMC响应序号脉冲状干扰实验电压相称于严重性级别1按IEC 1000-4-2静电放电对空气放电:±8kv接触放电:±6kv32脉冲串(IEC 1000-4-4迅速瞬时干扰)2kv(电源线)1kv(信号线)33按IEC 1000-4-5高能信号脉冲(浪涌)AC/DC电源 2KV WM/1KV WM SMAC离散量输入/输出 2KV WM/1KV WM SMDC离散量输入/输出 2KV WM/0.5KV WM SM屏蔽电缆 1KV CM3表2 施耐德系统模板对正弦干扰响应序号正弦干扰实验电压相称于严重性级别1按 ENV 50082-3 高 频干扰(电磁场)10V/m,有在80MHz~2GHZ范畴调节幅值80%/1KHZ 32按ENV 50082-2实验电压10V,有在0.15~80MHz范畴80%调节幅值/1KHZ3表3 运营环境气候条件序号内容容许范畴备注1温度0~60℃2温度变化最大10℃/h3相对湿度最大95%,10℃无凝聚5 寻常维护与检查5.1 寻常维护寻常维护项目是每天巡检必要检查内容。其内容如下:5.1.1 系统安顿场合温度和湿度等运营环境条件与否在规定技术指标范畴内,即温度控制在 18℃—55℃之间,相对湿度控制在 45%—65%之间。5.1.2 检查报警记录与否有系统报...

1、当您付费下载文档后,您只拥有了使用权限,并不意味着购买了版权,文档只能用于自身使用,不得用于其他商业用途(如 [转卖]进行直接盈利或[编辑后售卖]进行间接盈利)。
2、本站所有内容均由合作方或网友上传,本站不对文档的完整性、权威性及其观点立场正确性做任何保证或承诺!文档内容仅供研究参考,付费前请自行鉴别。
3、如文档内容存在违规,或者侵犯商业秘密、侵犯著作权等,请点击“违规举报”。

碎片内容

施耐德PLC检修规程样本

一帆文传+ 关注
实名认证
内容提供者

欢迎光临店铺,各类公文供您挑选。

确认删除?
VIP
微信客服
  • 扫码咨询
会员Q群
  • 会员专属群点击这里加入QQ群
客服邮箱
回到顶部