电脑桌面
添加小米粒文库到电脑桌面
安装后可以在桌面快捷访问

最新水利水电工-程监理平行检测表土方

最新水利水电工-程监理平行检测表土方_第1页
1/33
最新水利水电工-程监理平行检测表土方_第2页
2/33
最新水利水电工-程监理平行检测表土方_第3页
3/33
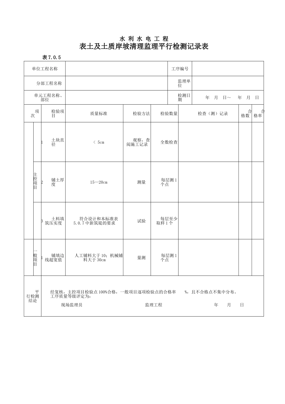
水 利 水 电 工 程表土及土质岸坡清理监理平行检测记录表表 7.0.5单位工程名称工序编号分部工程名称监理单位单元工程名称、部位检测日期年 月 日~ 年 月 日项次检验项目质量标准检验方法检验数量检查(测)记录合格数合格率主控项目1土块直径< 5cm观察,查阅施工记录全数检查2铺土厚度15—20cm 测量每层测 1个点3土料填筑压实度符合设计和本标准表5.0.7 中新筑堤的要求试验每层至少取样 1 个一般项目1铺填边线超宽值人工铺料大于 10;机械铺料大于 30cm量测每层测 1个点平行检测结论经复核,主控项目检验点 100%合格,一般项目逐项检验点的合格率 %,且不合格点不集中分布。工序质量等级评定为:现场监理员 监理工程 年 月 日水 利 水 电 工 程软基或土质岸坡开挖监理平行检测记录表表 4.2.4单位工程名称工序编号分部工程名称监理单位单元工程名称、部位检测日期年 月 日~ 年 月 日项次检验项目质量标准检验方法检验数量检查(测)记录合格数合格率主控项目1保护层开挖保护层开挖方式应符合设计要求,在接近建基面时,宜使用小型机具或人工挖除,不应扰动建基面以下的原地基观察、测量、查阅施工记录全数检查2建基面处理构筑物软基和土质岸坡开挖面平顺。软基和土质岸坡与土质构筑物接触时,采纳斜面连接,无台阶、急剧变坡及反坡3渗水处理构筑物基础区及土质岸坡渗水(含泉眼)妥善引排或封堵,建基面清洁无积水一般项目1基坑断面尺寸及开挖面平整度无结构要求或无配筋长或宽不大于10m符合设计要求,允许偏差为-10~20cm观察、测量、查阅施工记录检测点采纳横断面控制,断面间距不大于 20m,各横断面点数间距不大于 2m,局部突出或凹陷部位(面积在 0.5㎡以上者)应增设检测点长或宽大于10m符合设计要求,允许偏差为-20~30cm坑(槽)底部标高符合设计要求,允许偏差为-10~20cm垂直或斜面平整度符合设计要求,允许偏差为20cm有结构要求有配筋预埋件长或宽不大于10m符合设计要求,允许偏差为 0~20cm长或宽大于10m符合设计要求,允许偏差为 0~30cm坑(槽)底部标高符合设计要求,允许偏差为 0~20cm斜面平整度符合设计要求,允许偏差为15cm平行检测结论经复核,主控项目检验点 100%合格,一般项目逐项检验点的合格率 %,且不合格点不集中分布。工序质量等级评定为:现场监理员 监理工程 年 月 日注:“-”表示欠挖。水 利 水 电 工 程土方(结合部)填筑监理平行检测记录表表 7.0.5单...

1、当您付费下载文档后,您只拥有了使用权限,并不意味着购买了版权,文档只能用于自身使用,不得用于其他商业用途(如 [转卖]进行直接盈利或[编辑后售卖]进行间接盈利)。
2、本站所有内容均由合作方或网友上传,本站不对文档的完整性、权威性及其观点立场正确性做任何保证或承诺!文档内容仅供研究参考,付费前请自行鉴别。
3、如文档内容存在违规,或者侵犯商业秘密、侵犯著作权等,请点击“违规举报”。

碎片内容

最新水利水电工-程监理平行检测表土方

阳光书坊+ 关注
实名认证
内容提供者

阳光书坊,传播未来

相关文档

确认删除?
VIP
微信客服
  • 扫码咨询
会员Q群
  • 会员专属群点击这里加入QQ群
客服邮箱
回到顶部