电脑桌面
添加小米粒文库到电脑桌面
安装后可以在桌面快捷访问

某走廊一期工程砼监理实施细则

某走廊一期工程砼监理实施细则_第1页
1/10
某走廊一期工程砼监理实施细则_第2页
2/10
某走廊一期工程砼监理实施细则_第3页
3/10
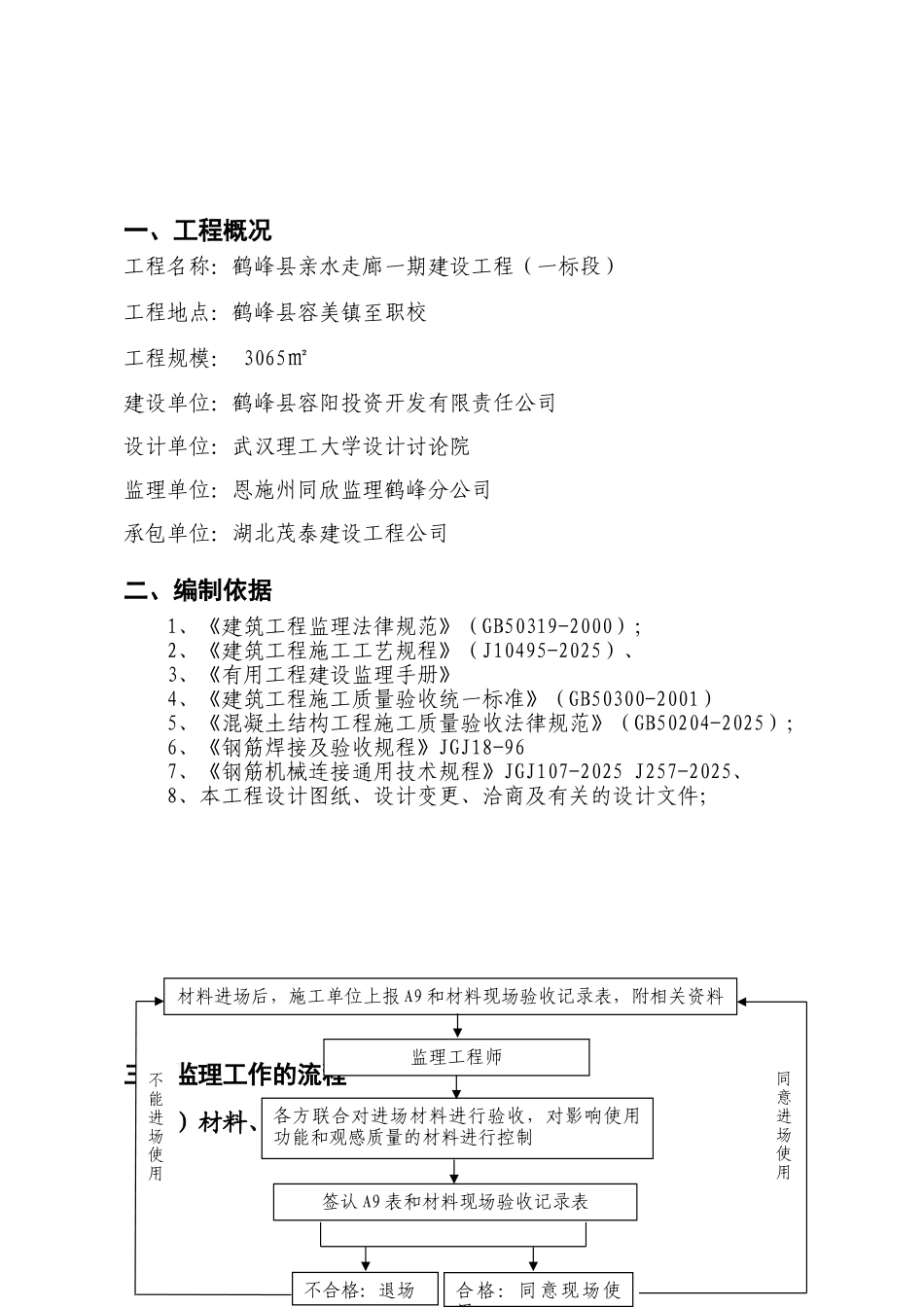
目 录一、工程概况……………………………………………………2二、编制依据……………………………………………………3三、监理工作流程………………………………………………4四、监理工作的控制要点………………………………………6五、监理工作的方法及措施……………………………………13一、工程概况工程名称:鹤峰县亲水走廊一期建设工程(一标段)工程地点:鹤峰县容美镇至职校工程规模: 3065㎡建设单位:鹤峰县容阳投资开发有限责任公司设计单位:武汉理工大学设计讨论院监理单位:恩施州同欣监理鹤峰分公司承包单位:湖北茂泰建设工程公司二、编制依据1、《建筑工程监理法律规范》(GB50319-2000);2、《建筑工程施工工艺规程》(J10495-2025)、3、《有用工程建设监理手册》4、《建筑工程施工质量验收统一标准》(GB50300-2001)5、《混凝土结构工程施工质量验收法律规范》(GB50204-2025);6、《钢筋焊接及验收规程》JGJ18-967、《钢筋机械连接通用技术规程》JGJ107-2025 J257-2025、8、本工程设计图纸、设计变更、洽商及有关的设计文件;三、监理工作的流程(一)材料、设备进场质量控制流程同意进场使用不能进场使用材料进场后,施工单位上报 A9 和材料现场验收记录表,附相关资料监理工程师各方联合对进场材料进行验收,对影响使用功能和观感质量的材料进行控制签认 A9 表和材料现场验收记录表不合格:退场合格:同意现场使用(二)隐蔽工程质量控制流程(三)检验批质量控制流程不合格承包单位自检合格填写隐蔽工程验收记录及相关报验资料项目经理部有关人员1. 检查资料内容2. 现场检查、验收专业监理工程师在隐蔽工程验收记录及相关报验资料上签字专业监理工程师进行下道工序项目经理部签发《监理工程师通知单》要求承包单位整改专业监理工程师签写《工程隐蔽会签单》项目经理部和项目监理部承包单位自检合格,填写《检验批质量验收记录表》及相关报验资料并附相应复试报告、试验报告报项目监理部施工单位对报验的资料进行审查,对检验批实体进行现场抽检、检查专业监理工程师在《检验批质量验收记录表》及相关报验资料上填写验收记录及验收结论并签字专业监理工程师填写《监理工程师通知单》要求承包单位整改专业监理工程师不合格(四)分项工程质量控制流程四、监理工作的控制要点(一)模板工程的控制要点1、模板及其支架应根据工程结构形式、荷载大小、地基类别、施工设备和材料供应等条件进行设计,模板及其支架...

1、当您付费下载文档后,您只拥有了使用权限,并不意味着购买了版权,文档只能用于自身使用,不得用于其他商业用途(如 [转卖]进行直接盈利或[编辑后售卖]进行间接盈利)。
2、本站所有内容均由合作方或网友上传,本站不对文档的完整性、权威性及其观点立场正确性做任何保证或承诺!文档内容仅供研究参考,付费前请自行鉴别。
3、如文档内容存在违规,或者侵犯商业秘密、侵犯著作权等,请点击“违规举报”。

碎片内容

某走廊一期工程砼监理实施细则

确认删除?
VIP
微信客服
  • 扫码咨询
会员Q群
  • 会员专属群点击这里加入QQ群
客服邮箱
回到顶部