电脑桌面
添加小米粒文库到电脑桌面
安装后可以在桌面快捷访问

检验检测机构内审检查表CMA正式版详解

检验检测机构内审检查表CMA正式版详解_第1页
1/13
检验检测机构内审检查表CMA正式版详解_第2页
2/13
检验检测机构内审检查表CMA正式版详解_第3页
3/13
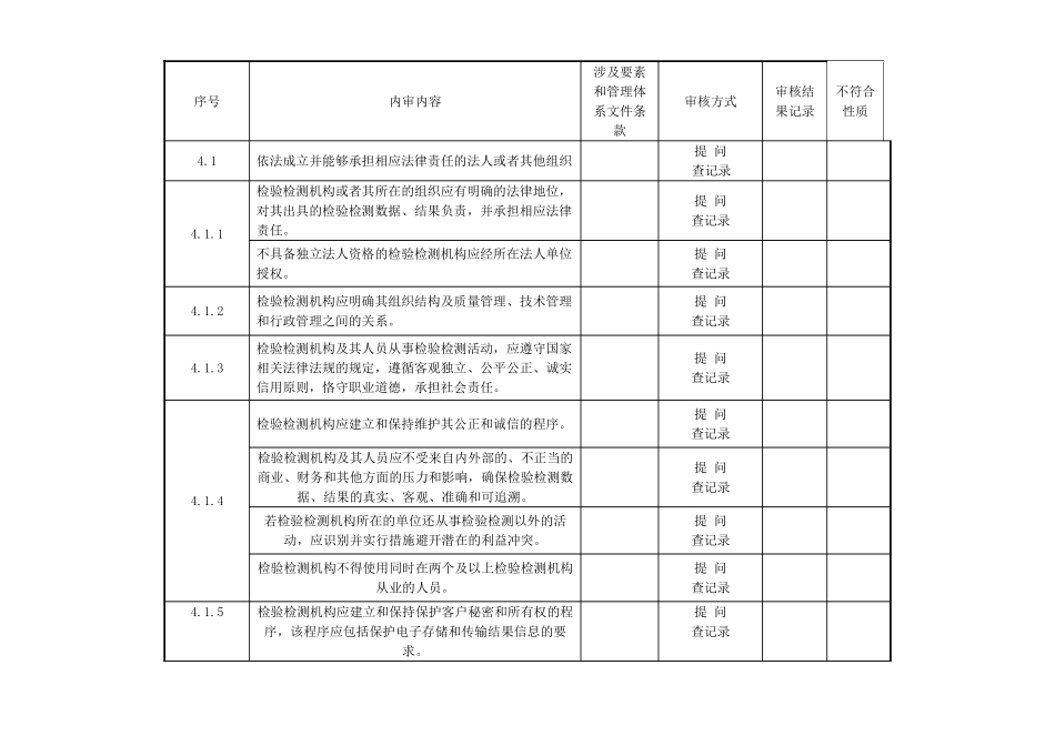
序号内审内容涉及要素和管理体系文件条款审核方式审核结果记录不符合性质4.1依法成立并能够承担相应法律责任的法人或者其他组织 提 问查记录4.1.1检验检测机构或者其所在的组织应有明确的法律地位,对其出具的检验检测数据、结果负责,并承担相应法律责任。提 问查记录不具备独立法人资格的检验检测机构应经所在法人单位授权。提 问查记录4.1.2检验检测机构应明确其组织结构及质量管理、技术管理和行政管理之间的关系。提 问查记录4.1.3检验检测机构及其人员从事检验检测活动,应遵守国家相关法律法规的规定,遵循客观独立、公平公正、诚实信用原则,恪守职业道德,承担社会责任。提 问查记录4.1.4检验检测机构应建立和保持维护其公正和诚信的程序。提 问查记录检验检测机构及其人员应不受来自内外部的、不正当的商业、财务和其他方面的压力和影响,确保检验检测数据、结果的真实、客观、准确和可追溯。提 问查记录若检验检测机构所在的单位还从事检验检测以外的活动,应识别并实行措施避开潜在的利益冲突。提 问查记录检验检测机构不得使用同时在两个及以上检验检测机构从业的人员。提 问查记录4.1.5检验检测机构应建立和保持保护客户秘密和所有权的程序,该程序应包括保护电子存储和传输结果信息的要求。提 问查记录序号内审内容涉及要素和管理体系文件条款审核方式审核结果记录不符合性质检验检测机构及其人员应对其在检验检测活动中所知悉的国家秘密、商业秘密和技术秘密负有保密义务,并制定和实施相应的保密措施。提 问查记录4.2具有与其从事检验检测活动相适应的检验检测技术人员和管理人员提 问查记录4.2.1检验检测机构应建立和保持人员管理程序,对人员资格确认、任用、授权和能力保持等进行法律规范管理。检验检测机构应与其人员建立劳动或录用关系,明确技术人员和管理人员的岗位职责、任职要求和工作关系,使其满足岗位要求并具有所需的权力和资源,履行建立、实施、保持和持续改进管理体系的职责。提 问查记录4.2.2检验检测机构的最高管理者应履行其对管理体系中的领导作用和承诺:负责管理体系的建立和有效运行;确保制定质量方针和质量目标;确保管理体系要求融入检验检测的全过程;确保管理体系所需的资源;确保管理体系实现其预期结果;满足相关法律法规要求和客户要求;提升客户满意度;运用过程方法建立管理体系和分析风险、机遇;组织质量管理体系的管理评审。提 问查记录4.2.3检验检测机构的技术负责人应具有...

1、当您付费下载文档后,您只拥有了使用权限,并不意味着购买了版权,文档只能用于自身使用,不得用于其他商业用途(如 [转卖]进行直接盈利或[编辑后售卖]进行间接盈利)。
2、本站所有内容均由合作方或网友上传,本站不对文档的完整性、权威性及其观点立场正确性做任何保证或承诺!文档内容仅供研究参考,付费前请自行鉴别。
3、如文档内容存在违规,或者侵犯商业秘密、侵犯著作权等,请点击“违规举报”。

碎片内容

检验检测机构内审检查表CMA正式版详解

您可能关注的文档

确认删除?
VIP
微信客服
  • 扫码咨询
会员Q群
  • 会员专属群点击这里加入QQ群
客服邮箱
回到顶部