电脑桌面
添加小米粒文库到电脑桌面
安装后可以在桌面快捷访问

现浇混凝土压顶单元工程质量评定表

现浇混凝土压顶单元工程质量评定表_第1页
1/9
现浇混凝土压顶单元工程质量评定表_第2页
2/9
现浇混凝土压顶单元工程质量评定表_第3页
3/9
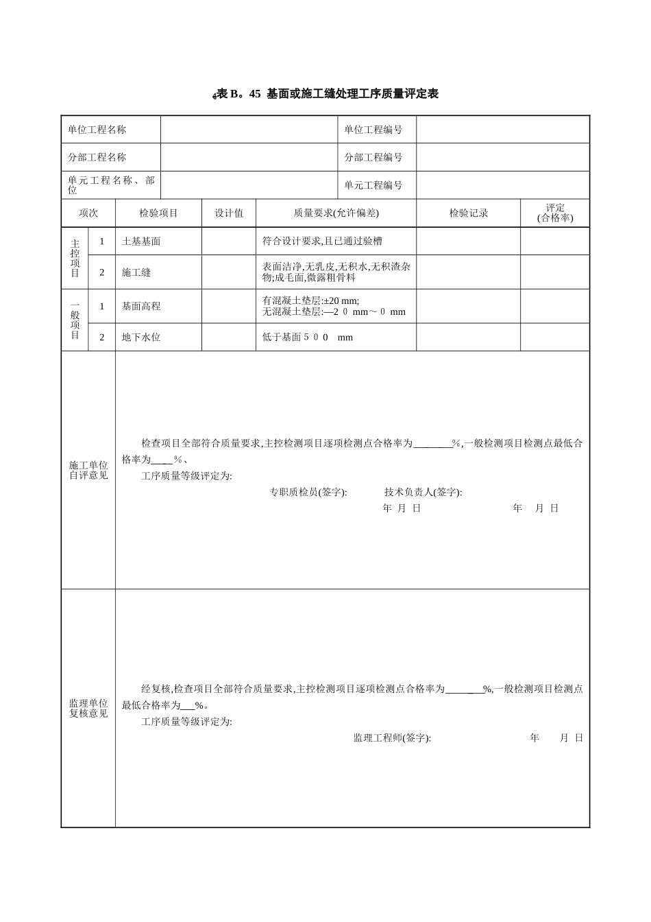
表 A。34 现浇混凝土(底板、墩墙、流道、廊道、排架、梁板柱等)单元工程质量评定表单位工程名称单位工程编号分部工程名称分部工程编号单元工程名称、部位单元工程编号项次工序名称表号工序质量等级1基面或施工缝处理B。452模板安装B.463钢筋制作与安装 △B。47(B.4 8)4止水片(带)及伸缩缝制作与安装B。495混凝土浇筑B.506外形尺寸 △B.5 1/B、52/B、53/B.54/B、557外观质量B。6 0施工单位自评意见各工序质量全部合格,工序优良率为 %,主要工序为 等级。混凝土试件抗压强度 设计与法律规范要求。单元工程质量等级评定为:专职质检员(签字): 技术负责人(签字): 项目经理(签字): 年 月 日 年 月 日 年 月 日监理单位复核意见经抽查并查验相关检验报告与检验资料,各工序质量全部合格,工序优良率为 %,主要工序为 等级。混凝土试件抗压强度 设计与法律规范要求。单元工程质量等级评定为: 监理工程师(签字): 年 月 日注:标有“△"为主要工序。ﻬ表 B。45 基面或施工缝处理工序质量评定表单位工程名称单位工程编号分部工程名称分部工程编号单元工程名称、部位单元工程编号项次检验项目设计值质量要求(允许偏差)检验记录评定(合格率)主控项目1土基基面符合设计要求,且已通过验槽2施工缝表面洁净,无乳皮,无积水,无积渣杂物;成毛面,微露粗骨料一般项目1基面高程有混凝土垫层:±20 mm;无混凝土垫层:—2 0 mm~0 mm2地下水位低于基面50 0 mm施工单位自评意见检查项目全部符合质量要求,主控检测项目逐项检测点合格率为 %,一般检测项目检测点最低合格率为 %、工序质量等级评定为:专职质检员(签字): 技术负责人(签字): 年 月 日 年 月 日监理单位复核意见经复核,检查项目全部符合质量要求,主控检测项目逐项检测点合格率为 %,一般检测项目检测点最低合格率为 %。工序质量等级评定为: 监理工程师(签字): 年 月 日表 B.46 模板安装工序质量评定表单位工程名称单位工程编号分部工程名称分部工程编号单元工程名称、部位单元工程编号项次检验项目设计值质量要求(允许偏差)检验记录评定(合格率)主控项目1稳定性、刚度与强度符合模板设计要求2承重模板底面高程0 mm~5 mm3截面尺寸底板长度、宽度±5 m m底板对角线±10 mm柱梁、墩墙、流(廊)道得长度、宽度-5 mm~+4 mm4轴线位置底板、梁、板10 mm墩墙、柱、流(廊)道5 mm5垂直度墩墙高度≤5 m:6 mm;高度>5 m:8 mm门槽<0、1%H,...

1、当您付费下载文档后,您只拥有了使用权限,并不意味着购买了版权,文档只能用于自身使用,不得用于其他商业用途(如 [转卖]进行直接盈利或[编辑后售卖]进行间接盈利)。
2、本站所有内容均由合作方或网友上传,本站不对文档的完整性、权威性及其观点立场正确性做任何保证或承诺!文档内容仅供研究参考,付费前请自行鉴别。
3、如文档内容存在违规,或者侵犯商业秘密、侵犯著作权等,请点击“违规举报”。

碎片内容

现浇混凝土压顶单元工程质量评定表

您可能关注的文档

一二三四传媒+ 关注
实名认证
内容提供者

大量资料供您选择,没有合适的可以联系小二。

确认删除?
VIP
微信客服
  • 扫码咨询
会员Q群
  • 会员专属群点击这里加入QQ群
客服邮箱
回到顶部