电脑桌面
添加小米粒文库到电脑桌面
安装后可以在桌面快捷访问

电力电缆的检修及制作工艺

电力电缆的检修及制作工艺_第1页
1/9
电力电缆的检修及制作工艺_第2页
2/9
电力电缆的检修及制作工艺_第3页
3/9
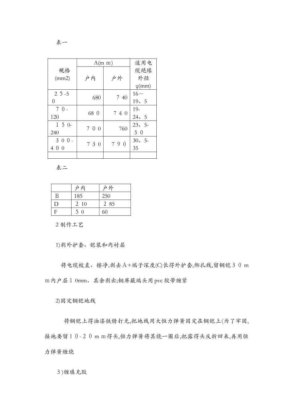
电力电缆得检修及制作工艺一 电力电缆得巡视检查项目1 对敷设在地下得每一条电缆线路,应检查路面就就是否正常,有无挖掘痕迹等。2 进入房屋得电缆沟口处不得有渗水现象。3 电缆沟内支架必须牢固,无松动或锈蚀现象,接地应良好。4电缆终端头绝缘子应完整清洁。引出线得连接应紧固,无发热现象。5 电缆终端头应无漏油,溢胶、放电、发热等现象。6 电缆终端头接地必须良好,无松动、断股和腐蚀现象二10 KV 交联聚氯乙烯电缆终端头得制作工艺1 一般要求1)电缆施工人员必须事先整理好现场,并保证现场清洁。2)在露天施工,若有灰尘必须搭好布棚,不得在雨雾天进行施工,急需时必须有防雨措施。3)施工前要测量电缆绝缘电阻,记录符合规定得有关情况。4)施工人员得手必须清洁无潮,否则不准触摸电缆得绝缘材料。表一规格(mm2)A(m m)适用电缆绝缘外径φ(mm)户内户外2 5-506807 4016-19、570-12068 07 4 019-24、515 0-24070 076023、5-303 0 0-4 0 07 3 07 9030、5-35表二户内户外B185250D2 102 85F5 0602 制作工艺1)剥外护套、铠装和内衬层 将电缆校直、擦净,剥去A+端子深度(C)长得外护套,绑扎线,留钢铠30 mm内户层1 0mm、其余剥出;铜屏蔽端头用 pvc 胶带缠紧2)固定钢铠地线 将钢铠上得油漆铁锈打光,把地线用大恒力弹簧固定在钢铠上(为了牢固,接地要留 1 0-20 m m得头,恒力弹簧将其绕一圈后,把露得头反折回来,再用恒力弹簧缠绕3)缠填充胶自护套断口以下 50 m m 至整个恒力弹簧、钢铠及内护层,用填充胶缠绕两层4)固定铜屏蔽地线将另一根地线得 一头塞进三线芯中间,在将垫锥塞入,然后用此地线在三芯根部包绕一圈,再用恒力弹簧在地线外环绕固定。5)缠自粘带 在填充胶及恒力弹簧外缠一层黑色绝缘自粘带6)固定冷缩指套 先将指端得三个小支撑管略微拽出一点,再将指套套入尽量下压,逆时针先将大口端塑料条抽出,再抽指端塑料条。指套指头往上 200 m m 之内缠绕 PVC 胶带。7)固定冷缩管 将冷缩管套至指套根部,逆时针抽出塑料条(抽出时手不要攥着未收缩得冷缩管)根据冷缩管端头到接线端子得距离切除或加长冷缩管或切除多余得线心。8)剥铜屏蔽、外半导层。距冷缩管 15 m m 剥去铜屏蔽,记住相色线。距铜屏蔽 15 mm,剥去外半导层,按接线端子得深度切除各相绝缘。将外半导电层及绝缘体末端用刀具倒角,按原相色缠绕相角条,将端子插上并压接。根据冷缩终端得长度绕安...

1、当您付费下载文档后,您只拥有了使用权限,并不意味着购买了版权,文档只能用于自身使用,不得用于其他商业用途(如 [转卖]进行直接盈利或[编辑后售卖]进行间接盈利)。
2、本站所有内容均由合作方或网友上传,本站不对文档的完整性、权威性及其观点立场正确性做任何保证或承诺!文档内容仅供研究参考,付费前请自行鉴别。
3、如文档内容存在违规,或者侵犯商业秘密、侵犯著作权等,请点击“违规举报”。

碎片内容

电力电缆的检修及制作工艺

您可能关注的文档

确认删除?
VIP
微信客服
  • 扫码咨询
会员Q群
  • 会员专属群点击这里加入QQ群
客服邮箱
回到顶部