电脑桌面
添加小米粒文库到电脑桌面
安装后可以在桌面快捷访问

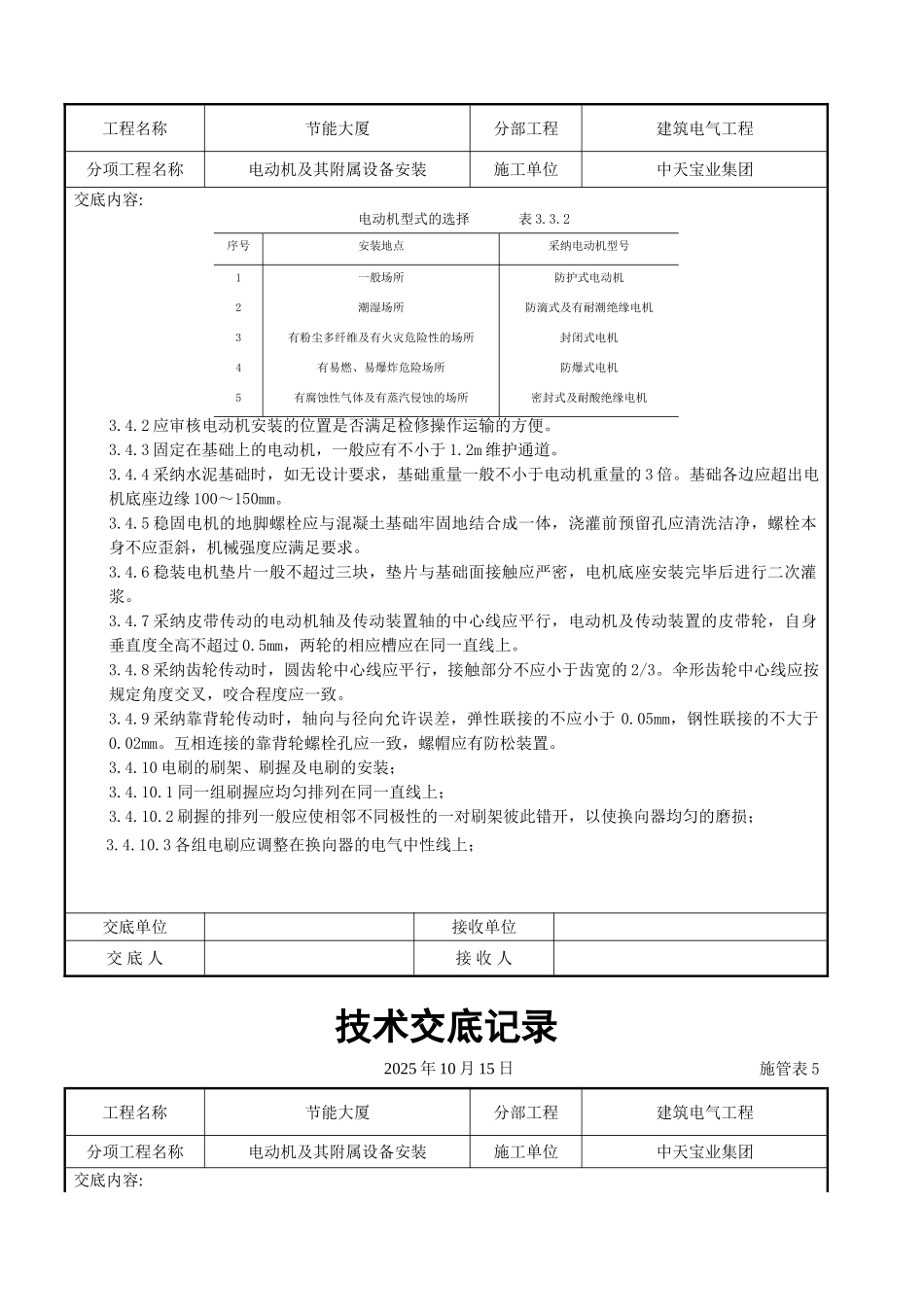
电动机及其附属设备安装交底记录

电动机及其附属设备安装交底记录_第1页
1/11
电动机及其附属设备安装交底记录_第2页
2/11
电动机及其附属设备安装交底记录_第3页
3/11
技术交底记录2025 年 10 月 15 日施管表 5工程名称节能大厦分部工程建筑电气工程分项工程名称电动机及其附属设备安装施工单位中天宝业集团交底内容:依据标准:《建筑工程施工质量验收统一标准》GB50300-2001《建筑电气工程施工质量验收法律规范》GB50303-20251、范围本工艺标准适用于一般工业与民用建筑电气安装工程固定式交、直和同步电动机及其附属设备安装。2、施工准备2.1 设备及材料要求:2.1.1 电动机应有铭牌,注明制造厂名,出厂日期,电动机的型号、容量、频率、电压、电流、接线方法、转速、温升、工作方法、绝缘等级等有关技术数据。2.1.2 电动机的容量、规格、型号必须符合设计要求,附件、备件齐全,并有出厂合格证及有关技术文件。2.1.3 电动机的控制、保护和起动附属设备,应与电动机配套,并有铭牌,注明制造厂名,出厂日期、规格、型号及出厂合格证等有关技术资料。2.1.4 各种规格的型钢均应符合设计要求,型钢无明显的锈蚀。并有材质证明。2.1.5 螺栓:除电机稳装用螺栓外,均应采纳镀锌螺栓,并配相应的镀锌螺母平垫圈、弹簧垫。2.1.6 其它材料:绝缘带、电焊条、防锈漆、调和漆、变压器油、润滑脂等均应有产品合格证。2.2 主要机具:吊链、龙门架、绳扣、台钻、砂轮、手电钻、联轴节顶出器、台虎钳、油压钳、扳手、电锤、板锉、鎯头、钢板尺、圆钢套丝板、电焊机、汽焊工具、塞尺、水平尺、转速表、摇表、万用表、卡钳电流表、测电笔、试铃、电子点温计。2.3 作业条件:2.3.1 施工图及技术资料齐全。交底单位接收单位交 底 人接 收 人技术交底记录2025 年 10 月 15 日施管表 5工程名称节能大厦分部工程建筑电气工程分项工程名称电动机及其附属设备安装施工单位中天宝业集团交底内容:2.3.2 土建工程基本施工完毕、门窗玻璃安好。2.3.3 在室外安装的电机,应有防雨措施。2.3.4 电动机的基础、地脚螺栓孔、沟道、电缆管位置尺寸应符合设计质量要求。2.3.5 电动机安装场地应清理洁净、道路畅通。2.3.6 电动机驱动设备已安装完毕,且初检合格。3、操作工艺3.1 工艺流程:设备拆箱点件→安装前的检查→电动机安装→抽芯检查→电机干燥→控制、保护和起动设备安装→试运行前的检查→试运行及验收3.2 设备拆箱点件:3.2.1 设备拆箱点件检查应有安装单位、供货单位、建设单位共同进行,并作好记录;3.2.2 根据设备供货清单、技术文件,对设备及其附件、备件的规格、型号、数量进行详细核对;3.2.3 ...

1、当您付费下载文档后,您只拥有了使用权限,并不意味着购买了版权,文档只能用于自身使用,不得用于其他商业用途(如 [转卖]进行直接盈利或[编辑后售卖]进行间接盈利)。
2、本站所有内容均由合作方或网友上传,本站不对文档的完整性、权威性及其观点立场正确性做任何保证或承诺!文档内容仅供研究参考,付费前请自行鉴别。
3、如文档内容存在违规,或者侵犯商业秘密、侵犯著作权等,请点击“违规举报”。

碎片内容

电动机及其附属设备安装交底记录

您可能关注的文档

确认删除?
VIP
微信客服
  • 扫码咨询
会员Q群
  • 会员专属群点击这里加入QQ群
客服邮箱
回到顶部