电脑桌面
添加小米粒文库到电脑桌面
安装后可以在桌面快捷访问

硬母线安装交底记录

硬母线安装交底记录_第1页
1/14
硬母线安装交底记录_第2页
2/14
硬母线安装交底记录_第3页
3/14
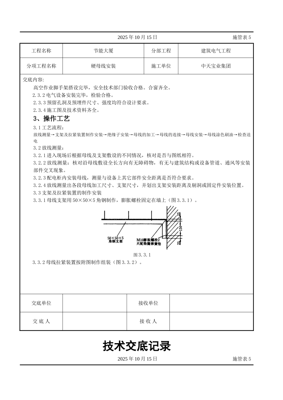
技术交底记录2025 年 10 月 15 日施管表 5工程名称节能大厦分部工程建筑电气工程分项工程名称硬母线安装施工单位中天宝业集团交底内容:1、依据标准:《建筑工程施工质量验收统一标准》GB50300-2001《建筑电气工程施工质量验收法律规范》GB50303-20252、施工准备2.1 材料要求:2.1.1 铜、铝母线应有产品合格及材质证明,并符合表 2.1.1 的要求。母线的机械性能和电阻率 表 2.1.1母线名称母线型号最小抗拉强度(N/mm2)最小伸长率(%)20℃时最大电阻率(Ω·mm2/m)铜母线TMY25560.0177铝母线1MY11530.02902.1.2 母线表面应光洁平整,不应有裂纹、折皱、夹杂物及变形和扭曲现象。2.1.3 绝缘子及穿墙套管的瓷件,应符合执行国家标准和有关电瓷产品技术条件的规定,并有产品合格证。2.1.4 绝缘材料的型号、规格、电压等级应符合设计要求。外观无损伤及裂纹,绝缘良好。2.1.5 金属紧固件及卡具,均应采纳热镀锌件。2.1.6 其他辅料有调合漆,樟丹池、焊条、焊粉等。2.2 主要机具:2.2.1 母线煨弯器、电焊、汽焊工具、钢锯、电锤、砂轮、台钻、手电钻、板锉、钢丝刷、木锤、力矩扳手、铜丝刷。2.2.2 测试器具:皮尺、钢卷尺、钢板尺、水平、线坠、摇表、万用表、细钢丝或小线。2.3 施工条件:2.3.1 母线安装对土建要求:屋顶不漏水,墙面喷浆完毕,场地清理洁净,并有一定的加工场所。交底单位接收单位交 底 人接 收 人技术交底记录2025 年 10 月 15 日施管表 5工程名称节能大厦分部工程建筑电气工程分项工程名称硬母线安装施工单位中天宝业集团交底内容:高空作业脚手架搭设完毕,安全技术部门验收合格。合窗齐全。2.3.2 电气设备安装完毕,检验合格。2.3.3 预留孔洞及预埋件尺寸、强度均符合设计要求。2.3.4 施工图及技术资料齐全。3、操作工艺3.1 工艺流程:放线测量→支架及拉紧装置制作安装→绝缘子安装→母线的加工→母线的连接→母线安装→母线涂色刷油→检查送电3.2 放线测量:3.2.1 进入现场后根据母线及支架敷设的不同情况,核对是否与图纸相符。3.2.2 放线测量:核对沿母线敷设全长方向有无障碍物,有无与建筑结构或设备管道、通风等安装部件交叉现象。3.2.3 配电柜内安装母线,测量与设备上其它部件安全距离是否符合要求。3.2.4 放线测量出各段母线加工尺寸、支架尺寸,并划出支架安装距离及剔洞或固定件安装位置。3.3 支架及拉紧装置的制作安装3.3.1 母线支架用 50×50×5 角钢制作,膨胀螺栓固...

1、当您付费下载文档后,您只拥有了使用权限,并不意味着购买了版权,文档只能用于自身使用,不得用于其他商业用途(如 [转卖]进行直接盈利或[编辑后售卖]进行间接盈利)。
2、本站所有内容均由合作方或网友上传,本站不对文档的完整性、权威性及其观点立场正确性做任何保证或承诺!文档内容仅供研究参考,付费前请自行鉴别。
3、如文档内容存在违规,或者侵犯商业秘密、侵犯著作权等,请点击“违规举报”。

碎片内容

硬母线安装交底记录

确认删除?
VIP
微信客服
  • 扫码咨询
会员Q群
  • 会员专属群点击这里加入QQ群
客服邮箱
回到顶部