电脑桌面
添加小米粒文库到电脑桌面
安装后可以在桌面快捷访问

突发停电应急预案

突发停电应急预案_第1页
1/4
突发停电应急预案_第2页
2/4
突发停电应急预案_第3页
3/4
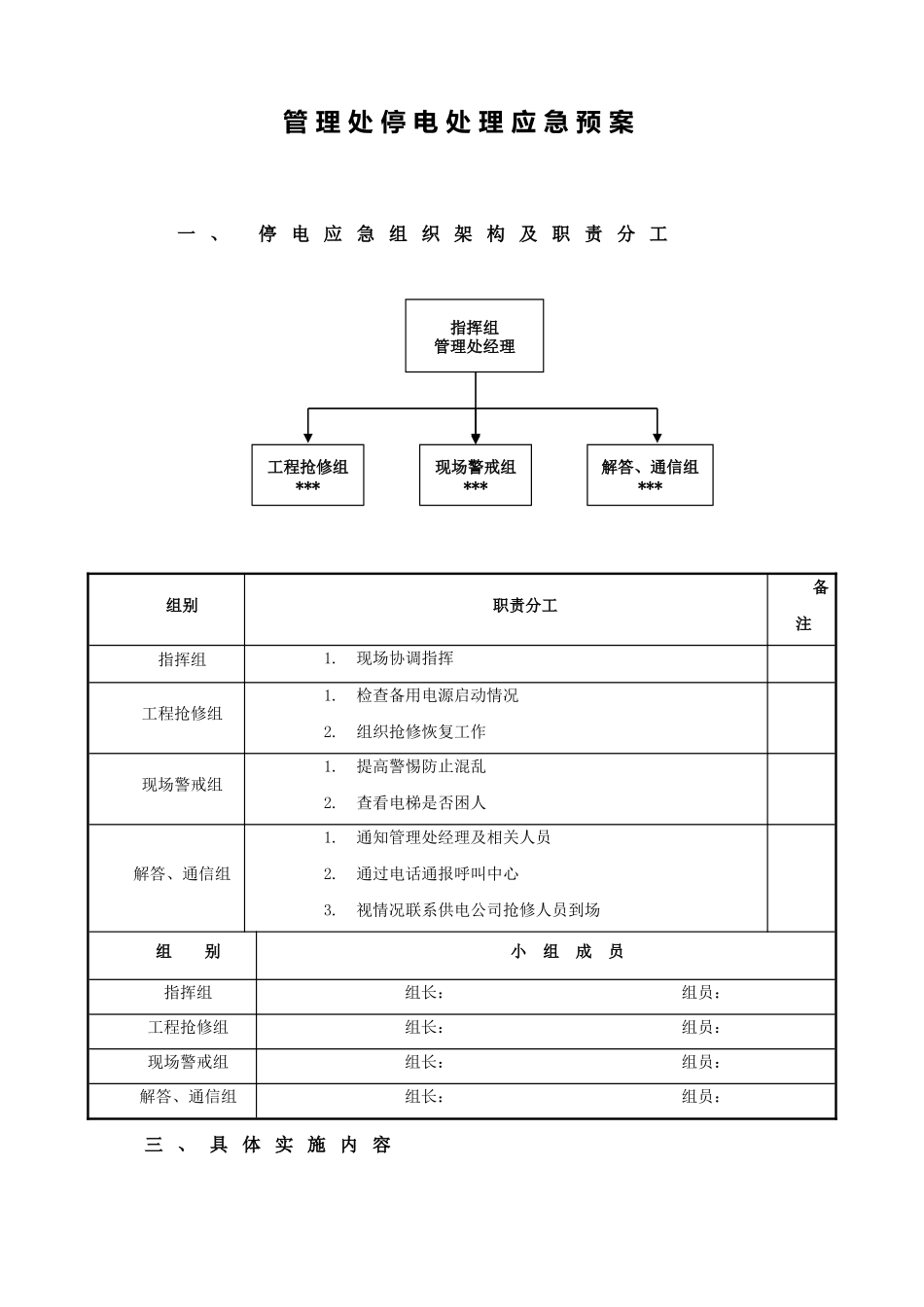
管 理 处 停 电 处 理 应 急 预 案一 、停 电 应 急 组 织 架 构 及 职 责 分 工组别职责分工备注指挥组1.现场协调指挥工程抢修组1.检查备用电源启动情况2.组织抢修恢复工作现场警戒组1.提高警惕防止混乱2.查看电梯是否困人解答、通信组1.通知管理处经理及相关人员2.通过电话通报呼叫中心3.视情况联系供电公司抢修人员到场组 别小 组 成 员指挥组组长: 组员:工程抢修组组长: 组员:现场警戒组组长: 组员:解答、通信组组长: 组员:三 、 具 体 实 施 内 容指挥组管理处经理工程抢修组***现场警戒组***解答、通信组***步骤工作内容一、接到信息通信组消 防 监 控中心立即通知当值维修技工即时到现场进行查看,住户停电户数多于2 家或公共停电部分在几个地方时,同时通知技工班长。大 堂 岗 或巡逻岗立即通知客户中学高或消防中心通知当值维修技工即时到现场进行查看,住户停电户数多于2 家或公共停电部分在几个地方时,同时通知技工班长。客 户 服 务中心立即通知当值维修技工即时到现场进行查看,住户停电户数多于2 家或公共停电部分在几个地方时,同时通知技工班长。二、应急处理工 程 组抢修组1.工程组值班技工和班长迅速到达发电机房,在3 分钟内启动发电机;2.待命的技工和现场警戒组一名组员迅速到达楼内电梯现场,检查、解救被困乘客(消防监控中心发现有人被困梯内;需立即告诉技工),并关闭指定电梯降低负荷;3.将市电切换到发电状态;4.市电恢复后,切换到市电供电。停止发电机,开启关闭电梯;5.电机供电,该时间停止起不超过5 分钟。由指定技工留守发电机房,监控运行;6.工程抢修组长在现场指挥、协调,抢修工作;7.指挥组长现场指挥、协调抢修和救援工作。三、客户解释解答通讯组1.客户助理联络供电部门查明停电原因及恢复供电时间,并接听业主投诉电话,负责答释。首先技工确定停电原因后,供电局停电、则打电话95598 ,如供电线路故障,供电局正在抢收修;2.无法即时恢复市电送电时,张贴停电通知,说明停电原因,并通知客户服务中心,以便于答复客户询问,必要时可通过消防广播通知。同时知会秩序组加强楼层的巡逻,及时反馈异常信息。因供电线路故障,供电局也不能确定来电时间,估计时间不会太长;四、保障工程抢修组现场警戒组1.若停电时间较长,需注意发电机柴油是否够用。若不够需紧急购买;2.若停电时间较长,现场警戒组需注意天面水箱是否水量是否足够,若缺...

1、当您付费下载文档后,您只拥有了使用权限,并不意味着购买了版权,文档只能用于自身使用,不得用于其他商业用途(如 [转卖]进行直接盈利或[编辑后售卖]进行间接盈利)。
2、本站所有内容均由合作方或网友上传,本站不对文档的完整性、权威性及其观点立场正确性做任何保证或承诺!文档内容仅供研究参考,付费前请自行鉴别。
3、如文档内容存在违规,或者侵犯商业秘密、侵犯著作权等,请点击“违规举报”。

碎片内容

突发停电应急预案

确认删除?
VIP
微信客服
  • 扫码咨询
会员Q群
  • 会员专属群点击这里加入QQ群
客服邮箱
回到顶部