电脑桌面
添加小米粒文库到电脑桌面
安装后可以在桌面快捷访问

聚氨酯直埋保温管产品参数

聚氨酯直埋保温管产品参数_第1页
1/4
聚氨酯直埋保温管产品参数_第2页
2/4
聚氨酯直埋保温管产品参数_第3页
3/4
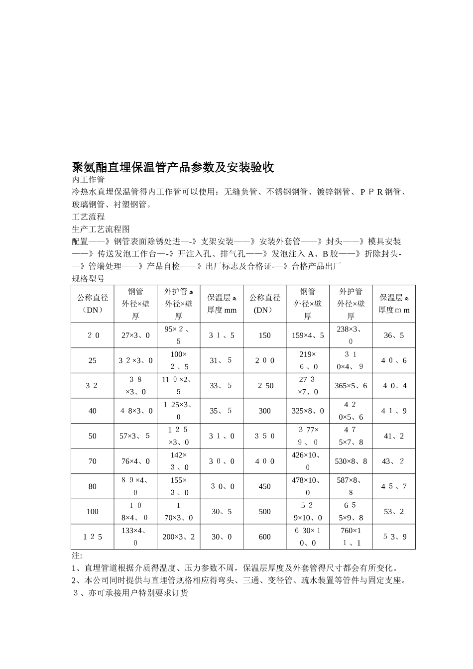
聚氨酯直埋保温管产品参数及安装验收内工作管冷热水直埋保温管得内工作管可以使用:无缝负管、不锈钢钢管、镀锌钢管、 P P R 钢管、玻璃钢管、衬塑钢管。工艺流程生产工艺流程图配置——》钢管表面除锈处进—-》支架安装——》安装外套管——》封头——》模具安装——》传送发泡工作台—-》开注入孔、排气孔——》发泡注入 A、B 胶——》折除封头-—》管端处理——》产品自检——》出厂标志及合格证-—》合格产品出厂规格型号公称直径(DN)钢管外径×壁厚外护管ﻫ外径×壁厚保温层ﻫ厚度 mm公称直径(DN)钢管外径×壁厚外护管外径×壁厚保温层ﻫ厚度m m2 027×3、095×2、53 1、5150159×4、5238×3、036、5253 2×3、0100×2、531、52 0 0219×6、0310×4、94 0、63 238×3、011 0×2、533、5 2 5027 3×7、0365×5、64 0、4404 8×3、01 25×3、035、5 300325×8、04 20×5、64 1、95057×3、51 25×3、03 1、0 3503 77×9、04 75×7、841、2 7076×4、0142×3、03 0、0 4 0 0426×10、0530×8、843、28089×4、0155×3、03 0、0 450478×10、0587×8、84 5、7100108×4、0170×3、030、5 5005 29×10、06 55×9、853、21 2 5133×4、0200×3、230、0 6006 30×10、0760×11、15 3、9注:1、直埋管道根据介质得温度、压力参数不周,保温层厚度及外套管得尺寸都会有所变化。2、本公司同时提供与直埋管规格相应得弯头、三通、变径管、疏水装置等管件与固定支座。3、亦可承接用户特别要求订货性能参数1 钢管--输送热水或蒸汽得内工作管或者用作钢外套管注:钢管表面锈蚀除锈等级应达到 Sa2、5 级2 聚氨酯硬质泡汁沬恸 -—保温层项目单位指标密度Kg/M 2>=60抗压强度Mpa>=0、3导热系数W/M*k〈=0、03 3耐热性C〈=120 或<=1 5 0吸水率%<=10空率%〉=88管材得堆放与保管 1、 管材存放场地应平整、无杂物、无积水,并有足够得承载能力。 ﻫ2、 管材应放在距热源 2 m以外处,并有消防设施。 3、 堆放管材必须垫管枕 管枕宽度应大于 150m m高度应大于 100 mm,存放时,同种类管子应放在一起.12 m长管要从地面开始逐层放整块。 短时间堆放,每层也可不放整块,但高度不得大于 1.5m。 ﻫ4、管材在存放期间.钢管两头应加封堵,露天存放时。应用毡布覆盖,禁止太阳曝晒,雨淋。 管材得堆放与保管 ...

1、当您付费下载文档后,您只拥有了使用权限,并不意味着购买了版权,文档只能用于自身使用,不得用于其他商业用途(如 [转卖]进行直接盈利或[编辑后售卖]进行间接盈利)。
2、本站所有内容均由合作方或网友上传,本站不对文档的完整性、权威性及其观点立场正确性做任何保证或承诺!文档内容仅供研究参考,付费前请自行鉴别。
3、如文档内容存在违规,或者侵犯商业秘密、侵犯著作权等,请点击“违规举报”。

碎片内容

聚氨酯直埋保温管产品参数

确认删除?
VIP
微信客服
  • 扫码咨询
会员Q群
  • 会员专属群点击这里加入QQ群
客服邮箱
回到顶部