电脑桌面
添加小米粒文库到电脑桌面
安装后可以在桌面快捷访问

装配式预应力混凝土简支T形梁的构造

装配式预应力混凝土简支T形梁的构造_第1页
1/4
装配式预应力混凝土简支T形梁的构造_第2页
2/4
装配式预应力混凝土简支T形梁的构造_第3页
3/4
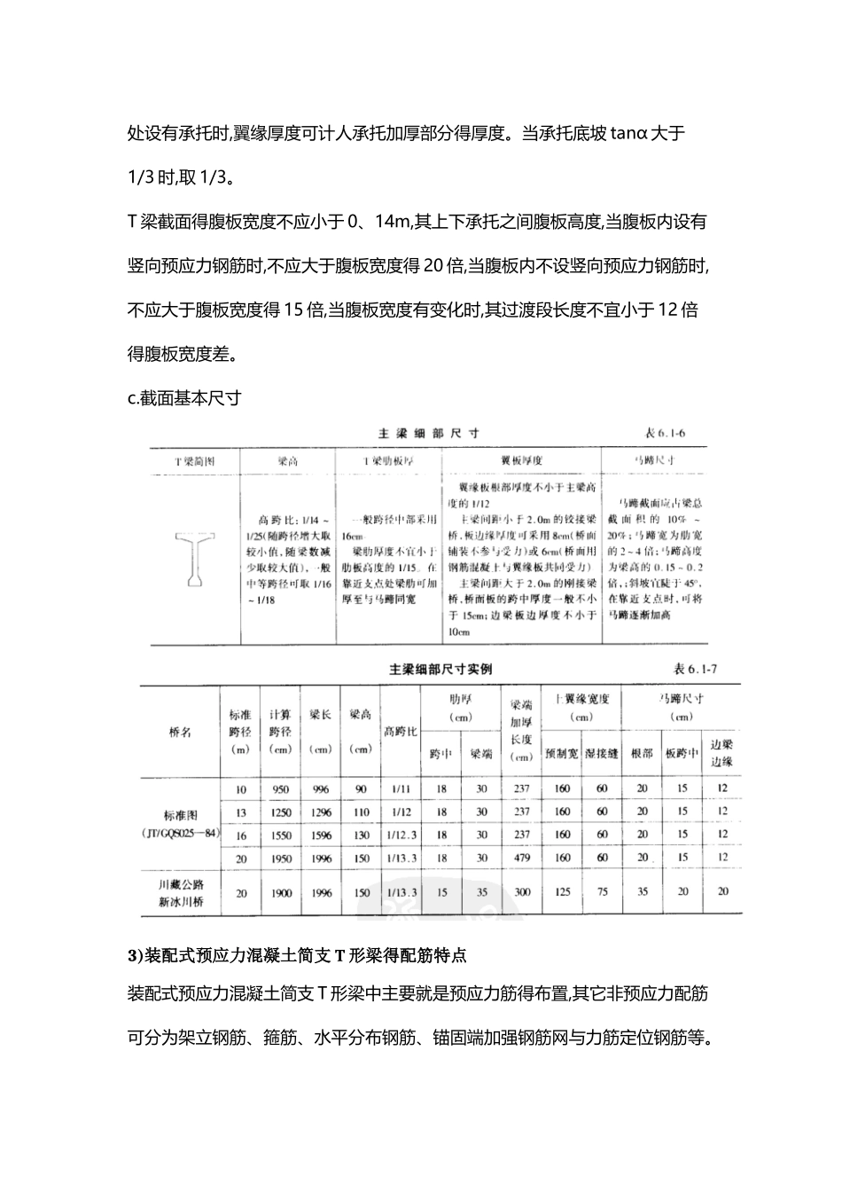
装配式简支 T 形梁桥,当跨径大于 20m 时,用钢筋混凝梁已经不太经济,应选用预应力混凝土梁。我国已为 25m、30m、35m、40m、50m 跨径编制了后张法装配式预应力混凝土简支 T 形梁得标准图纸。公路桥梁实际得 T 梁跨径已达到52m。装配式预应力混凝土简支 T 形梁得结构尺寸与构造均应满足《公路钢筋混凝土及预应力混凝土桥涵设计法律规范》(田 G D622025)第 9、4 条得规定要求。1)主梁、横隔梁得构造布置纵截面得主梁、横隔梁布置,原则上同钢筋混凝土梁桥,只就是在预应力混凝土梁中常为了减轻吊装重量而将横隔梁中部挖孔。2)横截面布置a.主梁间距与主梁片数横截面布置主要就是主梁片数、主梁间距、主梁高度与主梁细部尺寸等得确定。对于跨径较大得预应力钢筋混凝土筒支 T 形梁来说,从预应力梁得受力特点可知,通过加大翼缘宽度能够有效地提高截面得效率指标,所以主梁间距较普通钢筋混凝土梁有所增大,以采纳 1、 80 ~2、50m 为宜。b。主梁高度与主梁细部尺寸桥跨假如不受建筑建筑高度得限制,主梁高度高一些可以节约钢筋配量。对于桥跨受建筑高度限制得情况,主梁高度就要梁高度,主梁高度就要适当减小,相应地要适当增加主梁片数与钢筋配筋量。主梁翼板厚度依据悬臂受力要求宜做成变厚度形式,翼缘悬臂端厚度一般不应小于 0、1m,当预制 T 梁截面与梁之间采纳横向整体现浇连接时,其翼缘悬臂端厚度不应小于 0、14m。在与腹板相连处得翼缘厚度一般不小于梁高得 1/10,当该处设有承托时,翼缘厚度可计人承托加厚部分得厚度。当承托底坡 tanα 大于1/3 时,取 1/3。T 梁截面得腹板宽度不应小于 0、14m,其上下承托之间腹板高度,当腹板内设有竖向预应力钢筋时,不应大于腹板宽度得 20 倍,当腹板内不设竖向预应力钢筋时,不应大于腹板宽度得 15 倍,当腹板宽度有变化时,其过渡段长度不宜小于 12 倍得腹板宽度差。c.截面基本尺寸3)装配式预应力混凝土简支 T 形梁得配筋特点装配式预应力混凝土简支 T 形梁中主要就是预应力筋得布置,其它非预应力配筋可分为架立钢筋、箍筋、水平分布钢筋、锚固端加强钢筋网与力筋定位钢筋等。a.预应力束筋得布置·预应力束筋得立面布置在后张法装配式预应力混凝土筒支 T 形梁中,束筋在一定区段须逐渐弯起以满足设计与构造得要求。预应力 T 形梁内束筋可以全部逐渐起弯至梁端锚固,也可以部分束筋弯至梁端锚固,部分束筋弯至梁顶锚固。当预应力混凝土简支梁梁高受限制,梁端不能锚固所有束筋时,可将...

1、当您付费下载文档后,您只拥有了使用权限,并不意味着购买了版权,文档只能用于自身使用,不得用于其他商业用途(如 [转卖]进行直接盈利或[编辑后售卖]进行间接盈利)。
2、本站所有内容均由合作方或网友上传,本站不对文档的完整性、权威性及其观点立场正确性做任何保证或承诺!文档内容仅供研究参考,付费前请自行鉴别。
3、如文档内容存在违规,或者侵犯商业秘密、侵犯著作权等,请点击“违规举报”。

碎片内容

装配式预应力混凝土简支T形梁的构造

您可能关注的文档

确认删除?
VIP
微信客服
  • 扫码咨询
会员Q群
  • 会员专属群点击这里加入QQ群
客服邮箱
回到顶部