电脑桌面
添加小米粒文库到电脑桌面
安装后可以在桌面快捷访问

通信铁塔及基础施工组织设计

通信铁塔及基础施工组织设计_第1页
1/23
通信铁塔及基础施工组织设计_第2页
2/23
通信铁塔及基础施工组织设计_第3页
3/23
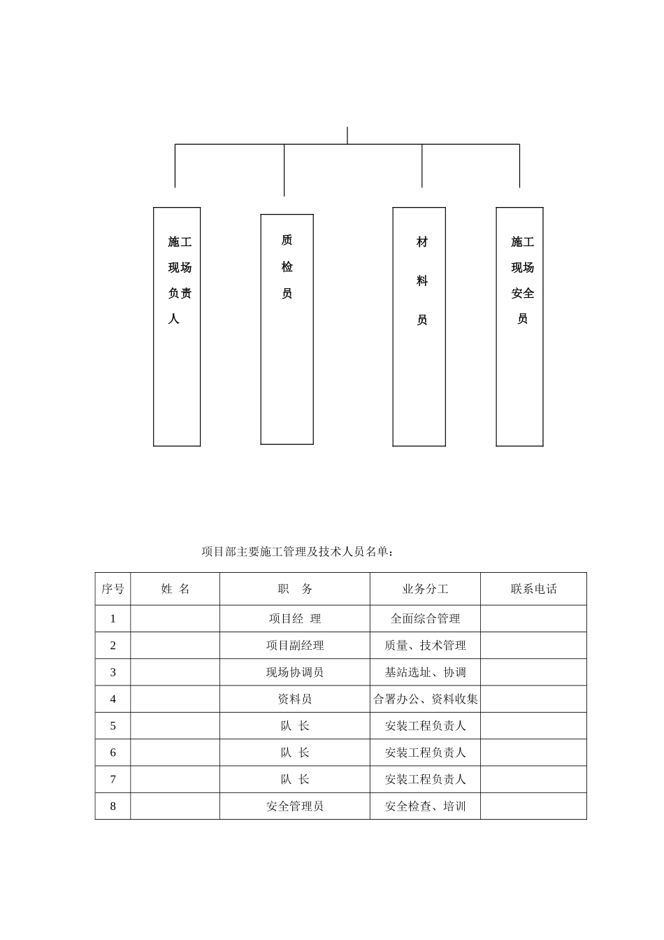
通信铁塔及基础施工组织设计1工程概况及编制依据1.1工程概况:本通信基站设计塔高为 65.5M 普通铁塔,塔基为钢筋混凝土结构,垫层为 C10 混凝土,基础及基础梁为 C20,散水为 C15 混凝土,钢材均采纳 A3,钢筋 HPB235 用 Φ 表示,焊条采纳 E43,HRB335 用 Φ 表示,焊条采纳 E50,凡焊接处均围焊、满焊,焊缝长为>120mm。塔体组装完成后,用 C10 混凝土封堵塔脚,以防螺栓锈蚀及螺帽松动。1.2工期计划计划开工日期为 2025 年 月 日,计划竣工日期为 2025 年 月 日1.3编制依据: 1.结构工程施工及验收法律规范(GB50205-95)2.中华人民共和国通信行业标准:微波铁塔技术条件(YD/T757-95)3.中华人民共和国广播电影电视部部标准:广播电视钢塔桅制造技术条件(GY65-89)4.地基与基础工程施工及验收法律规范(GBJ202-83)5.钢筋混凝土施工及验收法律规范(GBJ204-83)2施工组织2.1施工前的准备2.1.1施工组织准备组织机构及人员职责工程项目总负责人: 项目部主要施工管理及技术人员名单:序号姓 名职 务业务分工联系电话1项目经 理全面综合管理2项目副经理质量、技术管理3现场协调员基站选址、协调4资料员合署办公、资料收集5队 长安装工程负责人6队 长安装工程负责人7队 长安装工程负责人8安全管理员安全检查、培训材料员施工现场安全员质检员施工现场负责人 人 员 职 责工程项目总负责人:对本工程项目施工全面负责,确保整个施工过程处于受控状态。根据施工组织设计正确组织生产,抓好施工过程各环节的管理。并及时受理顾客投拆意见。施工现场负责人:贯彻执行公司质量方针、目标,严格根据操作法律规范及合同标准要求进行施工。对施工现场质量、进度、安全进行监控,发现问题及时上报项目总负责人。质量检查员:顾客提供产品质量,施工过程和工程质量的检查,贯彻质量和工程验收标准并监督实施,负责受理用户申告及时反馈与处理。材料员:负责对施工用的原材料、设备、防护的收发和统计。施工现场安全员:负责施工用电,施工现场作业的安全管理,及时发现并消除安全隐患。2.1.2技术准备准备铁塔基础及机房的工程图及技术资料,进行实地调查和勘测。根据合同工期,编制土建工程施工组织方案和施工作业计划书。对内做好现场施工人员及相关配合人员的组织安排工作,并进行安全、技术交底,做到各负其责、相互协调,保证施工的顺利有序进行施工人员在工程现场与建设单位代表共同确认《工程设计文件》是否...

1、当您付费下载文档后,您只拥有了使用权限,并不意味着购买了版权,文档只能用于自身使用,不得用于其他商业用途(如 [转卖]进行直接盈利或[编辑后售卖]进行间接盈利)。
2、本站所有内容均由合作方或网友上传,本站不对文档的完整性、权威性及其观点立场正确性做任何保证或承诺!文档内容仅供研究参考,付费前请自行鉴别。
3、如文档内容存在违规,或者侵犯商业秘密、侵犯著作权等,请点击“违规举报”。

碎片内容

通信铁塔及基础施工组织设计

您可能关注的文档

确认删除?
VIP
微信客服
  • 扫码咨询
会员Q群
  • 会员专属群点击这里加入QQ群
客服邮箱
回到顶部