电脑桌面
添加小米粒文库到电脑桌面
安装后可以在桌面快捷访问

金属扣件双排脚手架搭设安全技术交底

金属扣件双排脚手架搭设安全技术交底_第1页
1/2
金属扣件双排脚手架搭设安全技术交底_第2页
2/2
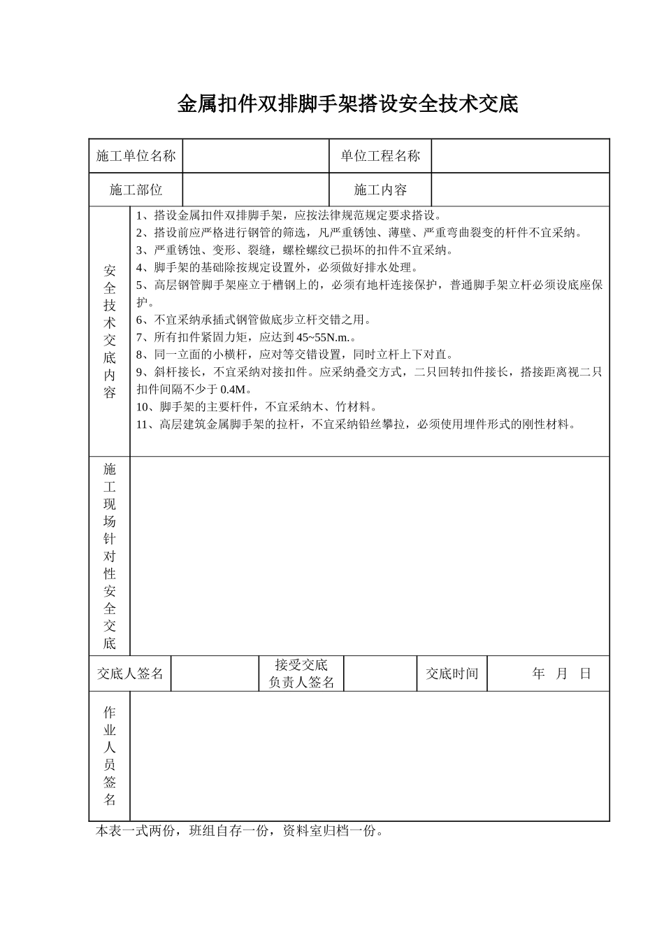
金属扣件双排脚手架搭设安全技术交底施工单位名称单位工程名称施工部位施工内容安全技术交底内容1、搭设金属扣件双排脚手架,应按法律规范规定要求搭设。2、搭设前应严格进行钢管的筛选,凡严重锈蚀、薄壁、严重弯曲裂变的杆件不宜采纳。3、严重锈蚀、变形、裂缝,螺栓螺纹已损坏的扣件不宜采纳。4、脚手架的基础除按规定设置外,必须做好排水处理。5、高层钢管脚手架座立于槽钢上的,必须有地杆连接保护,普通脚手架立杆必须设底座保护。6、不宜采纳承插式钢管做底步立杆交错之用。7、所有扣件紧固力矩,应达到 45~55N.m.。8、同一立面的小横杆,应对等交错设置,同时立杆上下对直。9、斜杆接长,不宜采纳对接扣件。应采纳叠交方式,二只回转扣件接长,搭接距离视二只扣件间隔不少于 0.4M。10、脚手架的主要杆件,不宜采纳木、竹材料。11、高层建筑金属脚手架的拉杆,不宜采纳铅丝攀拉,必须使用埋件形式的刚性材料。施工现场针对性安全交底交底人签名接受交底负责人签名交底时间年 月 日作业人员签名本表一式两份,班组自存一份,资料室归档一份。

1、当您付费下载文档后,您只拥有了使用权限,并不意味着购买了版权,文档只能用于自身使用,不得用于其他商业用途(如 [转卖]进行直接盈利或[编辑后售卖]进行间接盈利)。
2、本站所有内容均由合作方或网友上传,本站不对文档的完整性、权威性及其观点立场正确性做任何保证或承诺!文档内容仅供研究参考,付费前请自行鉴别。
3、如文档内容存在违规,或者侵犯商业秘密、侵犯著作权等,请点击“违规举报”。

碎片内容

金属扣件双排脚手架搭设安全技术交底

确认删除?
VIP
微信客服
  • 扫码咨询
会员Q群
  • 会员专属群点击这里加入QQ群
客服邮箱
回到顶部