电脑桌面
添加小米粒文库到电脑桌面
安装后可以在桌面快捷访问

防汛防台专项方案

防汛防台专项方案_第1页
1/11
防汛防台专项方案_第2页
2/11
防汛防台专项方案_第3页
3/11
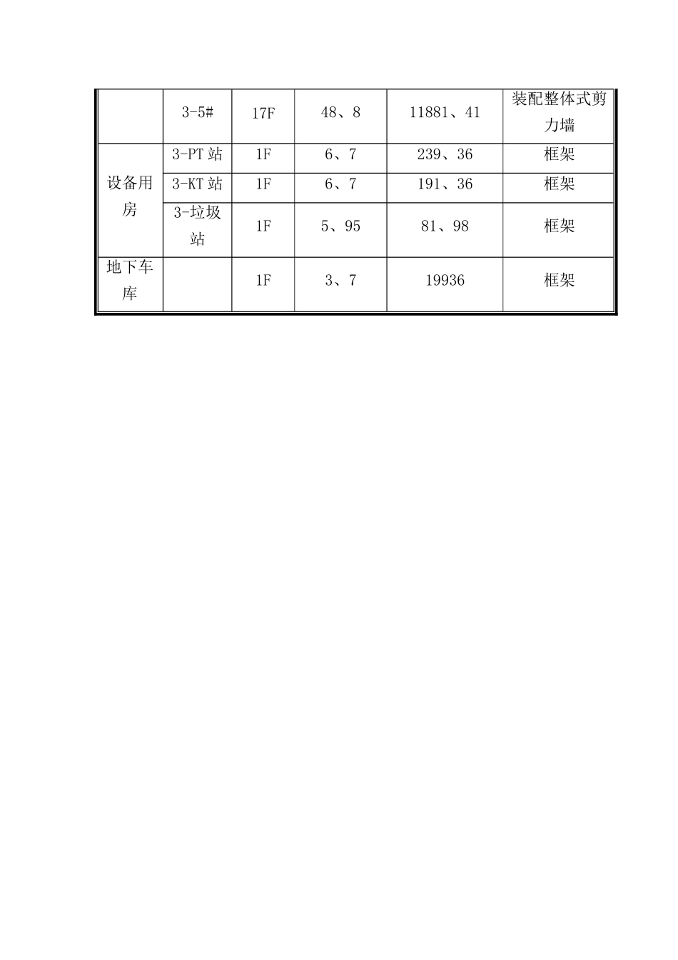
xxxxxx 项目防火安全技术施工方案一、工程概况1、工程名称:xxxxx 项目2、工程地点:本工程地处 xxxx3、建设单位:上海 xxxx 有限公司4、设计单位:xxxxx(上海)有限公司5、勘察单位:上海 xxxx 有限公司6、监理单位:上海 xxxx 有限公司7、施工单位:浙江 xxxx 有限公司8、组成项目: xxxx 项目共由 5 栋高层住宅及其她配套用房组成,其中 18 层住宅 2 栋、17 层住宅 3 栋,地下室住宅主体及 3-S1#楼下两层,其余为一层。总建筑面积 80145、04㎡,其中地下建筑面积 24013、44㎡ ,地上建筑面积 56131、60㎡ ,地库总面积 21563㎡。9、项目详细见下表:房号楼层建筑高度建筑面积(m2)结构类型商业配套3-S1#2F8、11886、69框架住宅3-1#18F51、69960、01装配整体式剪力墙3-2#17F48、812975、41装配整体式剪力墙3-3#17F48、89444、69装配整体式剪力墙3-4#18F51、613309、45装配整体式剪力墙3-5#17F48、811881、41装配整体式剪力墙设备用房3-PT 站1F6、7239、36框架3-KT 站1F6、7191、36框架3-垃圾站1F5、9581、98框架地下车库1F3、719936框架二:编制目得我单位现进行 xxxx 项目施工作业,地下建筑面积 24013、44㎡ ,地上建筑面积 56131、60㎡,包括地下室、2 栋十八层、3 栋十七层及其她配套用房组成,本工程于 2025 年 5 月 4 日开始动工,估计 2025 年9 月份工程结束,施工总工期约为 650 天。施工期历经汛期、台风期,为防患于未然,切实做好防汛、防台工作,保证汛、台期施工安全。并在防台、防汛期间发生后能迅速抢险工作、使灾情及时得到有效得处理,尽最大努力将人员、设施损害程度降低到最低限度;积极抓好防台防汛工作得早落实,积极组织筹备抗灾物资,确保施工现场安全,特制定本方案。三、编制依据3、1《中华人民共与国防汛条例》3、2《中华人民共与国突发事件应对法》3、3《中华人民共与国水法》3、4《国家防汛抗旱应急预案》3、5《上海市防汛条例》3、6《上海市城市防洪排水规划》3、7《上海市突发公共事件总体应急预案》四、适用范围本方案适用于 xxxx 工程施工现场期间得防汛、防台工作及防台、防汛期间得意外损害事故得报告与紧急处理。五、工作原则1、坚持以人为本、安全生产得基本方针与贯彻项目经理责任负责制;2、坚持以防为主、防抢结合;3、坚持因地制宜、突出重点;4、坚持统一领导、统一指挥、统一调度;5、坚持服从大局,分工合作,各司其职;6、坚持科学决策,快速反应,协同应对;六、防汛、防台措施1、针对工...

1、当您付费下载文档后,您只拥有了使用权限,并不意味着购买了版权,文档只能用于自身使用,不得用于其他商业用途(如 [转卖]进行直接盈利或[编辑后售卖]进行间接盈利)。
2、本站所有内容均由合作方或网友上传,本站不对文档的完整性、权威性及其观点立场正确性做任何保证或承诺!文档内容仅供研究参考,付费前请自行鉴别。
3、如文档内容存在违规,或者侵犯商业秘密、侵犯著作权等,请点击“违规举报”。

碎片内容

防汛防台专项方案

一帆文传+ 关注
实名认证
内容提供者

欢迎光临店铺,各类公文供您挑选。

确认删除?
VIP
微信客服
  • 扫码咨询
会员Q群
  • 会员专属群点击这里加入QQ群
客服邮箱
回到顶部