电脑桌面
添加小米粒文库到电脑桌面
安装后可以在桌面快捷访问

附着式升降脚手架工程安全技术交底

附着式升降脚手架工程安全技术交底_第1页
1/2
附着式升降脚手架工程安全技术交底_第2页
2/2
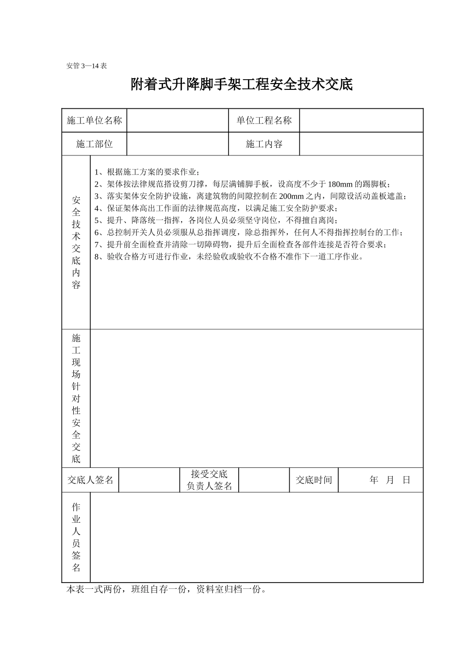
安管 3—14 表 附着式升降脚手架工程安全技术交底施工单位名称单位工程名称施工部位施工内容安全技术交底内容1、根据施工方案的要求作业;2、架体按法律规范搭设剪刀撑,每层满铺脚手板,设高度不少于 180mm 的踢脚板;3、落实架体安全防护设施,离建筑物的间隙控制在 200mm 之内,间隙设活动盖板遮盖;4、保证架体高出工作面的法律规范高度,以满足施工安全防护要求;5、提升、降落统一指挥,各岗位人员必须坚守岗位,不得擅自离岗;6、总控制开关人员必须服从总指挥调度,除总指挥外,任何人不得指挥控制台的工作;7、提升前全面检查并清除一切障碍物,提升后全面检查各部件连接是否符合要求;8、验收合格方可进行作业,未经验收或验收不合格不准作下一道工序作业。施工现场针对性安全交底交底人签名接受交底负责人签名交底时间年 月 日作业人员签名本表一式两份,班组自存一份,资料室归档一份。

1、当您付费下载文档后,您只拥有了使用权限,并不意味着购买了版权,文档只能用于自身使用,不得用于其他商业用途(如 [转卖]进行直接盈利或[编辑后售卖]进行间接盈利)。
2、本站所有内容均由合作方或网友上传,本站不对文档的完整性、权威性及其观点立场正确性做任何保证或承诺!文档内容仅供研究参考,付费前请自行鉴别。
3、如文档内容存在违规,或者侵犯商业秘密、侵犯著作权等,请点击“违规举报”。

碎片内容

附着式升降脚手架工程安全技术交底

确认删除?
VIP
微信客服
  • 扫码咨询
会员Q群
  • 会员专属群点击这里加入QQ群
客服邮箱
回到顶部