电脑桌面
添加小米粒文库到电脑桌面
安装后可以在桌面快捷访问

隧道工程现场施工原始记录

隧道工程现场施工原始记录_第1页
1/18
隧道工程现场施工原始记录_第2页
2/18
隧道工程现场施工原始记录_第3页
3/18
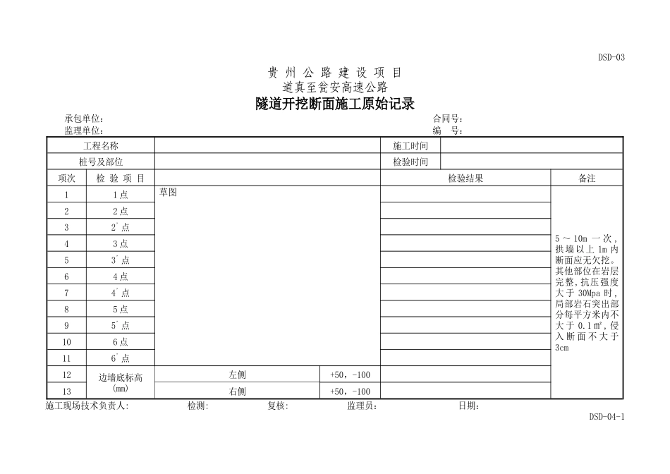
DSD-01贵 州 公 路 建 设 项 目道真至瓮安高速公路隧道超前导洞开挖工程原始记录承包单位:合同号:监理单位: 编 号:工程名称施工时间桩号及部位检验时间序号检测项目规定值或允许偏差检验方法(频率)实测数据备注自检监理1拱部超挖(mm)Ⅰ,Ⅱ类围岩平均 100,最大 150每 20m 用尺量 1 个断面Ⅲ~Ⅴ 类围岩平均 100,最大 200Ⅵ 类围岩平均 100,最大 2002宽度(mm)每侧+100,-0每 20m 用尺量,每侧 1 处全宽+200,-03边墙、墙角、仰拱连接处(mm)欠挖+30基本要求必须先探明隧道的工程地质和水文地质情况,才可能进行开挖。严格控制欠挖,侧墙墙角和以上部分严禁欠挖,临时支护部分以确保安全可靠来控制欠挖量。开挖轮廓要留支撑沉落量及变形量,以防止出现净空不够的情况。导洞开挖,必须清除大浮石,并按设计要求及时进行导洞临时或永久锚喷支护。开挖情况描述:施工现场技术负责人: 记录: 监理员: 日期:DSD-02贵 州 公 路 建 设 项 目道真至瓮安高速公路隧道超前支护施工原始记录承包单位: 合同号:监理单位: 编 号:工程名称桩号桩号及部位开挖方法围 岩 类别设计进尺桩号实际开挖轮廓线内轮廓半径(cm)二衬厚度(cm)初支厚度(cm)预留变形量(cm)计(cm)设计实际超前支护性质类型规格长度(cm)根数环向夹角 º纵向排距(cm)外插角º注浆量(m3)设计实际施工时间检验时间施工断面桩号及编号123456789101112131415161718192021222324252627282930313233343536373839404142434445桩号_______ 及注浆量(m3)超前支护示意图检查结论承包人:监理:施工现场技术负责人: 记录: 监理员: 日期:DSD-03贵 州 公 路 建 设 项 目道真至瓮安高速公路隧道开挖断面施工原始记录承包单位: 合同号: 监理单位: 编 号:工程名称施工时间桩号及部位检验时间项次检 验 项 目检验结果备注11 点草图5 ~ 10m 一 次 , 拱墙以上 1m 内断面应无欠挖。其他部位在岩层完整,抗压强度大 于 30Mpa 时 ,局部岩石突出部分每平方米内不大 于 0.1 ㎡ , 侵入 断 面 不 大 于3cm22 点32’点43 点53’点64 点74’点85 点95’点106 点116’点12边墙底标高(mm)左侧+50,-10013右侧+50,-100施工现场技术负责人: 检测: 复核: 监理员: 日期:DSD-04-1贵 州 公 路 建 设 项 目道真至瓮安高速公路隧道现场监控量测施工原始记录(一)承包单位: 合 同 号:...

1、当您付费下载文档后,您只拥有了使用权限,并不意味着购买了版权,文档只能用于自身使用,不得用于其他商业用途(如 [转卖]进行直接盈利或[编辑后售卖]进行间接盈利)。
2、本站所有内容均由合作方或网友上传,本站不对文档的完整性、权威性及其观点立场正确性做任何保证或承诺!文档内容仅供研究参考,付费前请自行鉴别。
3、如文档内容存在违规,或者侵犯商业秘密、侵犯著作权等,请点击“违规举报”。

碎片内容

隧道工程现场施工原始记录

确认删除?
VIP
微信客服
  • 扫码咨询
会员Q群
  • 会员专属群点击这里加入QQ群
客服邮箱
回到顶部