电脑桌面
添加小米粒文库到电脑桌面
安装后可以在桌面快捷访问

项目五—任务一PLC控制三相异步电动机Y—△降压启动

项目五—任务一PLC控制三相异步电动机Y—△降压启动_第1页
1/4
项目五—任务一PLC控制三相异步电动机Y—△降压启动_第2页
2/4
项目五—任务一PLC控制三相异步电动机Y—△降压启动_第3页
3/4
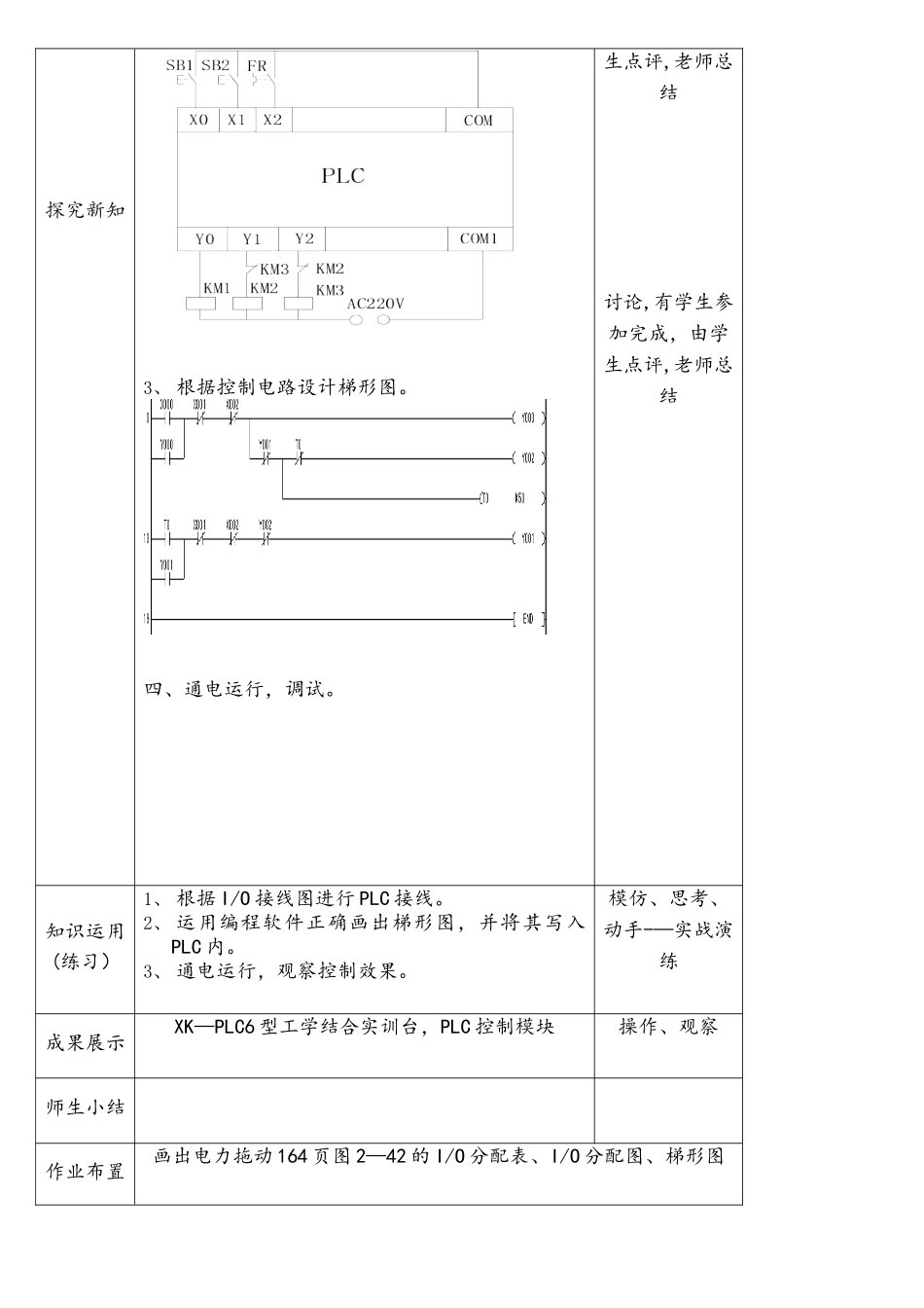
《PLC 控制技术》教案课 题项目五 任务一 PLC 控制三相异步电动机 Y—△降压启动授课老师王 楠专 业机电技术应用班 级授课时间年 月 日计划课时4学习目标知识与技能:1、会列出 I/0 分配表、PLC 接线图、梯形图。2、能熟练操作 SWOPC-FXGP/WIN—C 编程软件和对 PLC 的读写。过程与方法:1、熟练掌握定时器 T 的用法2、会对复杂继电控制电路进行 PLC 梯形图的转换。3、学会类比、比较和归纳总结学习方法。情感、态度与价值观:1、培育学生分析问题、解决问题的能力。2、在合作学习过程中,学会合作,形成合作精神和竞争意识。3、通过法律规范解题步骤,帮助学生养成严谨求实的科学态度。学习方法及策略讲解、演示、讨论教学重点1、能画出电动机 Y—△降压启动的 I/O 接线图.2、能用转换法设计电动机 Y—△降压启动梯形图。3、会在 PLC 上接电动机 Y—△降压启动电路.4、会用编程软件正确编出梯形图,并将程序写入 PLC 内。教学难点1、运用转化法将控制电路设计梯形图。2、掌握定时器 T 的用法。教学准备1、准备教材、教案、课件。 2、实训设备:电脑(要装有 SWOPC—FXGP/WIN-C 编程软件),XK—PLC6 工学结合实训台,连接导线若干。教 学 过 程教学环节老师活动学生活动情景创设高压离心风机由于电机的容量大,就存在启动时间长、启动电流大、运行安全可靠性差等问题,为了解决这些问题,需要实行在启动离心风机时减少启动负荷、通过Y—△降压启动来降低启动电流、进行安全互锁控制等措施。倾听,举例探究新知一、任务分析1、学生回答此图工作流程2、控制要求:(1)当接通三相电源时,电机 M 不运转;(2)当按下 SB1 起动按钮后,电机 M 为 Y 接法低压起动;(3)5s 后,电机 M 自动为△接法全压运行;(4)按下 SB2 停止按钮,电机 M 立即停止运行;(5)热继电器过载保护,若触点 FR 动作,电动机立即停止。二、用 PLC 控制电动机 Y—△降压启动设计步骤:1、根据电气原理图中控制电路画出 I/O 分配表(1)首先确定输入和输出器件有哪些? (2) 确定输入和输出器件的个数. 三个输入器件 SB1、SB2、FR,三个输出器件KM1、KM2 和 KM3。 (3)画出 I/O 分配表,如下:输入器件输出器件SB1→X0SB2→X1FR→X2KM1→Y0KM2→Y1KM3→Y22、根据 I/O 分配表画出 I/O 接线图。小组讨论然后回答学生阐述,老师归纳,总结学生回答倾听,思考,记录讨论,有学生参加完成,由学探究新知3、 ...

1、当您付费下载文档后,您只拥有了使用权限,并不意味着购买了版权,文档只能用于自身使用,不得用于其他商业用途(如 [转卖]进行直接盈利或[编辑后售卖]进行间接盈利)。
2、本站所有内容均由合作方或网友上传,本站不对文档的完整性、权威性及其观点立场正确性做任何保证或承诺!文档内容仅供研究参考,付费前请自行鉴别。
3、如文档内容存在违规,或者侵犯商业秘密、侵犯著作权等,请点击“违规举报”。

碎片内容

项目五—任务一PLC控制三相异步电动机Y—△降压启动

您可能关注的文档

津创媒+ 关注
实名认证
内容提供者

欢迎交流文创,小店资料希望满足您的需要。

确认删除?
VIP
微信客服
  • 扫码咨询
会员Q群
  • 会员专属群点击这里加入QQ群
客服邮箱
回到顶部