电脑桌面
添加小米粒文库到电脑桌面
安装后可以在桌面快捷访问

高低压开关柜施工验收流程与验收内容

高低压开关柜施工验收流程与验收内容_第1页
1/223
高低压开关柜施工验收流程与验收内容_第2页
2/223
高低压开关柜施工验收流程与验收内容_第3页
3/223
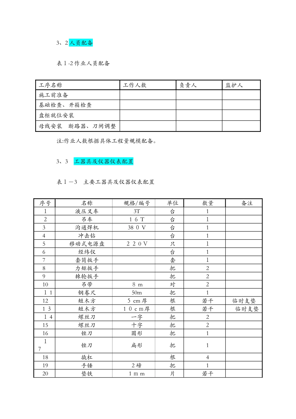
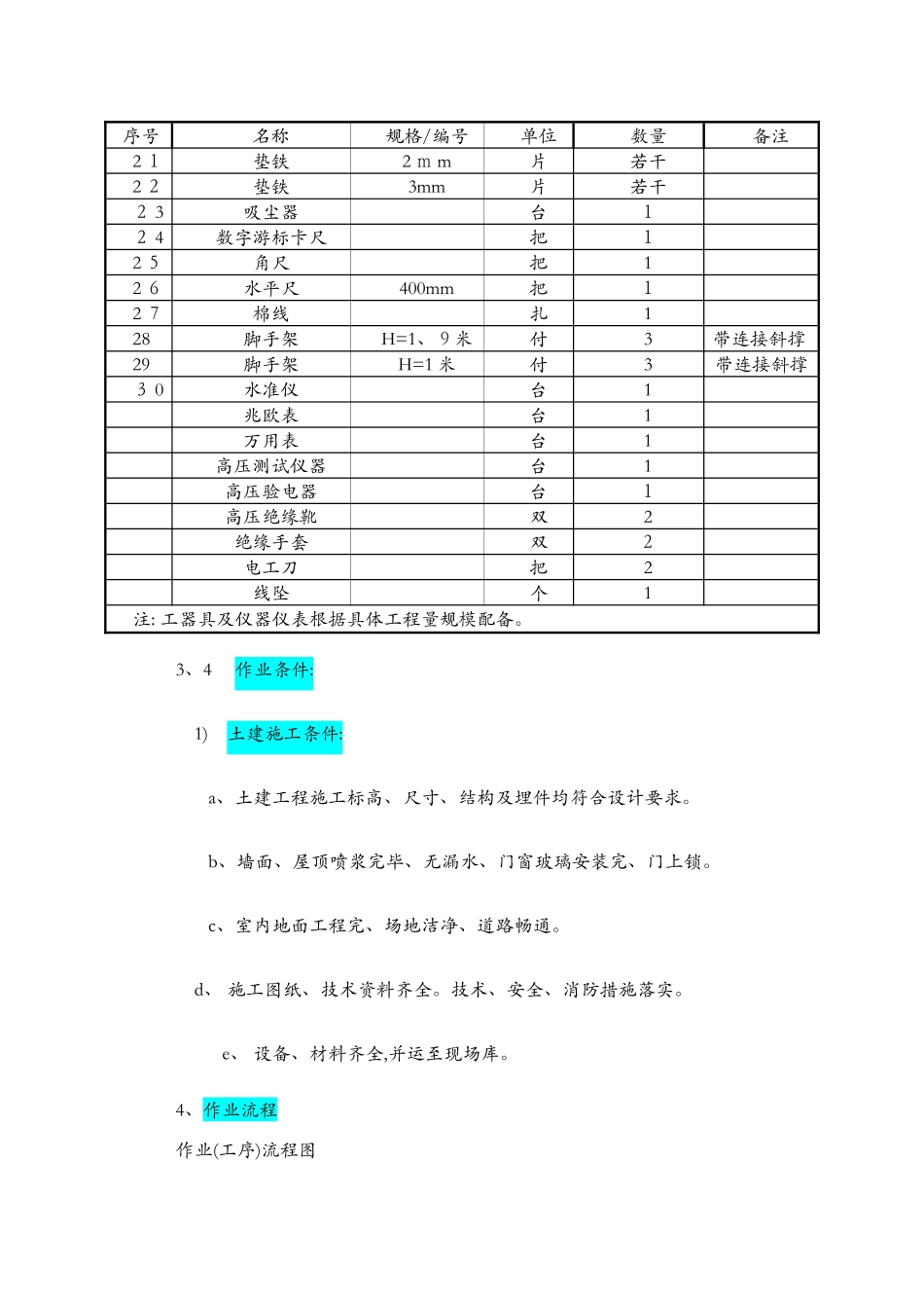
项目经理施工负责人 ()()作业长技术负责人安全员材料员资料员 第一篇 10~35 kV高压开关柜得安装和验收 I、 10~3 5k V 高压开关柜得安装 第一章 高压开关柜施工安装方案 1、 编写依据 表1-1 引用标准及法律规范名称序号 标准及法律规范名称1G B J147-9 0《电气装置安装工程 高压电器施工及验收法律规范》2D L 408-9 1《电业安全工作规程》(发电厂和变电所电气部分)3DL500 9、3-201 3《电力建设安全工作规程(变电所部分)》4Q/C S G10 0 01-2025《变电站安健环设施标准》5Q/CSG 1 000 7-2 01 1《电力设备预防性试验规程》6Q/C SG 10 0 1 7、2-20 07《1 0 kV~35kV 送变电工程质量检验及评定标准》7Q/C S G1 1 105、2-2 0 0 8《电气工程施工工艺控制法律规范》8G B 50150-2025《电气装置安装工程 电气设备交接试验标准》 9《施工图纸》2、 工程概况 对要施工得项目进行描述。3、作业准备3、1 施工组织机构项目经理: 作业长: 技术负责人:安全员负责人: 施工负责人: 3、2 人员配备表1-2 作业人员配备工序名称工作人数负责人监护人施工前准备基础检查、开箱检查盘柜就位安装母线安装 断路器、刀闸调整注:作业人数根据具体工程量规模配备。3、3 工器具及仪器仪表配置表1-3 主要工器具及仪器仪表配置序号名称规格/编号单位数量备注1液压叉车3T台12吊车1 6 T台13沟通焊机38 0 V台14冲击钻台15移动式电源盘22 0 V只16经纬仪台17套筒扳手套18力矩扳手把29棘轮扳手把210吊带8 m对21 1钢卷尺50m把112短木方5 cm 厚根若干临时支垫1 3短木方1 0 c m厚根若干临时支垫1 4螺丝刀一字把215螺丝刀十字把216锉刀圆形把117锉刀扁形把118撬杠根419手锤2 磅把120垫铁1 m m片若干序号名称规格/编号单位数量备注2 1垫铁2 m m片若干2 2垫铁3mm片若干2 3吸尘器台12 4数字游标卡尺把12 5角尺把12 6水平尺400mm把12 7棉线扎128脚手架H=1、9米付3带连接斜撑29脚手架H=1 米付3带连接斜撑3 0水准仪台1兆欧表台1万用表台1高压测试仪器台1高压验电器台1高压绝缘靴双2绝缘手套双2电工刀把2线坠个1注: 工器具及仪器仪表根据具体工程量规模配备。3、4 作业条件: 1) 土建施工条件: a、土建工程施工标高、尺寸、结构及埋件均符合设计要求。 b、墙面、屋顶喷浆完毕、无漏水、门窗玻璃安装完、门上锁。 c...

1、当您付费下载文档后,您只拥有了使用权限,并不意味着购买了版权,文档只能用于自身使用,不得用于其他商业用途(如 [转卖]进行直接盈利或[编辑后售卖]进行间接盈利)。
2、本站所有内容均由合作方或网友上传,本站不对文档的完整性、权威性及其观点立场正确性做任何保证或承诺!文档内容仅供研究参考,付费前请自行鉴别。
3、如文档内容存在违规,或者侵犯商业秘密、侵犯著作权等,请点击“违规举报”。

碎片内容

高低压开关柜施工验收流程与验收内容

您可能关注的文档

确认删除?
VIP
微信客服
  • 扫码咨询
会员Q群
  • 会员专属群点击这里加入QQ群
客服邮箱
回到顶部