电脑桌面
添加小米粒文库到电脑桌面
安装后可以在桌面快捷访问

2025年建设工程安全大检查检查表

2025年建设工程安全大检查检查表_第1页
1/13
2025年建设工程安全大检查检查表_第2页
2/13
2025年建设工程安全大检查检查表_第3页
3/13
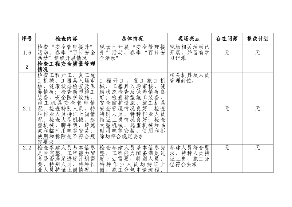
2025 年春季及迎峰度夏安全大检查检查表序号检查内容总体情况 现场亮点存在问题整改计划1检查监理自身安全及组织管理情况1.1检查安全帽等监理安全防护用品、检测仪器工器具的有效性和使用情况安全帽等监理安全防护用品、检测仪器工器具的均在有效期内并使用良好现场监理人员着装统一,并配备安全防护用品齐全使用良好无无1.2检查春节后复工检查组织开展情况复工后监理组织现场安全检查并留置记录监理部专门组织现场安全检查工作并对存在问题进行闭环现场材料堆放杂乱限期让施工项目部将问题整改到位1.3检查安全监理工作方案等策划文件的编制、实施及记录情况安全监理工作方案等策划文件的编制、实施良好,并留置相关记录安全监理工作方案等策划文件的编 制 、 实 施 良好,并留置相关记录无无1.4检查监理人员的开工前培训、交底情况监理人员的开工前培训、交底活动已开展,并留有相关记录监理部专门组织培训交底工作,并留有学习记录无无1.5检查监理人员人身风险隐患排查及治理情况监理人员人身风险隐患排查及治理良好人身风险隐患排查及治理良好无无序号检查内容总体情况 现场亮点存在问题整改计划1.6检查“安全管理提升”活动、春季“百日安全活动”组织开展情况现场已开展“安全管理提升”活动、春季“百日安全活动”现场相关活动已开展,并留有学习记录无无2检查工程安全质量管理情况2.1检查工程开工、复工施工机械、工器具入场审核、健康状态检查及保养情况;检查新型施工装备、安全防护设施、施 工 机 具 安 全 管 理 情况;检查特别人员、特种作业人员持证上岗情况;检查大型机械、起重机械、脚手架、跨越架和临时用电等安装、使用和拆除是否符合规定要求工 程 开 工 、 复 工 施 工 机械、工器具入场审核、健康状态检查及保养情况良好;检查新型施工装备、安全防护设施、施工机具安全管理情况良好;检查特别人员、特种作业人员持证上岗情况良好;检查大型机械、起重机械和临时用电等安装、使用和拆除均符合规定要求相关机具及人员管理到位,无无2.2检查参建人员基本信息是否完整,工程能力配备是否满足进度计划需要,特别人员、特种作业人员持证上岗情况,检查参建人员基本信息完整,工程能力配备满足进度计划需要,特别人员、特 种 作 业 人 员 均 持 证 上岗,施工分包申请流程、参建人员符合要求,特种人员持证上岗,施工分包符合要求无无序号检查内容总体情况 现场亮点存在问题整改计划施工分包申...

1、当您付费下载文档后,您只拥有了使用权限,并不意味着购买了版权,文档只能用于自身使用,不得用于其他商业用途(如 [转卖]进行直接盈利或[编辑后售卖]进行间接盈利)。
2、本站所有内容均由合作方或网友上传,本站不对文档的完整性、权威性及其观点立场正确性做任何保证或承诺!文档内容仅供研究参考,付费前请自行鉴别。
3、如文档内容存在违规,或者侵犯商业秘密、侵犯著作权等,请点击“违规举报”。

碎片内容

2025年建设工程安全大检查检查表

确认删除?
VIP
微信客服
  • 扫码咨询
会员Q群
  • 会员专属群点击这里加入QQ群
客服邮箱
回到顶部