电脑桌面
添加小米粒文库到电脑桌面
安装后可以在桌面快捷访问

4M变更管理实施办法

4M变更管理实施办法_第1页
1/8
4M变更管理实施办法_第2页
2/8
4M变更管理实施办法_第3页
3/8
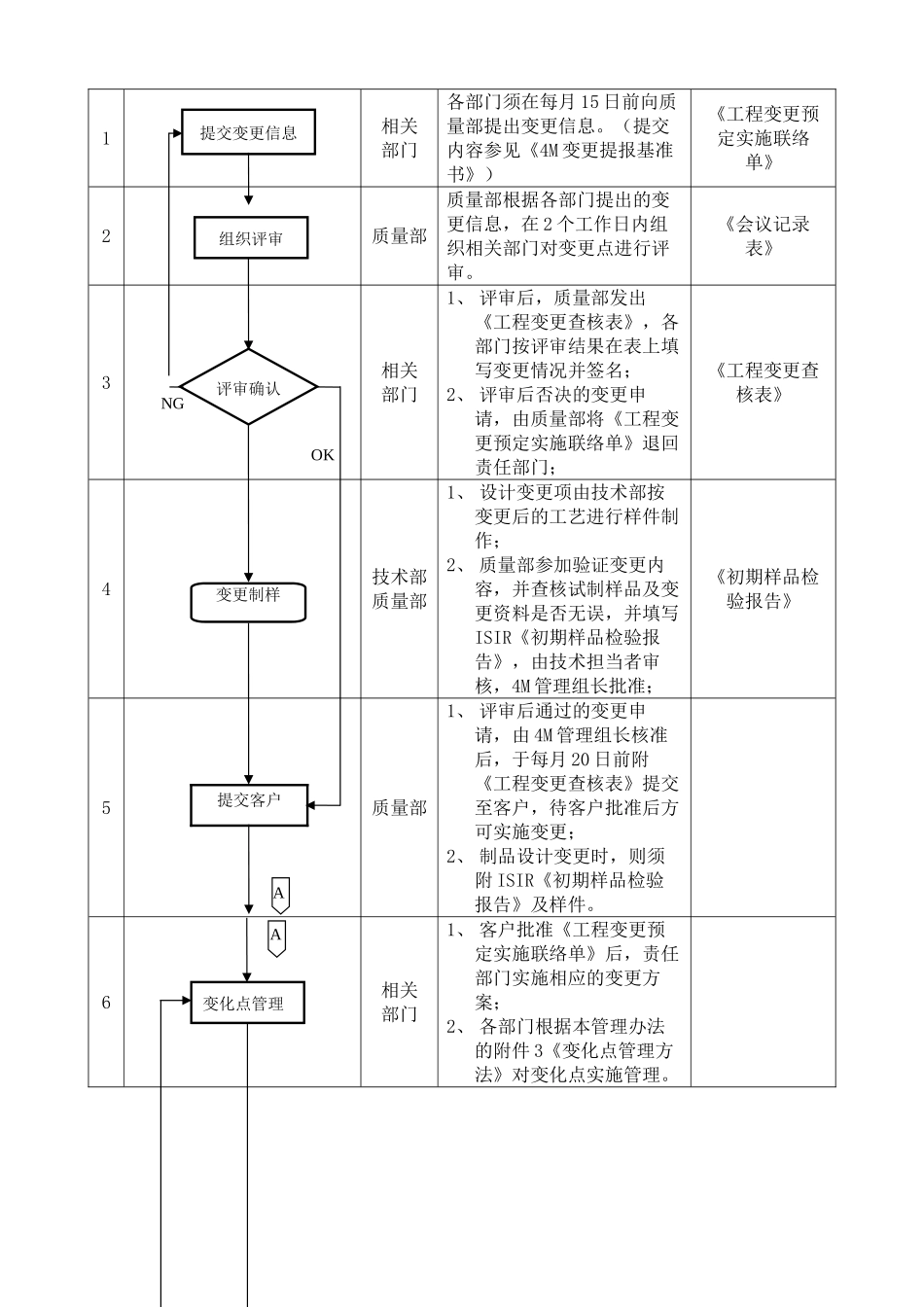
4M 变更管理实施办法1 目的对应 PPAP 后的产品 4M(人、机器、材料、方法)变更点的进行品质管制;管制项目为产品因人员变更、设计变更、设备变更、工法变更,包含二阶供应商及其物料产出变更(材料 、工法变更)、包装和交付方式变更等的品质管理,避开批量生产时制造部门因员工作业生疏和物料稳定性差异而造成产品品质不良,故制定 4M 变更管理实施办法。2 范围适用于所有产品的生产品质管理。3 定义3.1 4M 是指批量产品生产过程中,涉及影响产品质量特性四个因素,即人(Man)、机(Machine)、料(Material)、法(Method,含环境场所)。3.2 4M 变更3.2.1 人(Man):是指生产过程中作业者因缺勤、调动、离职、代岗或复岗时,由另一个新作业者代替进行作业时,所产生的变更;3.2.2 机(Machine):是指生产过程中的设备、模具、工装、夹具、检具的新增、修理、代用所产生的变更;3.2.3 料(Material):是指生产过程中的加工原物料、辅料、包装物资等所产生的变更;3.2.4 法(Method):是指生产过程中的工艺流程、工艺参数(设备参数、材料配比等)、检验方法、作业方法(制造、整理、包装、周转等)所产生产的变更。4 职责4.1 各部门:负责内部变更申请的提出,参加变更申请的评审,经评审后由实施部门负责执行变更;各 4M 变更实施部门要建立 4M 变更的台帐,记录变更的编号、产品型号和结果等。4.2 技术部:4.2.1 负责接收客户设计变更信息,并依据客户要求准备新产品样品交付;4.2.2 负责产品工艺流程、模具、工装、检具及方法等变更的实施。4.2.3 负责作业方法、设备变更的申请提出和实施;4.2.4 负责参加变更初期生产、质量的跟踪;4.3 生产部:4.3.1 负责执行变更后产品的生产过程控制,目视化揭示生产过程中的日变更点;4.3.2 负责作业人员变更的申请,并根据岗位技能矩阵进行资格验证,实施变更;4.3.3 负责对员工进行操作及相关培训指导,并对其做出评价;4.3.4 负责辅助变更点的作业记录标识和追溯;4.4 采购部:负责材料(含构成零部件)变更的申请提出和实施,及供应商的变更受理;4.5 销售部:负责客户提出的变更受理,负责收集客户的评审结果反馈至内部各部门;4.6 质量部:负责对变更事项进行监督及对变更的有效性进行跟踪确认,传递内部对供应商提出变更的评审结果。汇总 4M 变更结果,建立 4M 变更总台帐;4.7 仓储课:负责相关物料的区分和标识。5 工作流程序号主流程权责单...

1、当您付费下载文档后,您只拥有了使用权限,并不意味着购买了版权,文档只能用于自身使用,不得用于其他商业用途(如 [转卖]进行直接盈利或[编辑后售卖]进行间接盈利)。
2、本站所有内容均由合作方或网友上传,本站不对文档的完整性、权威性及其观点立场正确性做任何保证或承诺!文档内容仅供研究参考,付费前请自行鉴别。
3、如文档内容存在违规,或者侵犯商业秘密、侵犯著作权等,请点击“违规举报”。

碎片内容

4M变更管理实施办法

领读文化+ 关注
实名认证
内容提供者

传播文化,铸就未来

确认删除?
VIP
微信客服
  • 扫码咨询
会员Q群
  • 会员专属群点击这里加入QQ群
客服邮箱
回到顶部