电脑桌面
添加小米粒文库到电脑桌面
安装后可以在桌面快捷访问

52省道云寿线路面整治工程

52省道云寿线路面整治工程_第1页
1/36
52省道云寿线路面整治工程_第2页
2/36
52省道云寿线路面整治工程_第3页
3/36
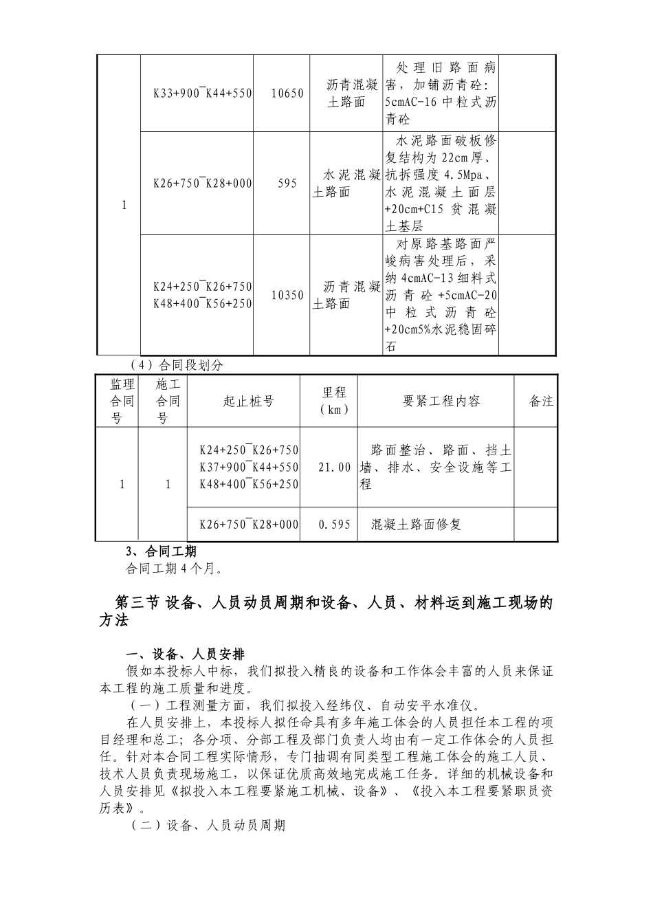
52 省道云寿线路面整治工程1、编制依据(1)2025 年度 52 省道云寿线(景宁境)路面整治工程《招标文件》、《技术法律规范》及有关文件;(2)2025 年度 52 省道云寿线(景宁境)路面整治工程施工设计图;(3)交通部颁发的《公路路基施工技术法律规范》、《路面基层施工技术法律规范》、《公路沥青路面施工技术法律规范》、《公路水泥混凝土路面施工技术法律规范》、《公路桥涵施工技术法律规范》、《公路工程国内招标文件范本》和《公路工程质量检验评定标准》等。(4)结合本地区施工条件和本公司从事同类型工程施工的实践体会和设备。第二节 工程概况1、项目环境(1)项目地点52 省道云寿线北起浙江省丽水市云和县,经景宁县,南接浙江省温州市泰顺县,与 53 省道丽浦线、56 省道瑞东线、58 省道分泰线等重要干线公路相互贯穿,是云和、景宁等县(市)连续泰顺等县(市)的重要通道之一。本次招标为景宁县境内 21 公里路面大、中修等项目。2、工程概况(1)工程简介52 省道云寿线(景宁境)2025 年度路面整治工程全长 21 公里:其中大修路线长 10.35 公里;中修路线长 10.65 公里;破板修复起点桩号 K26+750,终点桩号 K28+000(破板修复长度 595m,共 119 块)。中修:K33+900~K44+550 路段,路线长 10.65 公里,路基宽度为 8.5m。(2)技术标准本工程按交通部颁发的《公路工程技术标准》(JTG B01-2025);《公路路线设计法律规范》(JTJ001-94);《公路沥青路面设计法律规范》(JTG D50-2025);(公路沥青路面施工技术法律规范)(JTG F40-2025);《路面基层施工技术法律规范》(JTJ034-2000);《公路水泥混凝土路面设计法律规范》(JTG D40-2025);《公路水泥混凝土路面施工技术法律规范》(JTG F30-2025)等标准法律规范设计,本工程为二级公路山岭重丘标准,运算行车速度为 40Km/h,设计荷载汽—10、挂—100。路面设计标准轴载为 BZZ—100。(3)要紧工程内容a.路面工程(见下表)合同段起讫桩号长度(m)原路面形式改建形式备 注1K33+900~K44+55010650沥青混凝土路面处 理 旧 路 面 病害,加铺沥青砼:5cmAC-16 中粒式沥青砼K26+750~K28+000595水 泥 混 凝土路面水泥路面破板修复结构为 22cm 厚、抗拆强度 4.5Mpa、水 泥 混 凝 土 面 层+20cm+C15 贫 混 凝土基层K24+250~K26+750K48+400~K56+25010350沥 青 混 凝土路面对原路基路面严峻病害处理后,采纳 4cmAC-...

1、当您付费下载文档后,您只拥有了使用权限,并不意味着购买了版权,文档只能用于自身使用,不得用于其他商业用途(如 [转卖]进行直接盈利或[编辑后售卖]进行间接盈利)。
2、本站所有内容均由合作方或网友上传,本站不对文档的完整性、权威性及其观点立场正确性做任何保证或承诺!文档内容仅供研究参考,付费前请自行鉴别。
3、如文档内容存在违规,或者侵犯商业秘密、侵犯著作权等,请点击“违规举报”。

碎片内容

52省道云寿线路面整治工程

您可能关注的文档

MY shop+ 关注
实名认证
内容提供者

欢迎挑选适合自己的材料。

确认删除?
VIP
微信客服
  • 扫码咨询
会员Q群
  • 会员专属群点击这里加入QQ群
客服邮箱
回到顶部