电脑桌面
添加小米粒文库到电脑桌面
安装后可以在桌面快捷访问

ansys梁分析和横截面形状讲义

ansys梁分析和横截面形状讲义_第1页
1/10
ansys梁分析和横截面形状讲义_第2页
2/10
ansys梁分析和横截面形状讲义_第3页
3/10
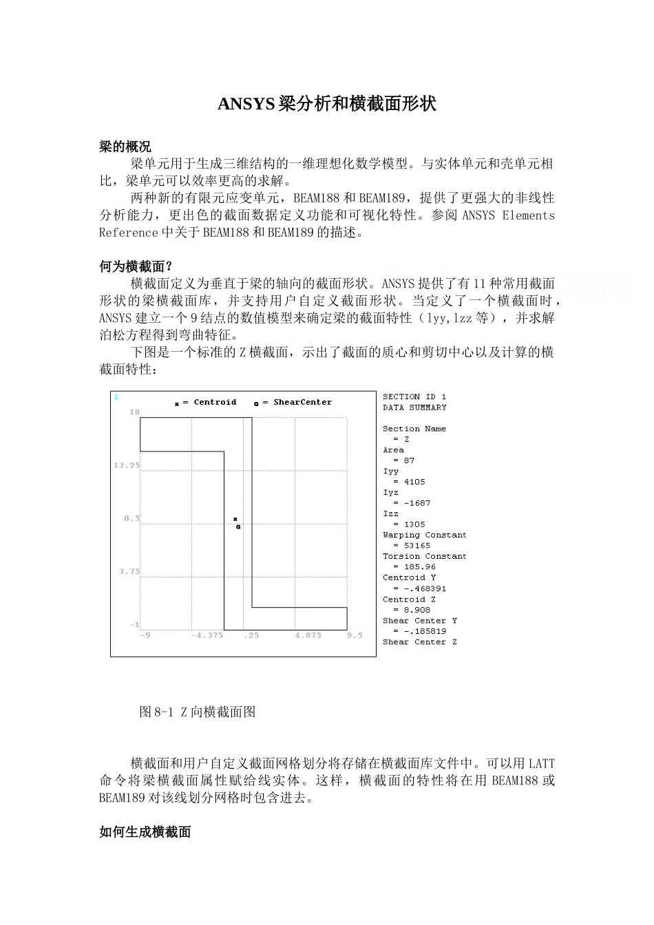
ANSYS 梁分析和横截面形状梁的概况梁单元用于生成三维结构的一维理想化数学模型。与实体单元和壳单元相比,梁单元可以效率更高的求解。两种新的有限元应变单元,BEAM188 和 BEAM189,提供了更强大的非线性分析能力,更出色的截面数据定义功能和可视化特性。参阅 ANSYS Elements Reference 中关于 BEAM188 和 BEAM189 的描述。何为横截面?横截面定义为垂直于梁的轴向的截面形状。ANSYS 提供了有 11 种常用截面形状的梁横截面库,并支持用户自定义截面形状。当定义了一个横截面时 ,ANSYS 建立一个 9 结点的数值模型来确定梁的截面特性(lyy,lzz 等),并求解泊松方程得到弯曲特征。下图是一个标准的 Z 横截面,示出了截面的质心和剪切中心以及计算的横截面特性: 图 8-1 Z 向横截面图横截面和用户自定义截面网格划分将存储在横截面库文件中。可以用 LATT命令将梁横截面属性赋给线实体。这样,横截面的特性将在用 BEAM188 或BEAM189 对该线划分网格时包含进去。如何生成横截面用下列步骤生成横截面:1. 定义截面并与代表相应截面形状的截面号关联。2. 定义截面的几何特性数值。ANSYS 中提供了下表列出的命令完成生成、查看、列表横截面和操作横截面库的功能:参阅 ANSYS Commands Reference 可以得到横截面命令的完整集合。 定义截面并与截面号关联 使用 SECTYPE 命令定义截面。下面的命令将截面号 2 与定义号的横截面形状(圆柱体)关联:命令:SECTYPE,2,BEAM,CSOLID SECDATA,5,8 SECNUM,2GUI: Main Menu>Preprocessor>Settings>-Beam-Common Sects Main Menu>Preprocessor>-Attributes-Define>Default Attribs要定义自己的横截面,使用子形状(ANSYS 提供的形状集合)MESH。要定义带特别特性如 lyy 和 lzz 的横截面,使用子形状 ASEC。 定义横截面的几何特性数值使用 SECDATA 命令定义横截面的几何数值。下面的命令将用 SECTYPE 命令定义的尺寸赋值给横截面。CSOLID 形状有两个尺寸:半径和周长上的格栅数目。命令:SECDATA,4,6GUI: Main Menu>Preprocessor>Sections>-Beam-Common Sects 用 BEAM188/BEAM189 单元划分线实体在用 BEAM188/BEAM189 单元划分线实体前,要定义一些属性,包括:要划分线的梁单元类型生成梁单元的横截面特性号以梁单元轴向为基准的横截面定位生成梁单元的材料特性号使用 LATT 命令将这些属性与线实体关联:命令:LATT,MAT,,TYPE,,K...

1、当您付费下载文档后,您只拥有了使用权限,并不意味着购买了版权,文档只能用于自身使用,不得用于其他商业用途(如 [转卖]进行直接盈利或[编辑后售卖]进行间接盈利)。
2、本站所有内容均由合作方或网友上传,本站不对文档的完整性、权威性及其观点立场正确性做任何保证或承诺!文档内容仅供研究参考,付费前请自行鉴别。
3、如文档内容存在违规,或者侵犯商业秘密、侵犯著作权等,请点击“违规举报”。

碎片内容

ansys梁分析和横截面形状讲义

您可能关注的文档

确认删除?
VIP
微信客服
  • 扫码咨询
会员Q群
  • 会员专属群点击这里加入QQ群
客服邮箱
回到顶部