电脑桌面
添加小米粒文库到电脑桌面
安装后可以在桌面快捷访问

cfg桩复合地基处理设计课程设计

cfg桩复合地基处理设计课程设计_第1页
1/9
cfg桩复合地基处理设计课程设计_第2页
2/9
cfg桩复合地基处理设计课程设计_第3页
3/9
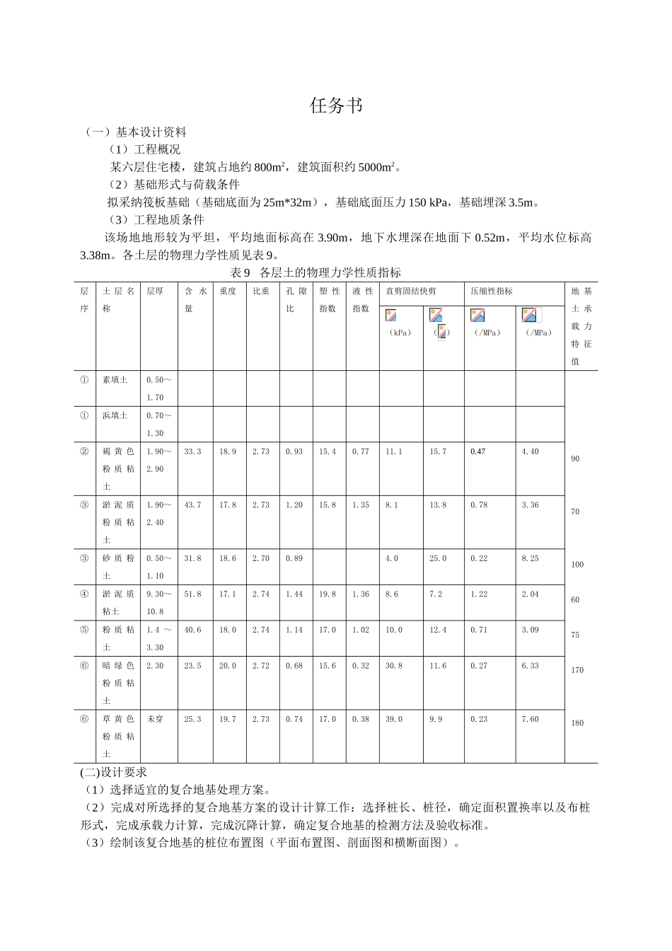
《地基处理》课程设计 姓 名: 班 级: 学 号: 2025.9目录一、任务书二、复合地基设计1、方案选择2、桩长及桩径的选择3、布置方式的设计4、承载力计算5、软弱下卧层验算6、沉降计算7、质量控制与检验任务书(一)基本设计资料(1)工程概况某六层住宅楼,建筑占地约 800m2,建筑面积约 5000m2。(2)基础形式与荷载条件 拟采纳筏板基础(基础底面为 25m*32m),基础底面压力 150 kPa,基础埋深 3.5m。(3)工程地质条件该场地地形较为平坦,平均地面标高在 3.90m,地下水埋深在地面下 0.52m,平均水位标高3.38m。各土层的物理力学性质见表 9。表 9 各层土的物理力学性质指标层序土 层 名称层厚含 水量重度比重孔 隙比塑 性指数液 性指数直剪固结快剪压缩性指标地 基土 承载 力特 征值(kPa)()(/MPa)(/MPa)①素填土0.50~1.7090701006075170180①浜填土0.70~1.30②褐 黄 色粉 质 粘土1.90~2.9033.318.92.730.9315.40.7711.115.70.474.40③淤 泥 质粉 质 粘土1.90~2.4043.717.82.731.2015.81.358.113.80.783.36③砂 质 粉土0.50~1.1031.818.62.700.894.025.00.228.25④淤 泥 质粘土9.30~10.851.817.12.741.4419.81.368.67.21.222.04⑤粉 质 粘土1.4 ~3.3040.618.02.741.1417.01.0210.012.40.713.09⑥暗 绿 色粉 质 粘土2.3023.520.02.720.6815.60.3230.811.60.276.33⑥草 黄 色粉 质 粘土未穿25.319.72.730.7417.00.3839.09.90.237.60(二)设计要求(1)选择适宜的复合地基处理方案。(2)完成对所选择的复合地基方案的设计计算工作:选择桩长、桩径,确定面积置换率以及布桩形式,完成承载力计算,完成沉降计算,确定复合地基的检测方法及验收标准。(3)绘制该复合地基的桩位布置图(平面布置图、剖面图和横断面图)。(4)编制复合地基的设计施工说明。复合地基设计 为方便计算取土层分部为:素填土 1.5m;滨填土 1.2m;褐黄色粉质粘土 2.8m;淤泥质粉质粘土 2.4m;砂质粉土 1.1m;淤泥质粘土 10m;粉质粘土 3m;暗绿色粉质粘土 2m。一、方案选择 本方案选用 CFG 桩进行设计。二、桩长及桩径的选择桩长取 15m,桩径 d=400mm。三、布置方式的设计 采纳等边三角形布桩,桩间距 s=1.0m。取复合地基土膨胀系数为 1.2,复合地基面积置换率为 四、承载力计算 根据任务书中桩长的要求: 对于复合地基中加固桩体长度(加固深度)的选择,应该根据土层分布、工程要 ...

1、当您付费下载文档后,您只拥有了使用权限,并不意味着购买了版权,文档只能用于自身使用,不得用于其他商业用途(如 [转卖]进行直接盈利或[编辑后售卖]进行间接盈利)。
2、本站所有内容均由合作方或网友上传,本站不对文档的完整性、权威性及其观点立场正确性做任何保证或承诺!文档内容仅供研究参考,付费前请自行鉴别。
3、如文档内容存在违规,或者侵犯商业秘密、侵犯著作权等,请点击“违规举报”。

碎片内容

cfg桩复合地基处理设计课程设计

确认删除?
VIP
微信客服
  • 扫码咨询
会员Q群
  • 会员专属群点击这里加入QQ群
客服邮箱
回到顶部