电脑桌面
添加小米粒文库到电脑桌面
安装后可以在桌面快捷访问

E504结晶器进料冷却器校核报告

E504结晶器进料冷却器校核报告_第1页
1/10
E504结晶器进料冷却器校核报告_第2页
2/10
E504结晶器进料冷却器校核报告_第3页
3/10
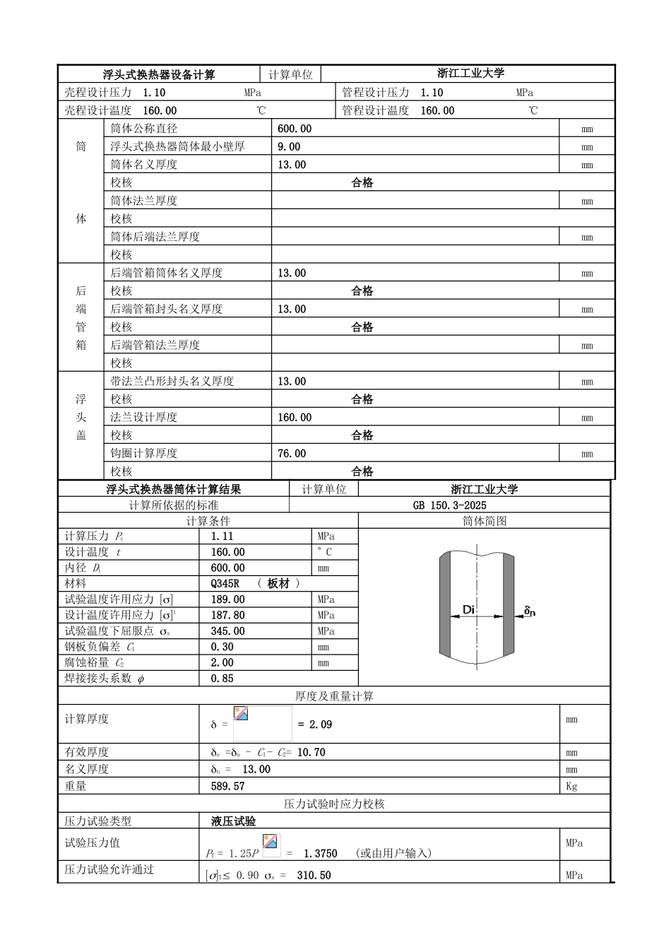
浮头式换热器设备计算计算单位 浙江工业大学 壳程设计压力 1.10 MPa管程设计压力 1.10 MPa壳程设计温度 160.00 ℃管程设计温度 160.00 ℃筒体公称直径600.00mm筒浮头式换热器筒体最小壁厚9.00mm筒体名义厚度13.00mm校核 合格筒体法兰厚度mm体校核 筒体后端法兰厚度mm校核 后端管箱筒体名义厚度13.00mm后校核 合格端后端管箱封头名义厚度13.00mm管校核 合格箱后端管箱法兰厚度mm校核 带法兰凸形封头名义厚度13.00mm浮校核 合格头法兰设计厚度160.00mm盖校核 合格钩圈计算厚度76.00mm校核 合格浮头式换热器筒体计算结果计算单位浙江工业大学计算所依据的标准GB 150.3-2025 计算条件筒体简图计算压力 Pc 1.11MPa设计温度 t 160.00 C内径 Di 600.00mm材料 Q345R ( 板材 )试验温度许用应力  189.00MPa设计温度许用应力 t 187.80MPa试验温度下屈服点 s 345.00MPa钢板负偏差 C1 0.30mm腐蚀裕量 C2 2.00mm焊接接头系数  0.85厚度及重量计算计算厚度  = = 2.09mm有效厚度 e =n - C1- C2= 10.70mm名义厚度 n = 13.00mm重量 589.57Kg压力试验时应力校核压力试验类型 液压试验试验压力值PT = 1.25P = 1.3750 (或由用户输入)MPa压力试验允许通过T 0.90 s = 310.50MPa的应力水平 T试验压力下圆筒的应力 T = = 46.16 MPa校核条件 T T校核结果 合格压力及应力计算最大允许工作压力 [Pw]= = 5.59372MPa设计温度下计算应力 t = = 31.68MPat 159.63MPa校核条件t ≥t结论 合格后端管箱筒体计算结果计算单位浙江工业大学计算所依据的标准GB 150.3-2025 计算条件筒体简图计算压力 Pc 1.10MPa设计温度 t 160.00 C内径 Di 600.00mm材料 Q345R ( 板材 )试验温度许用应力  189.00MPa设计温度许用应力 t 187.80MPa试验温度下屈服点 s 345.00MPa钢板负偏差 C1 0.30mm腐蚀裕量 C2 2.00mm焊接接头系数  0.85厚度及重量计算计算厚度  = = 2.07mm有效厚度 e =n - C1- C2= 10.70mm名义厚度 n = 13.00mm重量 196.52Kg压力试验时应力校核压力试验类型 液压试验试验压力值PT = 1.25P = 1.3750 (或由用户输入)MPa压力试验允许通过的应力水平 TT 0.90 s = 310.50MPa试验压力下圆筒的应力 T = = 46.16 MPa校核...

1、当您付费下载文档后,您只拥有了使用权限,并不意味着购买了版权,文档只能用于自身使用,不得用于其他商业用途(如 [转卖]进行直接盈利或[编辑后售卖]进行间接盈利)。
2、本站所有内容均由合作方或网友上传,本站不对文档的完整性、权威性及其观点立场正确性做任何保证或承诺!文档内容仅供研究参考,付费前请自行鉴别。
3、如文档内容存在违规,或者侵犯商业秘密、侵犯著作权等,请点击“违规举报”。

碎片内容

E504结晶器进料冷却器校核报告

办公文档专营+ 关注
实名认证
内容提供者

大量办公文档,欢迎选择

确认删除?
VIP
微信客服
  • 扫码咨询
会员Q群
  • 会员专属群点击这里加入QQ群
客服邮箱
回到顶部