电脑桌面
添加小米粒文库到电脑桌面
安装后可以在桌面快捷访问

PVC-波纹管技术规范VIP专享

PVC-波纹管技术规范_第1页
1/7
PVC-波纹管技术规范_第2页
2/7
PVC-波纹管技术规范_第3页
3/7
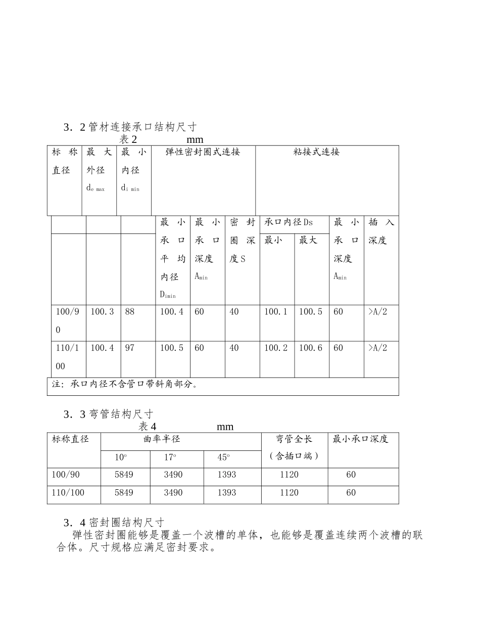
PVC 波纹管技术法律规范目 录1.工程概述2.引用标准3.管材结构尺寸4.要紧技术要求5.各项指标的测试方法6.标志、储存及环境性能1 工程概述本技术法律规范书适用于中国网通公司城域网工程硬聚氯乙烯塑料双壁波浪管(以下简称:管材)。本文件所引用的标准为我国国家标准和信息产业部标准。关于那些在本文件中未作规定的,而我国国家标准和信息产业部标准已有规定的,应满足我国国家和信息产业部有关标准。管道设计使用寿命不应少于 50 年。投标方所提供的管道必须是通过现场验证过的,并至少有 500 公里以上,为两个电信主管部门提供一年以上的中意运行。投标方应在投标书中提供购买这类管道的用户证明,其中包括投入实际运营的电信主管部门的名称、地址、传真和电话号码、设备的类型、验收数据及应用地点等。招标方保留证实所供管道性能的权力,如有必要,可现场调查。本文件讲明权属于招标方。引用标准本法律规范所列各种指标,应符合下列国家标准或原邮电部标准。GB 2918—82塑料试样状态调剂和试验的标准环境GB 8804.2—88 热塑性塑料管材拉伸性能试验方法 聚乙烯管材GB 8805—88硬质塑料管材弯曲度测定方法GB 8806—88塑料管材尺寸测量方法GB/T 9647—88塑料管材耐外负荷试验方法GB/T 14152—93热塑性塑料管材耐外冲击性能试验方法真实冲击率法ZB G33 008—89聚氯乙烯塑料波浪电线管管材结构尺寸3.1 硬聚氯乙烯管结构尺寸表 1 mm标称直径 外径承诺偏差最小内径di min管长100/90+0.3-0.6886000±30110/100+0.4-0.7976000±303.2 管材连接承口结构尺寸 表 2 mm标 称直径最 大外径de max最 小内径di min 弹性密封圈式连接 粘接式连接最 小承 口平 均内径Dimin最 小承 口深度Amin密 封圈 深度 S承口内径 Ds最 小承 口深度Amin插 入深度最小最大100/90100.388100.46040100.1100.560>A/2110/100100.497100.56040100.2100.660>A/2注:承口内径不含管口带斜角部分。3.3 弯管结构尺寸 表 4 mm标称直径 曲率半径 弯管全长(含插口端)最小承口深度 10o 17o 45o100/90 5849 3490 1393 1120 60110/100 5849 3490 1393 1120 603.4 密封圈结构尺寸 弹性密封圈能够是覆盖一个波槽的单体,也能够是覆盖连续两个波槽的联合体。尺寸规格应满足密封要求。要紧技术要求4.1 颜色管材的色泽应平均一致,颜色一样选黑色或灰色,由供需双方商定,但必须有不于当地其他同类型埋地塑料管。穿放于...

1、当您付费下载文档后,您只拥有了使用权限,并不意味着购买了版权,文档只能用于自身使用,不得用于其他商业用途(如 [转卖]进行直接盈利或[编辑后售卖]进行间接盈利)。
2、本站所有内容均由合作方或网友上传,本站不对文档的完整性、权威性及其观点立场正确性做任何保证或承诺!文档内容仅供研究参考,付费前请自行鉴别。
3、如文档内容存在违规,或者侵犯商业秘密、侵犯著作权等,请点击“违规举报”。

碎片内容

PVC-波纹管技术规范

确认删除?
VIP
微信客服
  • 扫码咨询
会员Q群
  • 会员专属群点击这里加入QQ群
客服邮箱
回到顶部