电脑桌面
添加小米粒文库到电脑桌面
安装后可以在桌面快捷访问

XSXFM0106质量记录一览表

XSXFM0106质量记录一览表_第1页
1/2
XSXFM0106质量记录一览表_第2页
2/2
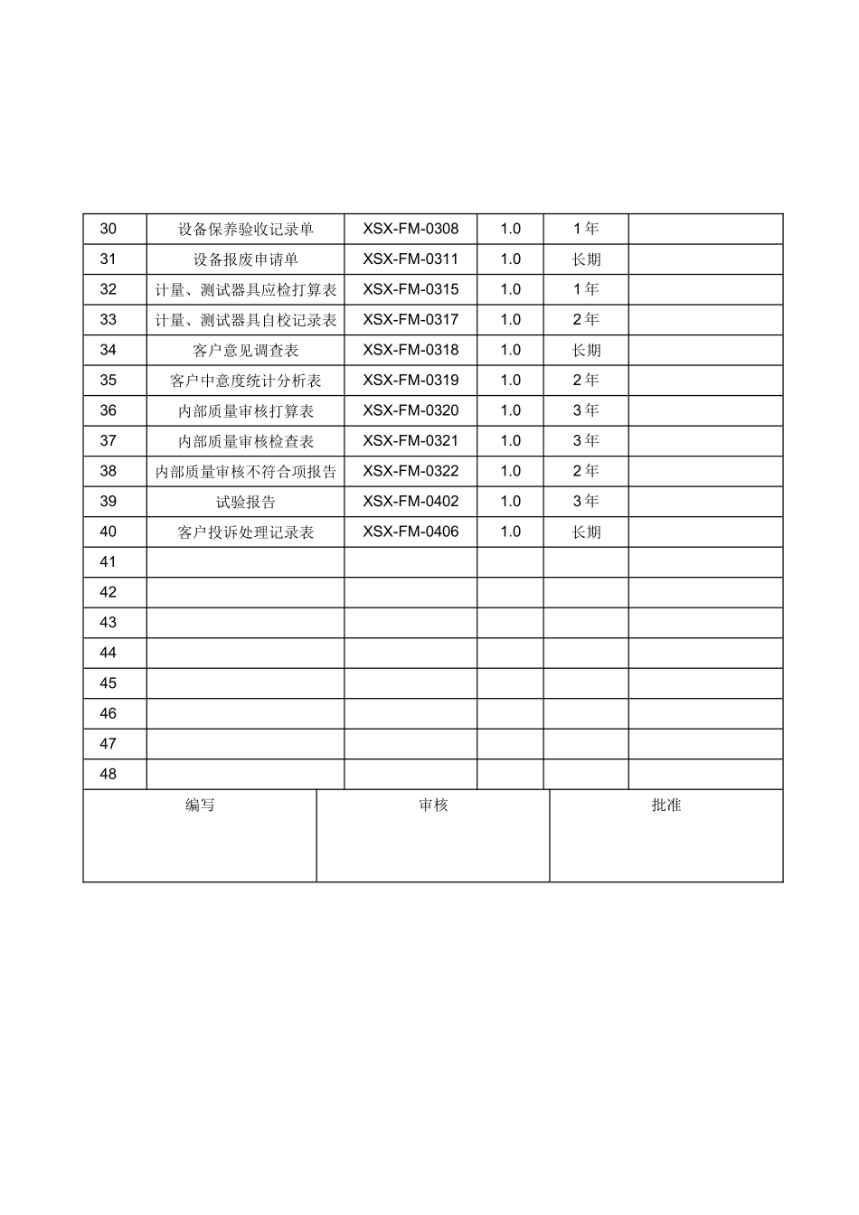
XSX表 单 名 称表单编号 版次储存期限备 注1文件名目XSX-FM-01011.0长期2文件分发记录XSX-FM-01021.0长期3文件增改申请单XSX-FM-01031.0长期4文件分发名单XSX-FM-01041.0长期5档案索引XSX-FM-01051.0长期6质量记录一览表XSX-FM-01061.0长期7会议记录3 年8培训需求调查表XSX-FM-01111.02 年9年度培训打算XSX-FM-01121.02 年10职员培训履历表XSX-FM-01131.011上裹通知单XSX-FM-01141.03 年12签到表XSX-FM-01151.01 年13培训实施报告书XSX-FM-01161.01 年14培训成绩表XSX-FM-01171.03 年15联 络 单XSX-FM-02011.03 年16合同评审表XSX-FM-02021.03 年17 记录单XSX-FM-02031.01 年18采购打算表XSX-FM-02061.01 年19采购订单XSX-FM-02071.0长期20供应商调查评审表XSX-FM-02111.0长期21合格供应商名单XSX-FM-02121.0长期22供应商交货质量记录XSX-FM-02131.02 年23生产打算单XSX-FM-03011.02 年24工序记录表XSX-FM-03021.02 年25生产日报表XSX-FM-03031.01 年26专门报告XSX-FM-03041.01 年27设备一览表XSX-FM-03051.0长期28检测/生产设备履历表XSX-FM-03061.0设备报废后序号表 单 名 称表单编号 版次储存期限备 注29设备点检记录表XSX-FM-03071.01 年30设备保养验收记录单XSX-FM-03081.01 年31设备报废申请单XSX-FM-03111.0长期32计量、测试器具应检打算表XSX-FM-03151.01 年33计量、测试器具自校记录表XSX-FM-03171.02 年34客户意见调查表XSX-FM-03181.0长期35客户中意度统计分析表XSX-FM-03191.02 年36内部质量审核打算表XSX-FM-03201.03 年37内部质量审核检查表XSX-FM-03211.03 年38内部质量审核不符合项报告XSX-FM-03221.02 年39试验报告XSX-FM-04021.03 年40客户投诉处理记录表XSX-FM-04061.0长期4142434445464748编写审核批准

1、当您付费下载文档后,您只拥有了使用权限,并不意味着购买了版权,文档只能用于自身使用,不得用于其他商业用途(如 [转卖]进行直接盈利或[编辑后售卖]进行间接盈利)。
2、本站所有内容均由合作方或网友上传,本站不对文档的完整性、权威性及其观点立场正确性做任何保证或承诺!文档内容仅供研究参考,付费前请自行鉴别。
3、如文档内容存在违规,或者侵犯商业秘密、侵犯著作权等,请点击“违规举报”。

碎片内容

XSXFM0106质量记录一览表

确认删除?
VIP
微信客服
  • 扫码咨询
会员Q群
  • 会员专属群点击这里加入QQ群
客服邮箱
回到顶部