电脑桌面
添加小米粒文库到电脑桌面
安装后可以在桌面快捷访问

三十研究所安装施工组织设计

三十研究所安装施工组织设计_第1页
1/26
三十研究所安装施工组织设计_第2页
2/26
三十研究所安装施工组织设计_第3页
3/26
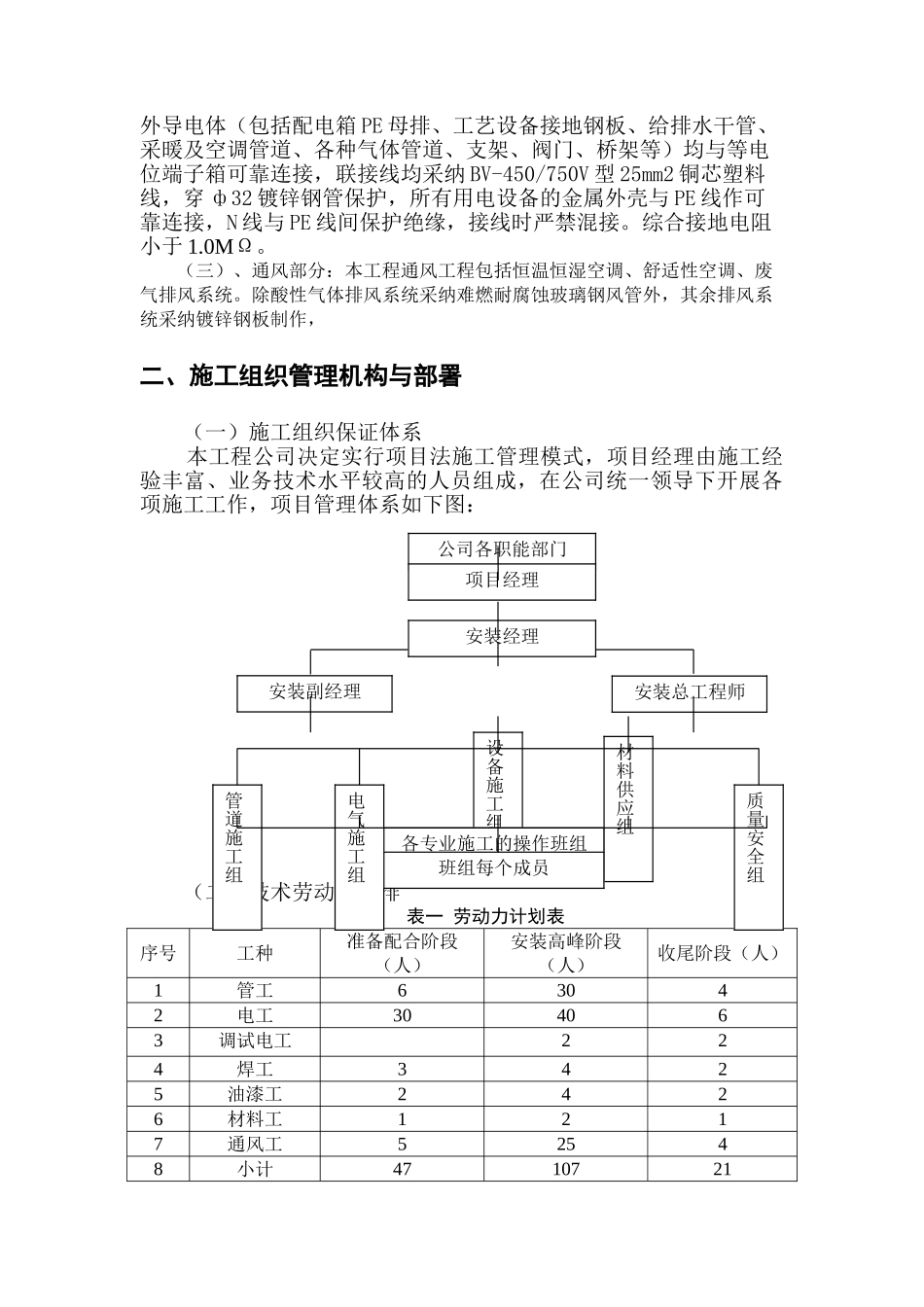
中国某集团公司第三十讨论所应急生产专项建设工程水电安装施工组织设计四川省某建设工程有限公司二 00 六年七月十日目 录一、工程概况......................................................................................3二、施工组织管理机构与部署..........................................................4三、主要施工方法及技术措施..........................................................6(一)施工工序及工艺流程..............................................................6(二)管道工程施工的主要方法及技术措施..................................7(三)电气工程施工主要方法及措施............................................17(四)通风、空调工程施工主要方法及措施................................29四、与土建施工配合........................................................................35五、成品保护....................................................................................38六、质量控制及保证措施................................................................39七、施工进度计划和工期保证措施................................................43八、安全生产及标准化文明施工....................................................44一、工程概况(一)、管道部分室内生产、生活给水管采纳内筋嵌入衬塑钢管,快装连接件连接;消防水管采纳热镀锌钢管,螺纹连接;压缩空气管道采纳不锈钢无缝钢管,焊接;排水管全部采纳 PVC—U 塑料排水管,承插粘接出户管采纳加厚型 3.2mm 川路 UPVC 排水管。(二)、电气部分本工程强电包括电力、照明系统、防雷接地;电源由变配电站用电缆引来。带电体为三相四线制配电系统,系统的接地形式采纳TN-S 系统,PE 线与 N 线严格分开,配电箱体与 PE 线可靠连接,配电方式采纳树干式、放射式相结合的混合配电方式。除配电柜落地安装外,其余电力、照明配电箱明装或暗装,底边距地 1.5m;开关底边距地1.3m,暗装;普通插座、柜式空调插座底边距地 0.3m,暗装;空调壁挂机插座底边距地 1.8m,暗装;电力、插座及照明线路采纳桥架或钢管敷设。本建筑利用建筑物基础作为接地体,在建筑内设等电位联结端子箱,采纳-40×4 镀锌扁钢将各层等电位联结端子箱电气连通,并与就近柱上预埋钢板焊接连通,所有电气装置的外露...

1、当您付费下载文档后,您只拥有了使用权限,并不意味着购买了版权,文档只能用于自身使用,不得用于其他商业用途(如 [转卖]进行直接盈利或[编辑后售卖]进行间接盈利)。
2、本站所有内容均由合作方或网友上传,本站不对文档的完整性、权威性及其观点立场正确性做任何保证或承诺!文档内容仅供研究参考,付费前请自行鉴别。
3、如文档内容存在违规,或者侵犯商业秘密、侵犯著作权等,请点击“违规举报”。

碎片内容

三十研究所安装施工组织设计

您可能关注的文档

确认删除?
VIP
微信客服
  • 扫码咨询
会员Q群
  • 会员专属群点击这里加入QQ群
客服邮箱
回到顶部