电脑桌面
添加小米粒文库到电脑桌面
安装后可以在桌面快捷访问

不同基底材料交接处抹灰开裂加强钢网施工工法

不同基底材料交接处抹灰开裂加强钢网施工工法_第1页
1/5
不同基底材料交接处抹灰开裂加强钢网施工工法_第2页
2/5
不同基底材料交接处抹灰开裂加强钢网施工工法_第3页
3/5
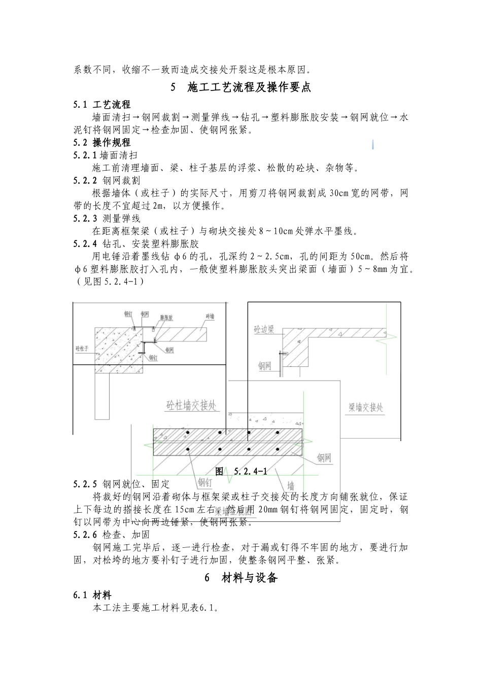
不同基底材料交接处抹灰开裂加强钢网施工工法XX 有限公司 XX XX XXXX 有限责任公司 XX XX1 前 言随着人们生态保护意识的不断增强以及国家相关建筑环保节能政策、文件的出台,传统的粘土实心砖基本上被禁止使用于墙体材料,框架结构填充墙体大多要求使用混凝土小型砌块、轻质材料砌块。混凝土小型砌块、轻质材料砌块具有环保、重量轻、节能等优点,但是也有由于收缩性大而导致墙体开裂的缺点。特别是填充墙体与砼结构柱子、梁等构件的交接处,施工完成后抹灰层被拉裂的现象比较普遍,这种现象的结果直接导致到房子外墙体漏水、影响使用和美观。根据《建筑装饰装修工程质量验收法律规范》(GB50210-2001)“不同材料基体交接表面抹灰,应实行防止开裂的加强措施”的要求,我们在 XX 商厦、XX 商业街等工程施工过程中,与设计及监理和甲方进行探讨,实行钢网加强防裂的措施,使工程墙体抹灰施工质量达到了预期的目标,为总结经验,编制此工法。2 工法特点2.1 使用本工法操作简单,材料采纳市场成品,质量容易保证;2.2 施工速度快,质量可靠耐久、造价低,效果明显;不同的基地材料均可使用,适应性强;2.3 不产生污染现场的废水、废渣。3 适用范围不同材料基体交接处框架结构填充墙体。4 工艺原理4.1 填充墙与混凝土构件交接处抹灰开裂的原因:4.1.1 材质原因。由于填充墙使用的砌块的线膨胀系数不同,收缩不一致而造成交接处开裂,这是根本原因。4.1.2 施工工艺原因。墙体施工工艺不符合要求,抹灰砂浆材料及工艺不符合要求等是人为因素造成的,是次要因素。4.2 填充墙与混凝土构件交接处防裂钢网工法的措施:通过以上的分析,墙体施工工艺不符合要求,抹灰砂浆材料及工艺不符合要求等人为因素,一般根据法律规范进行施工均可避开。4.2.1 本工法主要是采纳在填充墙与混凝土构件交接处设置加强钢网,通过一定的施工工艺,使钢网能与抹灰层共同作用,从跟本上解决由于材质的线膨胀系数不同,收缩不一致而造成交接处开裂这是根本原因。5 施工工艺流程及操作要点5.1 工艺流程墙面清扫→钢网裁割→测量弹线→钻孔→塑料膨胀胶安装→钢网就位→水泥钉将钢网固定→检查加固、使钢网张紧。5.2 操作规程5.2.1 墙面清扫施工前清理墙面、梁、柱子基层的浮浆、松散的砼块、杂物等。5.2.2 钢网裁割根据墙体(或柱子)的实际尺寸,用剪刀将钢网裁割成 30cm 宽的网带,网带的长度不宜超过 2m,以方便操作。5.2.3 测量弹线在距离框...

1、当您付费下载文档后,您只拥有了使用权限,并不意味着购买了版权,文档只能用于自身使用,不得用于其他商业用途(如 [转卖]进行直接盈利或[编辑后售卖]进行间接盈利)。
2、本站所有内容均由合作方或网友上传,本站不对文档的完整性、权威性及其观点立场正确性做任何保证或承诺!文档内容仅供研究参考,付费前请自行鉴别。
3、如文档内容存在违规,或者侵犯商业秘密、侵犯著作权等,请点击“违规举报”。

碎片内容

不同基底材料交接处抹灰开裂加强钢网施工工法

您可能关注的文档

确认删除?
VIP
微信客服
  • 扫码咨询
会员Q群
  • 会员专属群点击这里加入QQ群
客服邮箱
回到顶部