电脑桌面
添加小米粒文库到电脑桌面
安装后可以在桌面快捷访问

主阀及附属设备单元工程安装质量验收评定表

主阀及附属设备单元工程安装质量验收评定表_第1页
1/8
主阀及附属设备单元工程安装质量验收评定表_第2页
2/8
主阀及附属设备单元工程安装质量验收评定表_第3页
3/8
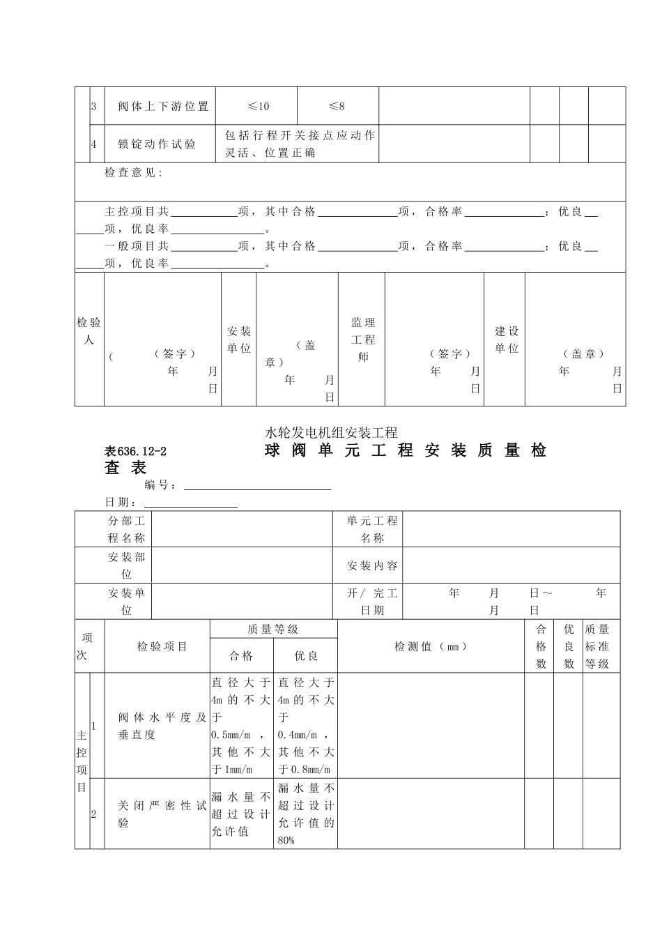
水轮发电机组安装工程表 636.12 主 阀 及 附 属 设 备 单 元 工 程安 装 质 量 验 收 评 定 表单 位 工 程 名称单 元 工 程 量 分 部 工 程 名称安 装 单 位 单 元 工 程 名称 、 部 位评 定 日 期项次项 目主 控 项 目一 般 项 目合 格数优 良数合 格数优 良 数1 蝴 蝶 阀 单 元 工 程 安 装 质 量 ( 见 表 636.12-1 )2 球 阀 单 元 工 程 安 装 质 量 ( 见 表 636.12-2 )3 筒 形 阀 单 元 工 程 安 装 质 量 ( 见 表 636.12-3 )4 伸 缩 节 单 元 工 程 安 装 质 量 ( 见 表 636.12-4 )5 附 件 和 操 作 机 构 单 元 工 程 安 装 质 量 ( 见 表 636.12-5 )各 项 试 验 和 试 运 转 符 合 本 标 准 和 相 关 专 业 标 准 的 规 定 ( 见 表636.12-1 )主 要 部 件 调 试 及 操 作 试 验 质量 见 表 A.0.2-2)安装单位自评意见主 要 部 件 调 试 及 操 作 试 验 符 合 要 求 , 各 项 报 验 资 料 符 合 规 定 。 检 验 项 目 全 部 合 格 。检 验 项 目 优 良 标 准 率 为 , 其 中 主 控 项 目 优 良 标 准 率 为 ,单 元 工 程 安 装 质 量 评 定 验 收 等 级 为 : 。( 签 字 , 加 盖 公 章 ) 年 月 日监理单位意见主 要 部 件 调 试 及 操 作 试 验 符 合 要 求 , 各 项 报 验 资 料 符 合 规 定 。 检 验 项 目 全 部 合 格 。检 验 项 目 优 良 标 准 率 为 , 其 中 主 控 项 目 优 良 标 准 率 为 ,单 元 工 程 安 装 质 量 评 定 验 收 等 级 为 : 。( 签 字 , 加 盖 公 章 ) 年 月 日建设单位意见( 签 字 , 加 盖 公 章 ) 年 月 日水轮发电机组安装工程表636.12-1 蝴 蝶 阀 单 元 工 程 安 装 质 量检 查 表编 号 : 日 期 : 分 部 工程 名 称单 元 工 程名 称 安 装 部位安 装 内 容 安 装 单位开 / 完 工日 期年 月 日 ~ 年 月 日项次检 验 项 目质 量 等 级检 测 值 ( mm )合 格数优良数质 量标 准等 级合 格优 良主控项目1阀 体 水 平 度 及...

1、当您付费下载文档后,您只拥有了使用权限,并不意味着购买了版权,文档只能用于自身使用,不得用于其他商业用途(如 [转卖]进行直接盈利或[编辑后售卖]进行间接盈利)。
2、本站所有内容均由合作方或网友上传,本站不对文档的完整性、权威性及其观点立场正确性做任何保证或承诺!文档内容仅供研究参考,付费前请自行鉴别。
3、如文档内容存在违规,或者侵犯商业秘密、侵犯著作权等,请点击“违规举报”。

碎片内容

主阀及附属设备单元工程安装质量验收评定表

您可能关注的文档

确认删除?
VIP
微信客服
  • 扫码咨询
会员Q群
  • 会员专属群点击这里加入QQ群
客服邮箱
回到顶部