电脑桌面
添加小米粒文库到电脑桌面
安装后可以在桌面快捷访问

乐昌至广州高速公路桥梁墩柱系梁及盖梁施工方案

乐昌至广州高速公路桥梁墩柱系梁及盖梁施工方案_第1页
1/25
乐昌至广州高速公路桥梁墩柱系梁及盖梁施工方案_第2页
2/25
乐昌至广州高速公路桥梁墩柱系梁及盖梁施工方案_第3页
3/25
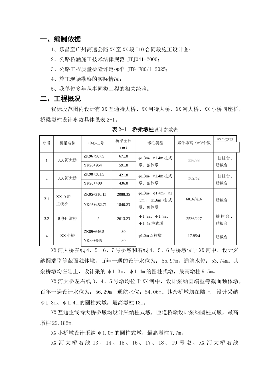
乐昌至广州高速公路 XX 至 XX 段 桥梁墩柱、系梁及盖梁施工方案编 制: 审 核: 审 批: 目 录一、编制依据.......................................................................................................................1二、工程概况.......................................................................................................................1三、施工工艺流程、方法...................................................................................................23.1 总体施工方案、流程..................................................................................................23.2 施工方法......................................................................................................................33.2.1 圆柱墩施工...........................................................................................................33.2.2 墩柱施工技术措施...............................................................................................73.2.3 桩系梁施工...........................................................................................................83.2.4 墩系梁施工...........................................................................................................93.2.5 圆端型等截面独体墩施工.................................................................................113.2.6 盖梁施工.............................................................................................................13四、资源配置及进度指标.................................................................................................174.1 人员配备....................................................................................................................174.2 机械配置....................................................................................................................174.3 进度指标....................................................................................................................18五、质量保...

1、当您付费下载文档后,您只拥有了使用权限,并不意味着购买了版权,文档只能用于自身使用,不得用于其他商业用途(如 [转卖]进行直接盈利或[编辑后售卖]进行间接盈利)。
2、本站所有内容均由合作方或网友上传,本站不对文档的完整性、权威性及其观点立场正确性做任何保证或承诺!文档内容仅供研究参考,付费前请自行鉴别。
3、如文档内容存在违规,或者侵犯商业秘密、侵犯著作权等,请点击“违规举报”。

碎片内容

乐昌至广州高速公路桥梁墩柱系梁及盖梁施工方案

您可能关注的文档

雏圣文化+ 关注
实名认证
内容提供者

欢迎光临,大量办公文档供您挑选。

确认删除?
VIP
微信客服
  • 扫码咨询
会员Q群
  • 会员专属群点击这里加入QQ群
客服邮箱
回到顶部