电脑桌面
添加小米粒文库到电脑桌面
安装后可以在桌面快捷访问

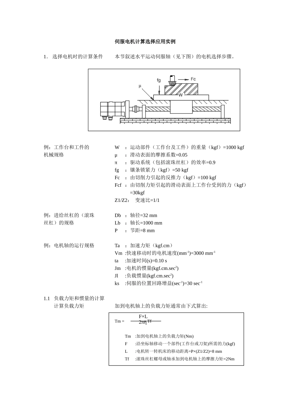
伺服电机计算选择应用实例

伺服电机计算选择应用实例_第1页
1/21
伺服电机计算选择应用实例_第2页
2/21
伺服电机计算选择应用实例_第3页
3/21
伺服电机计算选择应用实例1. 选择电机时的计算条件本节叙述水平运动伺服轴(见下图)的电机选择步骤。例:工作台和工件的W:运动部件(工作台及工件)的重量(kgf)=1000 kgf机械规格μ:滑动表面的摩擦系数=0.05π:驱动系统(包括滚珠丝杠)的效率=0.9fg:镶条锁紧力(kgf)=50 kgfFc:由切削力引起的反推力(kgf)=100 kgfFcf :由切削力矩引起的滑动表面上工作台受到的力(kgf)=30kgfZ1/Z2: 变速比=1/1例:进给丝杠的(滚珠Db :轴径=32 mm丝杠)的规格Lb:轴长=1000 mmP:节距=8 mm例:电机轴的运行规格Ta:加速力矩(kgf.cm)Vm :快速移动时的电机速度(mm-1)=3000 mm-1ta:加速时间(s)=0.10 sJm:电机的惯量(kgf.cm.sec2)Jl:负载惯量(kgf.cm.sec2)ks:伺服的位置回路增益(sec-1)=30 sec-11.1 负载力矩和惯量的计算计算负载力矩加到电机轴上的负载力矩通常由下式算出:Tm = + TfTm:加到电机轴上的负载力矩(Nm)F:沿坐标轴移动一个部件(工作台或刀架)所需的力(kgf)L:电机转一转机床的移动距离=P×(Z1/Z2)=8 mmTf:滚珠丝杠螺母或轴承加到电机轴上的摩擦力矩=2NmF×L2πη无论是否在切削,是垂直轴还是水平轴,F 值取决于工作台的重量,摩擦系数。若坐标轴是垂直轴,F 值还与平衡锤有关。对于水平工作台,F 值可按下列公式计算:不切削时:F = μ(W+fg) 例如:F=0.05×(1000+50)=52.5 (kgf)Tm = (52.5×0.8) / (2×μ×0.9)+2=9.4(kgf.cm)= 0.9(Nm)切削时:F = Fc+μ(W+fg+Fcf)例如:F=100+0.05×(1000+50+30)=154(kgf)Tmc=(154×0.8) / (2×μ×0.9)+2=21.8(kgf.cm)=2.1(Nm)为了满足条件 1,应根据数据单选择电机,其负载力矩在不切削时应大于 0.9(Nm),最高转速应高于 3000(min-1)。考虑到加/减速,可选择 α2/3000(其静止时的额定转矩为 2.0 Nm)。·注计算力矩时,要注意以下几点:。考虑由镶条锁紧力(fg)引起的摩擦力矩根据运动部件的重量和摩擦系数计算的力矩通常相当小。镶条锁紧力和滑动表面的质量对力矩有很大影响。。滚珠丝杠的轴承和螺母的预加负荷,丝杠的预应力及其它一些因素有可能使得滚动接触的 Fc 相当大。小型和轻型机床其摩擦力矩会大大影响电机的承受的力矩。。考虑由切削力引起的滑动表面摩擦力(Fcf)的增加。切削力和驱动力通常并不作用在一个公共点上如下图所示。当切削力很大时,造成的力矩会增加滑动表面的负载。当计算切削时的力矩时要考虑由负载引起的摩擦力矩。。...

1、当您付费下载文档后,您只拥有了使用权限,并不意味着购买了版权,文档只能用于自身使用,不得用于其他商业用途(如 [转卖]进行直接盈利或[编辑后售卖]进行间接盈利)。
2、本站所有内容均由合作方或网友上传,本站不对文档的完整性、权威性及其观点立场正确性做任何保证或承诺!文档内容仅供研究参考,付费前请自行鉴别。
3、如文档内容存在违规,或者侵犯商业秘密、侵犯著作权等,请点击“违规举报”。

碎片内容

伺服电机计算选择应用实例

确认删除?
VIP
微信客服
  • 扫码咨询
会员Q群
  • 会员专属群点击这里加入QQ群
客服邮箱
回到顶部