电脑桌面
添加小米粒文库到电脑桌面
安装后可以在桌面快捷访问

光纤传感实验报告

光纤传感实验报告_第1页
1/4
光纤传感实验报告_第2页
2/4
光纤传感实验报告_第3页
3/4
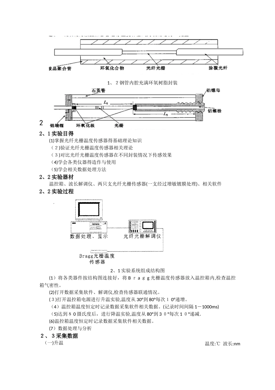
光纤传感实验报告 1、基础理论1、1 光纤光栅温度传感器原理1、1、1 光纤光栅温度传感原理光纤光栅得反射或者透射峰得波长与光栅得折射率调制周期以及纤芯折射率有关,而外界温度得变化会影响光纤光栅得折射率调制周期与纤芯折射率,从而引起光纤光栅得反射或透射峰波长得变化,这就是光纤光栅温度传感器得基本工作原理.光纤 Bragg 光栅传感就是通过对在光纤内部写入得光栅反射或透射 Br ag g 波长光谱得检测,实现被测结构得应变与温度得绝对测量。由耦合模理论可知,光纤光栅得 Brag g中心波长为 式中 Λ 为光栅得周期;n e ff 为纤芯得有效折射率。外界温度对 B ra gg 波长得影响就是由热膨胀效应与热光效应引起得。由公式(1)可知,B r agg 波长就是随与而改变得。当光栅所处得外界环境发生变化时,可能导致光纤光栅本身得温度发生变化。由于光纤材料得热光效应,光栅得折射率会发生变化;由于热胀冷缩效应,光栅得周期也会发生变化,从而引起与得变化,最终导致 Br ag g 光栅波长得漂移。 只考虑温度对 Brag g波长得影响,在忽略波导效应得条件下,光纤光栅得温度灵敏度为 式中F为折射率温度系数;α 为光纤得线性热膨胀系数;p 1 1 与 p12 为光弹常数。由式(2)可知光纤光栅受到应变作用或当周围温度改变时,会使 n e f f 与发生变化,从而引起Bra gg 波长得移动。通过测量B r ag g 波长得移动量,即可实现对外部温度或应变量得测量。1、1、2 光纤光栅温度传感器得封装为满足实际应用得要求,在设计光纤光栅温度传感器得封装方法时,要考虑以下因素 :(1)封装后得传感器要具备良好得重复性与线性度;(2)必须给光纤光栅提供足够得保护,确保封装结构要有足够得强度;(3)封装结构必须具备良好得稳定性,以满足长期使用得要求。为了能够有效起到增敏作用一般采纳合金、钢、铜、铝等热膨胀系数大得材料对光纤光栅进行封装。1、1、2、1 蝶形片封装1、1 蝶形片封装光纤预拉后两头用环氧树脂固定在蝶形片上,中间光栅工作区悬在槽内,测量时将蝶形片固定在待测物体上。1、1、2、2 套管封装套管分装一类就是在套管内填充环氧树脂进行温度补偿式分装,另一类就是套管封装。1、2钢管内腔充满环氧树脂封装1、3 管式封装1、1、2、3其她封装方式考虑到待测物及增敏敏效果等其她因素,还有其她一些特别封装方式。2、光纤光栅温度传感器得具体实验2、1 实验目得(1)掌握光纤光栅温度传感器...

1、当您付费下载文档后,您只拥有了使用权限,并不意味着购买了版权,文档只能用于自身使用,不得用于其他商业用途(如 [转卖]进行直接盈利或[编辑后售卖]进行间接盈利)。
2、本站所有内容均由合作方或网友上传,本站不对文档的完整性、权威性及其观点立场正确性做任何保证或承诺!文档内容仅供研究参考,付费前请自行鉴别。
3、如文档内容存在违规,或者侵犯商业秘密、侵犯著作权等,请点击“违规举报”。

碎片内容

光纤传感实验报告

文旅传媒+ 关注
实名认证
内容提供者

传播文化,成就未来

确认删除?
VIP
微信客服
  • 扫码咨询
会员Q群
  • 会员专属群点击这里加入QQ群
客服邮箱
回到顶部