电脑桌面
添加小米粒文库到电脑桌面
安装后可以在桌面快捷访问

初步验收意见书

初步验收意见书_第1页
1/5
初步验收意见书_第2页
2/5
初步验收意见书_第3页
3/5
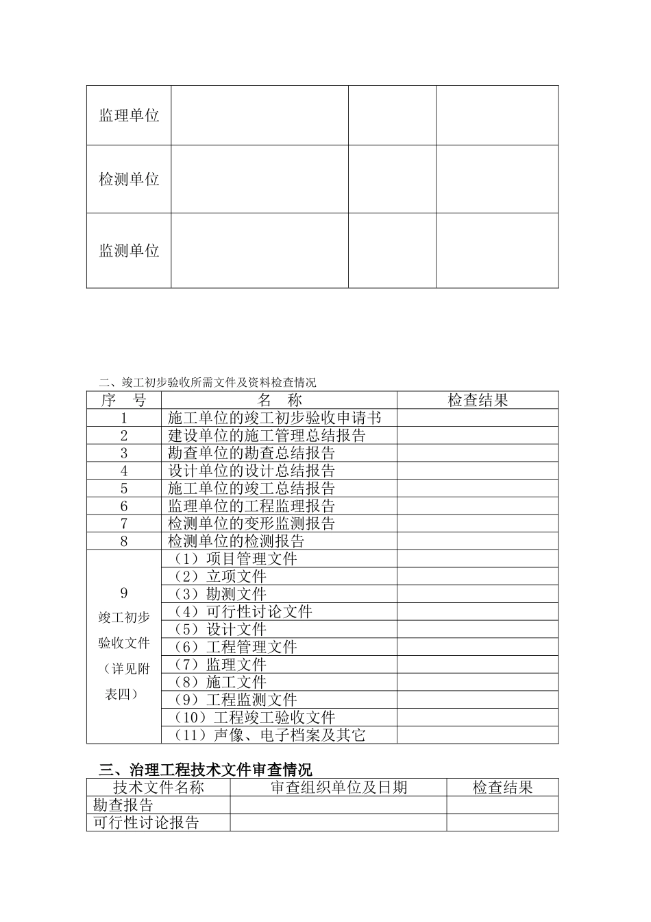
四川省地震灾区重大地质灾害治理工程竣工初步验收意见书工程名称: 工程地址: 开工日期: 年 月 日竣工日期: 年 月 日验收组织部门: 初步验收日期: 年 月 日一、治理工程基本情况工程名称工程地址工程类型工程级别工程概算工程结算参见单位、资质及检查符合情况单位名称单位资质检查符合情况勘查单位设计单位施工单位监理单位检测单位监测单位二、竣工初步验收所需文件及资料检查情况序 号名 称检查结果1施工单位的竣工初步验收申请书2建设单位的施工管理总结报告3勘查单位的勘查总结报告4设计单位的设计总结报告5施工单位的竣工总结报告6监理单位的工程监理报告7检测单位的变形监测报告8检测单位的检测报告9竣工初步验收文件(详见附表四)(1)项目管理文件(2)立项文件(3)勘测文件(4)可行性讨论文件(5)设计文件(6)工程管理文件(7)监理文件(8)施工文件(9)工程监测文件(10)工程竣工验收文件(11)声像、电子档案及其它三、治理工程技术文件审查情况技术文件名称审查组织单位及日期检查结果勘查报告可行性讨论报告初步设计报告施工图设计报告设计重大变更文件四、工程参建单位选定情况单位类别名称选定形式战表代理机构批准文件及文号、日期检查结果勘查单位设计单位施工单位监理单位监测单位检测单位五、工程竣工初步验收专家组意见1、执行基本建设程序的情况:2、对工程管理的评价:3、对工程施工的评价:4、对工程监理的评价:5、对工程监测的评价:6、对工程检测的评价:7、对工程质量(基本要求)的检查意见:8:对工程实物的检查意见:9、对工程外观的检查意见:10、对文件资料的检查意见:11、对工程竣工初步验收的综合意见:12、要求进行整改的意见:施工质量工程验收组签字专家组职务姓 名职称、职务单 位签 名组长副组长成员成员成员成员成员成员六、被验收单位意见建设单位意见:负责人签字:监理单位意见:负责人签字:施工单位意见:负责人签字:设计单位意见:负责人签字:勘查单位意见:负责人签字:监测单位意见:负责人签字:参加验收的各参建单位人员签字栏签 名单位职称与职务日 期

1、当您付费下载文档后,您只拥有了使用权限,并不意味着购买了版权,文档只能用于自身使用,不得用于其他商业用途(如 [转卖]进行直接盈利或[编辑后售卖]进行间接盈利)。
2、本站所有内容均由合作方或网友上传,本站不对文档的完整性、权威性及其观点立场正确性做任何保证或承诺!文档内容仅供研究参考,付费前请自行鉴别。
3、如文档内容存在违规,或者侵犯商业秘密、侵犯著作权等,请点击“违规举报”。

碎片内容

初步验收意见书

您可能关注的文档

确认删除?
VIP
微信客服
  • 扫码咨询
会员Q群
  • 会员专属群点击这里加入QQ群
客服邮箱
回到顶部