电脑桌面
添加小米粒文库到电脑桌面
安装后可以在桌面快捷访问

剪力墙结构大模板普通混凝土施工工艺

剪力墙结构大模板普通混凝土施工工艺_第1页
1/4
剪力墙结构大模板普通混凝土施工工艺_第2页
2/4
剪力墙结构大模板普通混凝土施工工艺_第3页
3/4
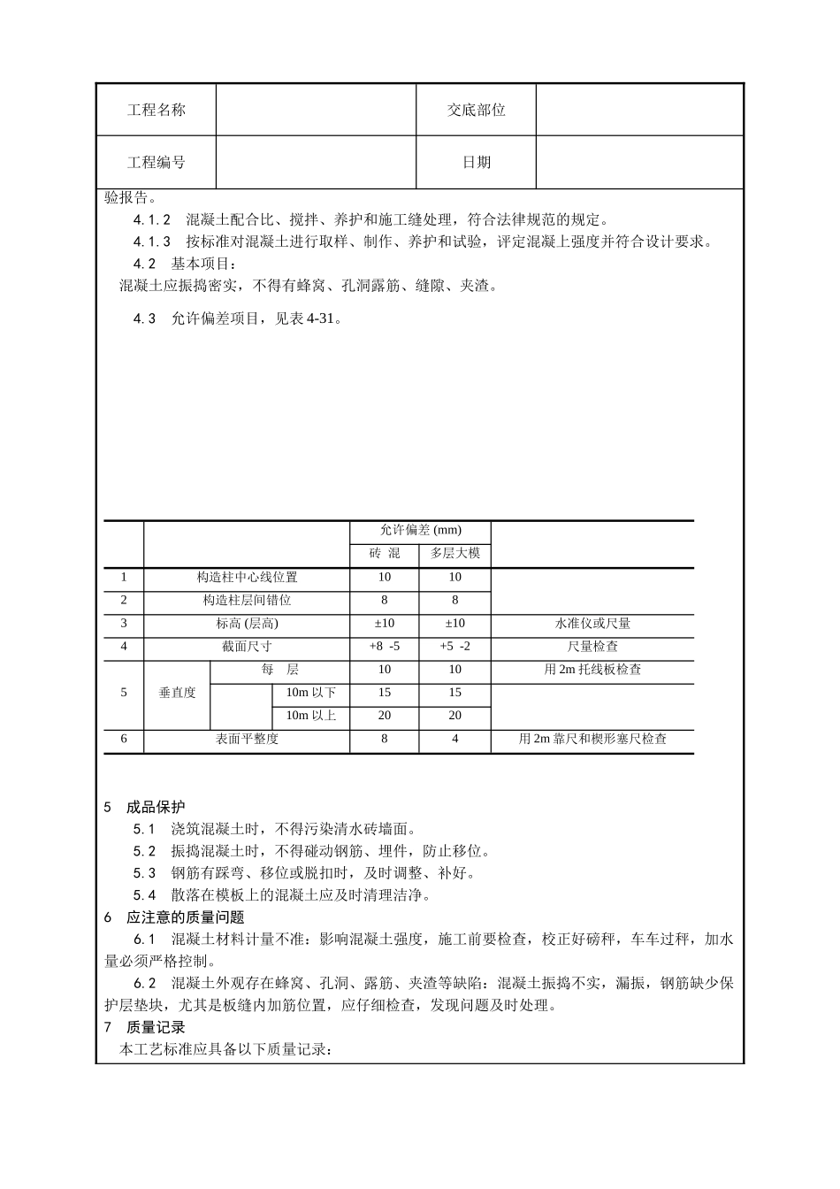
工程名称交底部位工程编号日期交底内容:剪力墙结构大模板普通混凝土施工1 范围 本工艺标准适用于砖混结构,外砖内模,外板内模的构造柱、圈梁、板缝等混凝土浇筑工艺。2 施工准备 2.1 材料及本要机具: 2.1.1 水泥:用 325~425 号矿渣硅酸盐水泥或普通硅酸盐水泥。 2.1.2 砂:用粗砂或中砂,当混凝土为 C30 以下时,含泥量不大于 5%。 2.1.3 石子:构造柱、圈梁用粒径:0.5~3.2cm 卵石或碎石;板缝用粒径 0.55~1.2cm 细石,当混凝土为 C30 以下时,含泥量不大于 2%。 2.1.4 水:用不含杂质的洁净水。 2.1.5 外加剂:根据要求选用早强剂、减水剂等,掺入量由试验室确定。 2.2 作业条件: 2.2.1 混凝土配合比经试验室确定,配合比通知单与现场使用材料相符。 2.2.2 模板牢固、稳定,标高、尺寸等符合设计要求,模板缝隙超过规定时,要堵塞严密,并办完预检手续。 2.2.3 钢筋办完院检手续。 2.2.4 构造往、圈梁接槎处的松散混凝土和砂浆应剔除,模板内杂物要清理洁净。 2.2.5 常温时,混凝土浇筑前,砖墙、木模应提前适量浇水湿润,但不得有积水。3 操作工艺 3.1 工艺流程:作业准备→混凝土搅拌→混凝土运输→混凝土浇筑、振捣→混凝土养护 3.2 混凝土搅拌: 3.2.1 根据测定的砂、石含水率,调整配合比中的用水量,雨天应增加测定次数。 3.2.2 根据搅拌机每盘各种材料用量及车皮重量,分别固定好水泥(散装)、砂、石各个磅秤的标量。磅秤应定期核验、维护,以保证计量的准确。计量精度:水泥及掺合料为±2%,骨料为±3%,水、外加剂为±2%。搅拌机棚应设置混凝土配合比标牌。 3.2.3 正式搅拌前搅拌机先空车试运转,正常后方可正式装料搅拌。 3.2.4 砂、石、水泥(散装)必须严格按需用量分别过秤,加水也必须严格计量。 3.2.5 投料顺序:一般先倒石子,再倒水泥,后倒砂子,最后加水。掺合料在倒水泥时一并加入。掺外加剂与水同时加入。 3.2.6 搅拌第一盘混凝上,可在装料时适当少装一些石子或适当增加水泥和水量。工程名称交底部位工程编号日期 3.2.7 混凝土搅拌时间,400L 自落式搅拌机一般不应少于 1.5min。 3.2.8 混凝土坍落度,一般控制在 5~7cm,每台班应测两次。 3.3 混凝土运输: 3.3.1 混凝土自搅拌机卸出后,应及时用翻斗车、手推车或吊斗运至浇筑地点。运送混凝土时,应防止水泥浆流失。若有离析现象,应在浇筑地点进行人工二次拌合。 3.3.2 混凝土以搅拌机卸...

1、当您付费下载文档后,您只拥有了使用权限,并不意味着购买了版权,文档只能用于自身使用,不得用于其他商业用途(如 [转卖]进行直接盈利或[编辑后售卖]进行间接盈利)。
2、本站所有内容均由合作方或网友上传,本站不对文档的完整性、权威性及其观点立场正确性做任何保证或承诺!文档内容仅供研究参考,付费前请自行鉴别。
3、如文档内容存在违规,或者侵犯商业秘密、侵犯著作权等,请点击“违规举报”。

碎片内容

剪力墙结构大模板普通混凝土施工工艺

您可能关注的文档

确认删除?
VIP
微信客服
  • 扫码咨询
会员Q群
  • 会员专属群点击这里加入QQ群
客服邮箱
回到顶部