电脑桌面
添加小米粒文库到电脑桌面
安装后可以在桌面快捷访问

北京某小区怡海楼-勘察报告

北京某小区怡海楼-勘察报告_第1页
1/4
北京某小区怡海楼-勘察报告_第2页
2/4
北京某小区怡海楼-勘察报告_第3页
3/4
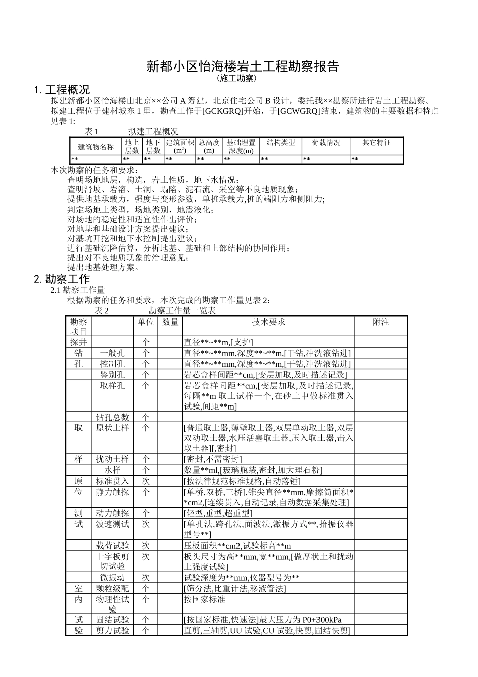
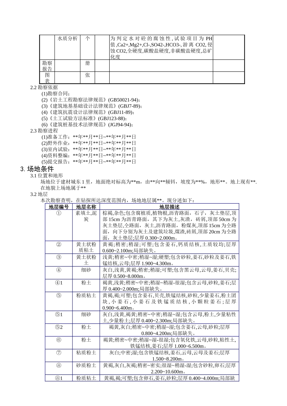
新都小区怡海楼岩土工程勘察报告(施工勘察)1.工程概况拟建新都小区怡海楼由北京××公司 A 筹建,北京住宅公司 B 设计,委托我××勘察所进行岩土工程勘察。拟建工程位于建材城东 1 里,勘查工作于[GCKGRQ]开始,于[GCWGRQ]结束,建筑物的主要数据和特点见表 1: 表 1 拟建工程概况建筑物名称地上层数地下层数建筑面积(m2)总高度(m)基础埋置深度(m)结构类型荷载情况其它特征******************本次勘察的任务和要求:查明场地地层,构造,岩土性质,地下水情况;查明滑坡、岩溶、土洞、塌陷、泥石流、采空等不良地质现象;提供地基承载力,强度与变形参数,单桩承载力,桩的端阻力和侧阻力;判定场地土类型,场地类别,地震液化;对场地的稳定性和适宜性作出评价;对地基和基础设计方案提出建议;对基坑开挖和地下水控制提出建议;进行基础沉降估算,分析地基、基础和上部结构的协同作用;提出对不良地质现象的治理意见;提出地基处理方案。2.勘察工作2.1 勘察工作量根据勘察的任务和要求,本次完成的勘察工作量见表 2: 表 2 勘察工作量一览表勘察项目单位数量技术要求附注探井个直径**~**m,[支护]钻一般孔个直径**~**mm,深度**~**m,[干钻,冲洗液钻进]孔控制孔个直径**~**mm,深度**~**m,[干钻,冲洗液钻进]鉴别孔个岩芯盒样间距**cm,[变层加取,及时描述记录]取样孔个岩芯盒样间距**cm,[变层加取,及时描述记录,每隔**m 取土试样一个,在砂土中做标准贯入试验,间距**m]钻孔总数个取原状土样个[普通取土器,薄壁取土器,双层单动取土器,双层双动取土器,水压活塞取土器,压入取土器,击入取土器][,密封]样扰动土样个[密封,不需密封]水样个数量**ml,[玻璃瓶装,密封,加大理石粉]原标准贯入次[按法律规范标准规格,自动落锤]位静力触探个[单桥,双桥,三桥],锥尖直径**mm,摩擦筒面积**cm2,[连续贯入,自动记录,自动数据采集处理]测动力触探个[轻型,重型,超重型]试波速测试次[单孔法,跨孔法,面波法,激振方式**,拾振仪器型号**]载荷试验次压板面积**cm2,试验标高**m十字板剪切试验次板头尺寸为高**mm,宽**mm,[做厚状土和扰动土强度试验]微振动次试验深度为**mm,仪器型号为**室颗粒级配个[筛分法,比重计法,移液管法]内物理性试验个按国家标准试固结试验个[按国家标准,快速法]最大压力为 P0+300kPa验剪力试验个直剪,三轴剪,UU 试验,CU 试验,快剪,固结快剪]水质分析个为 判 定 水 对 砼 的 腐 蚀 性 , 试 验 项 目 为 PH值 ,Ca2+,Mg2+,...

1、当您付费下载文档后,您只拥有了使用权限,并不意味着购买了版权,文档只能用于自身使用,不得用于其他商业用途(如 [转卖]进行直接盈利或[编辑后售卖]进行间接盈利)。
2、本站所有内容均由合作方或网友上传,本站不对文档的完整性、权威性及其观点立场正确性做任何保证或承诺!文档内容仅供研究参考,付费前请自行鉴别。
3、如文档内容存在违规,或者侵犯商业秘密、侵犯著作权等,请点击“违规举报”。

碎片内容

北京某小区怡海楼-勘察报告

确认删除?
VIP
微信客服
  • 扫码咨询
会员Q群
  • 会员专属群点击这里加入QQ群
客服邮箱
回到顶部