电脑桌面
添加小米粒文库到电脑桌面
安装后可以在桌面快捷访问

北京某综合业务楼钢结构工程±0.00以上部分测量施工方案

北京某综合业务楼钢结构工程±0.00以上部分测量施工方案_第1页
1/21
北京某综合业务楼钢结构工程±0.00以上部分测量施工方案_第2页
2/21
北京某综合业务楼钢结构工程±0.00以上部分测量施工方案_第3页
3/21
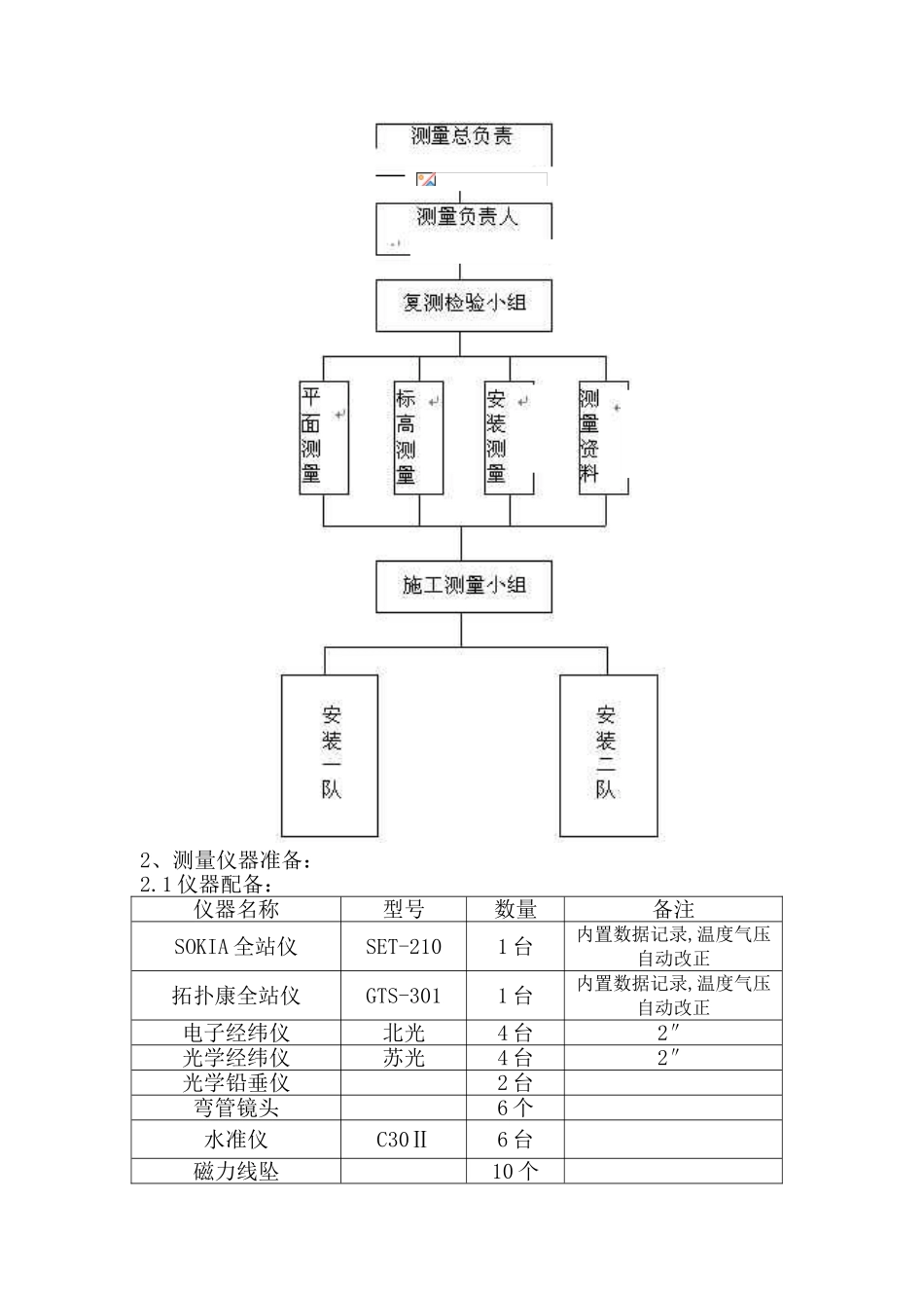
北京**中心综合业务楼钢结构工程±0.00 以上部分测量施工方案一、工程概况:1、北京**中心综合业务楼地上钢结构工程±0.00 以上分为首层(标高±0.00 米)至地上 46 层共四十六层,建筑高度 237 米。平面尺寸为 67×61 平方米,分为四个施工区:I 区(H-1 轴--R2 轴、35轴—38 轴),II 区(F 轴—H-1 轴、29 轴—38 轴),III 区(F 轴—P-1 轴、25 轴—29 轴),IV 区(P-1 轴—R-2 轴、25 轴—35 轴)。施工顺序为由北向南,按Ⅰ→Ⅳ区、Ⅱ→Ⅲ区两个流水段展开施工。土建单位在地下一层砼楼顶板浇筑施工完成之前继续使用地下部分施工的测量控制网,采纳外控法进行东北角Ⅰ区钢结构施工的测量工作;等土建单位在地下一层砼楼板浇筑施工完成之后采纳内控法进行其他部分钢结构施工的测量工作。2、编制依据2.1 本工程执行的规程、法律规范、标准:《工程测量法律规范》 (GB50026-93)《建筑工程施工测量法律规范》(DBJ 01-21-95)《高层民用建筑钢结构技术规程》 (JGJ 99-98)《建筑工程施工质量验收统一标准》(GB50300-2001)《钢结构工程施工质量验收法律规范》 (GB50205-2001)2.2 本工程的钢结构设计图纸和施工组织设计。二、施工准备1、总包工作:1.1 提供平面控制网(附图 01)和高程控制网(测量精度 L/24000 ),并提供正式数据;1.2 组织协调监理(甲方)的验收工作。2、分包工作:2.1 提出平面控制网和高程控制网布设要求;2.2 负责钢结构安装过程的全部测量工作;2.3 负责钢结构安装的复测、检验、报验;2.4 负责整理提供测量资料。三、人员、仪器设备的准备1、测量人员准备:1.施工测量组:负责钢结构安装过程的测量工作。本工程的测量小组由安装一、二队 8 名测量人员组成,并保证每个作业段不少于 2人,该小组的每位成员在施工前必须接受培训。1.2 复测组:负责本单位测量工作的复测检验,组织协调监理及相关管理部门的复测检验工作,由项目部的 4 名专业测量人员组成。1.3 所有测量人员均持有相应的资质或测量工作上岗证。1.4 测量工程控制体系如下:2、测量仪器准备:2.1 仪器配备:仪器名称型号数量备注SOKIA 全站仪SET-2101 台内置数据记录,温度气压自动改正拓扑康全站仪GTS-3011 台内置数据记录,温度气压自动改正电子经纬仪北光4 台2″光学经纬仪苏光4 台2″光学铅垂仪2 台弯管镜头6 个水准仪C30Ⅱ6 台磁力线坠10 个50m 钢尺3 把5m、10m 盒尺各 10 把1m 钢尺...

1、当您付费下载文档后,您只拥有了使用权限,并不意味着购买了版权,文档只能用于自身使用,不得用于其他商业用途(如 [转卖]进行直接盈利或[编辑后售卖]进行间接盈利)。
2、本站所有内容均由合作方或网友上传,本站不对文档的完整性、权威性及其观点立场正确性做任何保证或承诺!文档内容仅供研究参考,付费前请自行鉴别。
3、如文档内容存在违规,或者侵犯商业秘密、侵犯著作权等,请点击“违规举报”。

碎片内容

北京某综合业务楼钢结构工程±0.00以上部分测量施工方案

一帆文传+ 关注
实名认证
内容提供者

欢迎光临店铺,各类公文供您挑选。

确认删除?
VIP
微信客服
  • 扫码咨询
会员Q群
  • 会员专属群点击这里加入QQ群
客服邮箱
回到顶部