电脑桌面
添加小米粒文库到电脑桌面
安装后可以在桌面快捷访问

变电站砖砌电缆沟施工工艺标准

变电站砖砌电缆沟施工工艺标准_第1页
1/13
变电站砖砌电缆沟施工工艺标准_第2页
2/13
变电站砖砌电缆沟施工工艺标准_第3页
3/13
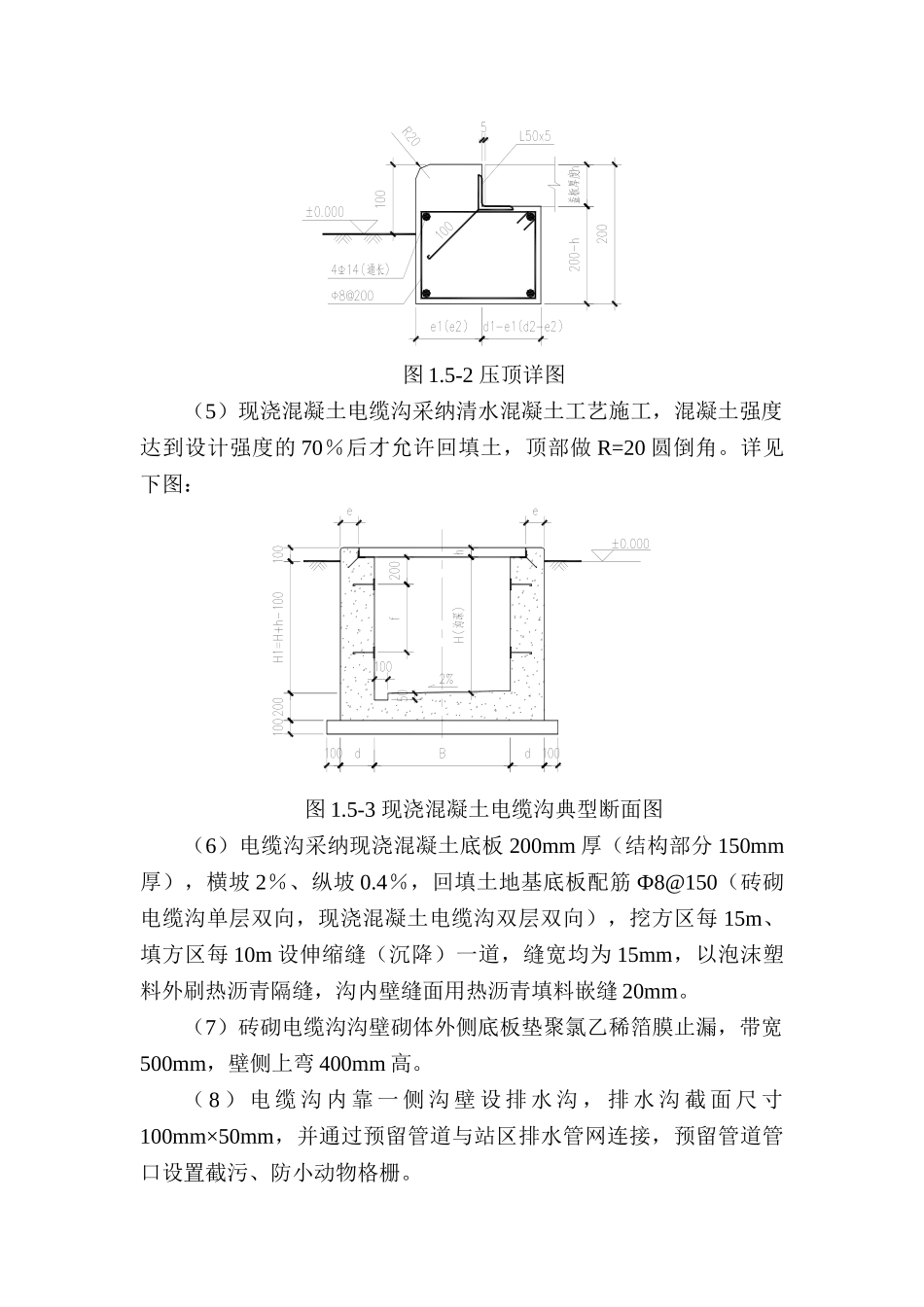
变电站砖砌电缆沟施工工艺标准1 设计要求(1)电缆沟设计为嵌入式,即沟顶设置企口,沟盖板嵌入企口,板顶与沟壁顶平齐,对沟壁起到支撑作用,严禁采纳上盖式电缆沟;电缆沟企口预埋热镀锌角钢,防止沟盖板起落时碰坏沟壁。(2)电缆沟宽度小于 800mm(包括宽 300、400、600 三种)时,采纳砖砌沟壁电缆沟,300、400mm 宽电缆沟最大沟深(自沟底至沟盖板底面)不得超过 600mm,600mm 宽电缆沟最大沟深不得超过800mm。(3)电缆沟宽度大于 800mm(包括 800mm 及以上宽度电缆沟)时,采纳现浇混凝土沟壁电缆沟,1200mm 宽电缆沟最大沟深不得超过 1400mm,其余各宽度电缆沟最大沟深不得超过 1200mm。(4)砖砌电缆沟沟壁砖砌灰缝必须饱满,砂浆强度达到设计强度的 70%后才允许回填土及砂浆抹面。内壁及沟底用 1:2.5 水泥防水砂浆(掺 5%水泥重量防水剂)批挡抹面 20 厚,宜分两层抹面并压光。砖砌电缆沟设 C25 混凝土压顶,截面尺寸为壁厚×200(高),压顶采纳清水混凝土工艺施工,可现浇或预制,顶部做 R=20 圆倒角,坐浆 10~20mm。详见下图:图 1.5-1 砖砌电缆沟典型断面图图 1.5-2 压顶详图(5)现浇混凝土电缆沟采纳清水混凝土工艺施工,混凝土强度达到设计强度的 70%后才允许回填土,顶部做 R=20 圆倒角。详见下图:图 1.5-3 现浇混凝土电缆沟典型断面图(6)电缆沟采纳现浇混凝土底板 200mm 厚(结构部分 150mm厚),横坡 2%、纵坡 0.4%,回填土地基底板配筋 Ф8@150(砖砌电缆沟单层双向,现浇混凝土电缆沟双层双向),挖方区每 15m、填方区每 10m 设伸缩缝(沉降)一道,缝宽均为 15mm,以泡沫塑料外刷热沥青隔缝,沟内壁缝面用热沥青填料嵌缝 20mm。(7)砖砌电缆沟沟壁砌体外侧底板垫聚氯乙稀箔膜止漏,带宽500mm,壁侧上弯 400mm 高。( 8 ) 电 缆 沟 内 靠 一 侧 沟 壁 设 排 水 沟 , 排 水 沟 截 面 尺 寸100mm×50mm,并通过预留管道与站区排水管网连接,预留管道管口设置截污、防小动物格栅。(9)站内电缆沟采纳主沟平行道路、建筑物轴线,小沟垂直主沟的布置原则。砖砌电缆沟沟壁压顶以下、混凝土电缆沟沟壁距沟顶 200mm 以下部分转角处做 350mm×350mm 切角,距离切角位置200mm 处设置沉降缝,做法与其他位置的伸缩缝(沉降缝)相同。转角设十字型转角和 L 型转角两种,做法详见下图:图 1.5-4 十字型转角构造平面图图 1.5-5 L 型转角...

1、当您付费下载文档后,您只拥有了使用权限,并不意味着购买了版权,文档只能用于自身使用,不得用于其他商业用途(如 [转卖]进行直接盈利或[编辑后售卖]进行间接盈利)。
2、本站所有内容均由合作方或网友上传,本站不对文档的完整性、权威性及其观点立场正确性做任何保证或承诺!文档内容仅供研究参考,付费前请自行鉴别。
3、如文档内容存在违规,或者侵犯商业秘密、侵犯著作权等,请点击“违规举报”。

碎片内容

变电站砖砌电缆沟施工工艺标准

您可能关注的文档

确认删除?
VIP
微信客服
  • 扫码咨询
会员Q群
  • 会员专属群点击这里加入QQ群
客服邮箱
回到顶部