电脑桌面
添加小米粒文库到电脑桌面
安装后可以在桌面快捷访问

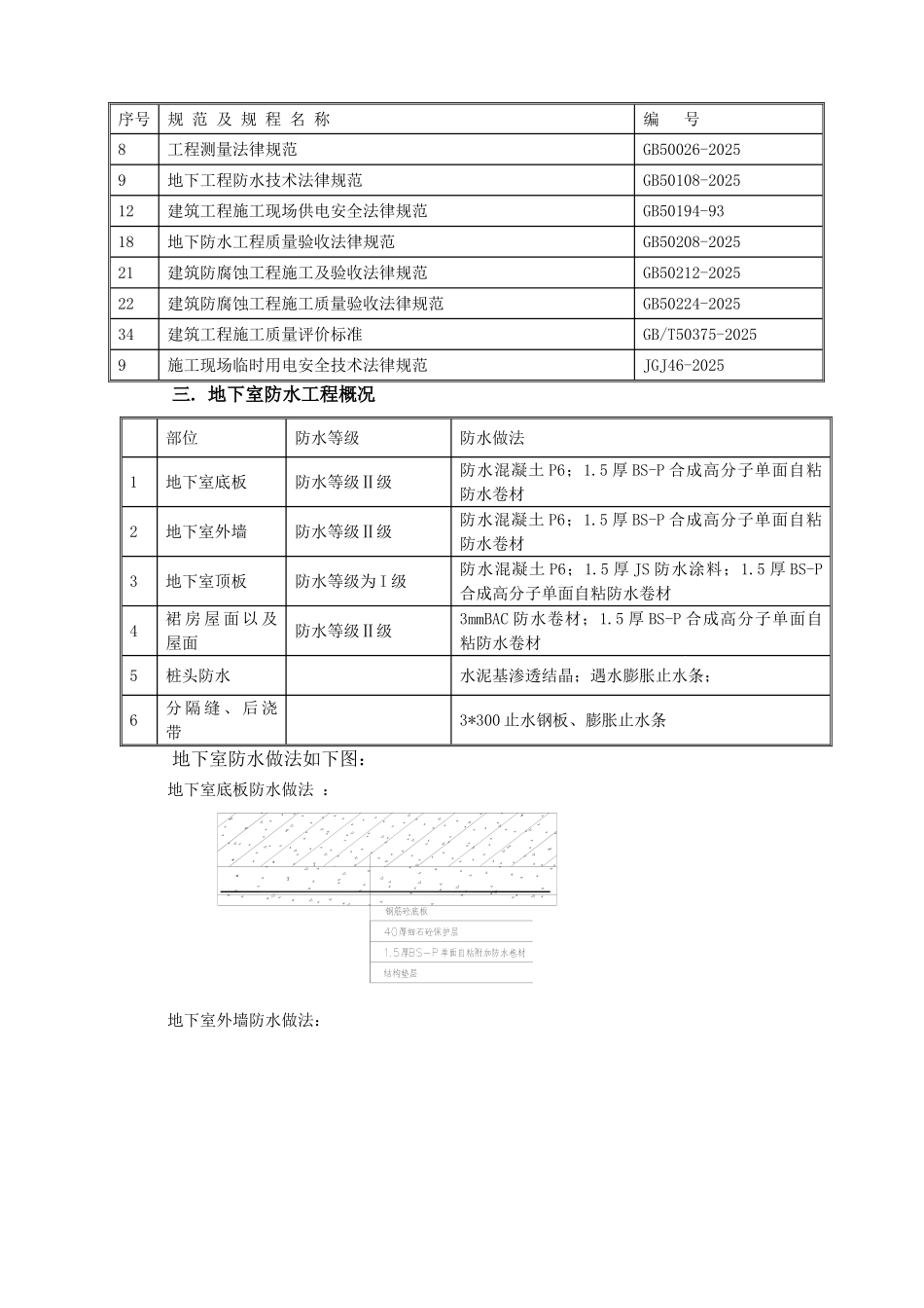
合成高分子单面自粘防水卷材施工工艺

合成高分子单面自粘防水卷材施工工艺_第1页
1/14
合成高分子单面自粘防水卷材施工工艺_第2页
2/14
合成高分子单面自粘防水卷材施工工艺_第3页
3/14
目 录一.编制目的及适用范围.................................................................................2二.编制依据.....................................................................................................2三.地下室防水工程概况.................................................................................2四.施工准备.....................................................................................................41. 技术准备.....................................................................................................4五.劳动力计划.................................................................................................5六.施工工艺流程.............................................................................................5七.质量检查...................................................................................................111. 质量要求...................................................................................................112. 质量检查...................................................................................................112.1主控项目..........................................................................................112.2一般项目..........................................................................................11八.安全消防措施...........................................................................................11九.质量安全事故应急预案...........................................................................122. 事故预防与应急准备...............................................................................133. 事故处理程序...........................................................................................134. 后期处理...................................................................................................13十.主要施工记录...........................................................................................14地下室防水施工方案一. 编制目的及适用范...

1、当您付费下载文档后,您只拥有了使用权限,并不意味着购买了版权,文档只能用于自身使用,不得用于其他商业用途(如 [转卖]进行直接盈利或[编辑后售卖]进行间接盈利)。
2、本站所有内容均由合作方或网友上传,本站不对文档的完整性、权威性及其观点立场正确性做任何保证或承诺!文档内容仅供研究参考,付费前请自行鉴别。
3、如文档内容存在违规,或者侵犯商业秘密、侵犯著作权等,请点击“违规举报”。

碎片内容

合成高分子单面自粘防水卷材施工工艺

您可能关注的文档

确认删除?
VIP
微信客服
  • 扫码咨询
会员Q群
  • 会员专属群点击这里加入QQ群
客服邮箱
回到顶部