电脑桌面
添加小米粒文库到电脑桌面
安装后可以在桌面快捷访问

回填灌浆工程单元工程表格(埋管类)

回填灌浆工程单元工程表格(埋管类)_第1页
1/8
回填灌浆工程单元工程表格(埋管类)_第2页
2/8
回填灌浆工程单元工程表格(埋管类)_第3页
3/8
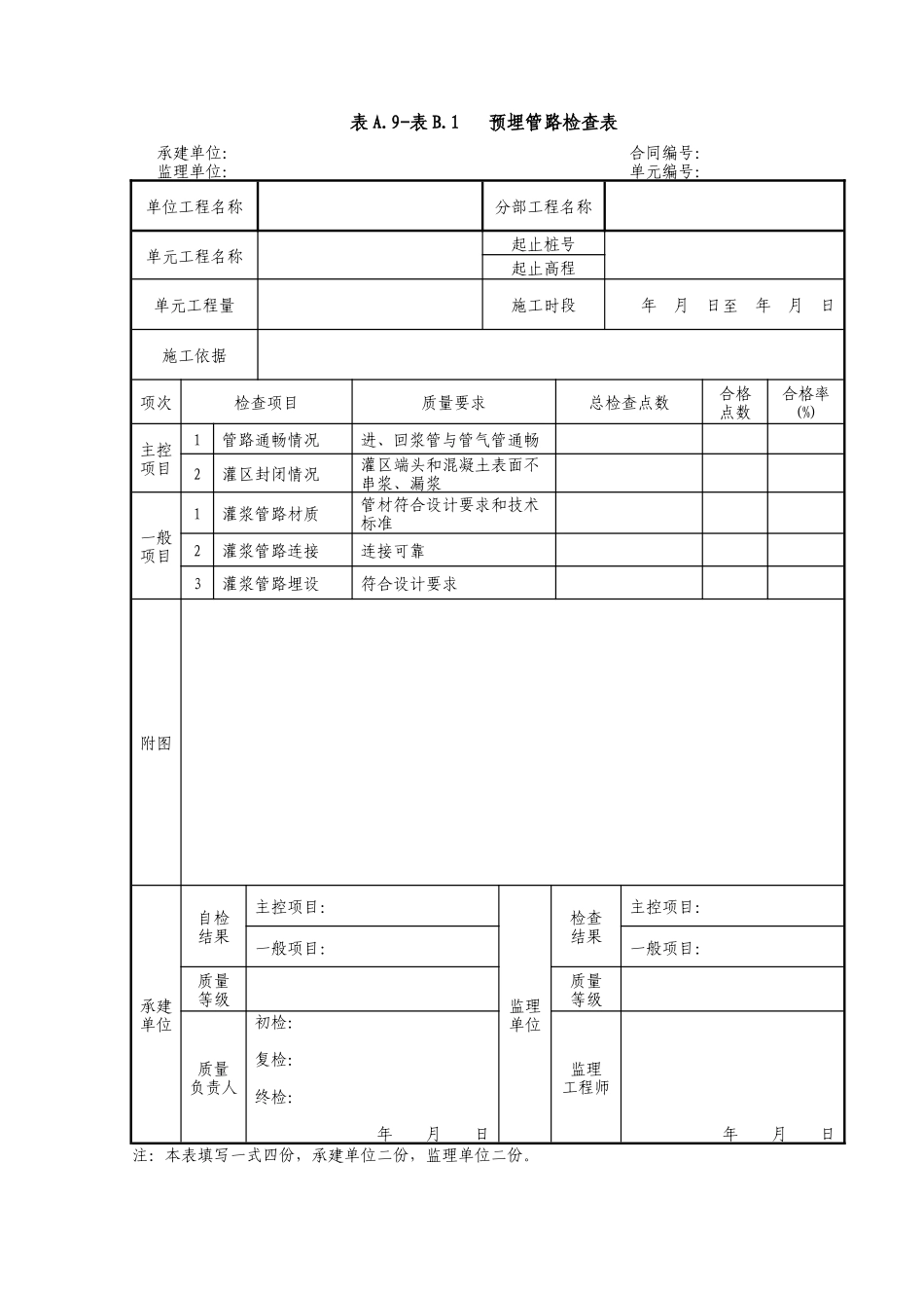
回填灌浆工程单元工程验收资料清单(埋管类)承建单位: 合同编号:监理单位: 单元编号:单位工程名称分部工程名称单元工程名称起止桩号起止高程单元工程量施工时段年 月 日 至 年 月 日施工依据(填写主要施工图纸、设计通知的编号)序号资 料 名 称页数备注1表 A.9 回填灌浆单元工程质量评定表(埋管类)2表 A.9-表 B.1 预埋管路检查表3表 A.9-表 B.2-1 灌浆记录表(人工)4表 A.9-表 B.2-2 灌浆记录表(自动)5表 A.9-表 B.3 中断处理签证表6表 A.9-表 B.5 抬动观测记录表7表 A.9-表 B.6 封孔检查记录汇总表附件资料含 测 量 、 试验 、 检 测 成果 , 地 质 描述、大样图等相关附件资料(其它备查资料可单独整理归档)1、施工测量放样2、测量成果资料3、浆液强度检测报告4、施工质量负责人: 监理单位审核人:年 月 日 年 月 日表 A.9 回填灌浆单元工程质量表评定表(埋管类)承建单位: 合同编号:监理单位: 制表编号:单位工程名称分部工程名称单元工程名称起止桩号起止高程单元工程量施工时段年 月 日至 年 月 日施工依据项类检查项目质量标准检测结果主控项目1灌浆区段封闭、管理畅通情况无外露,管路畅通2进浆管口压力符合设计要求3排气管出浆排气管出浆密度达 1.70g/cm3 以上4浆液浓度符合设计要求5结束标准符合设计要求6施工记录齐全、准确、清楚一般项目1中断处理应无中断或虽有中断,但处理及时,措施合理,经检查分析,尚不影响灌浆质量2抬动变形符合设计要求3封孔符合设计要求备注本单元工程内共有回填灌浆孔 个,其中优良回填灌浆孔 个,优良率 %效果检查检查孔注浆试验结果:检查孔岩芯和浆液结石充填情况:检验结果主控项目:一般项目:单元工程等级评定承建单位:年 月 日单元工程质量等级监理单位:年 月 日单元工程质量等级注:本表填写一式四份,承建单位二份,监理单位二份。表 A.9-表 B.1 预埋管路检查表承建单位: 合同编号:监理单位: 单元编号:单位工程名称分部工程名称单元工程名称起止桩号起止高程单元工程量施工时段年 月 日至 年 月 日施工依据项次检查项目质量要求总检查点数合格点数合格率(%)主控项目1管路通畅情况进、回浆管与管气管通畅2灌区封闭情况灌区端头和混凝土表面不串浆、漏浆一般项目1灌浆管路材质管材符合设计要求和技术标准2灌浆管路连接连接可靠3灌浆管路埋设符合设计要求附图承建单位自检结果主控项目:监理单...

1、当您付费下载文档后,您只拥有了使用权限,并不意味着购买了版权,文档只能用于自身使用,不得用于其他商业用途(如 [转卖]进行直接盈利或[编辑后售卖]进行间接盈利)。
2、本站所有内容均由合作方或网友上传,本站不对文档的完整性、权威性及其观点立场正确性做任何保证或承诺!文档内容仅供研究参考,付费前请自行鉴别。
3、如文档内容存在违规,或者侵犯商业秘密、侵犯著作权等,请点击“违规举报”。

碎片内容

回填灌浆工程单元工程表格(埋管类)

您可能关注的文档

确认删除?
VIP
微信客服
  • 扫码咨询
会员Q群
  • 会员专属群点击这里加入QQ群
客服邮箱
回到顶部