电脑桌面
添加小米粒文库到电脑桌面
安装后可以在桌面快捷访问

土耳其卡赞碱加工项目无损检测方案

土耳其卡赞碱加工项目无损检测方案_第1页
1/17
土耳其卡赞碱加工项目无损检测方案_第2页
2/17
土耳其卡赞碱加工项目无损检测方案_第3页
3/17
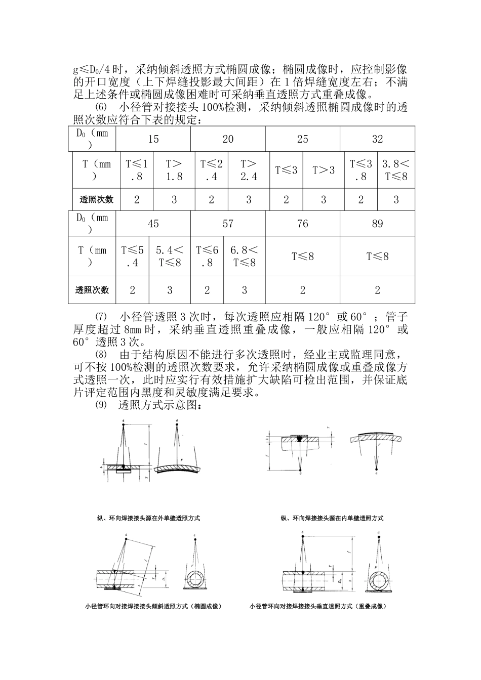
1 编制说明本方案适用于土耳其卡赞碱加工项目安装工程的无损检测工作。进行无损检测时, 应根据设计文件、相关标准和 QS/TJC/T001《无损检测通用工艺规程》,结合具体情况由Ⅱ级或以上检测人员编制检测工艺卡。2 编制依据以《承压设备无损检测》(JB/T4730-2025)为主,同时满足以下标准、法律规范、文件相关的要求:2.1 土耳其卡赞碱加工项目《施工设计图纸》2.2《工业金属管道工程施工法律规范》 (GB50235-2025)2.3《立式圆筒形钢制焊接储罐施工法律规范》GB50128-20252.4《压力容器》GB150-20252.5《无损检测通用工艺规程》(QS/TJC/T001-2025)2.6《放射性同位素及射线装置安全和防护条例》国务院 2025 年第449 号令2.7 《放射性同位素及射线装置安全许可管理办法》环保部 2025 年第 3 号令2.8《电离辐射防护与辐射源安全基本标准》(GB18871-2025)2.9《工业 X 射线探伤放射防护要求》(GBZ117-2025)3 一般要求3.1 无损检测人员应根据《特种设备无损检测人员考核与监督管理规则》的要求取得相应无损检测资格,从事相应的无损检测工作,并负相应的技术责任。无损检测报告须符合检测、审核、批准三级控制的要求。3.2 从事射线检测的人员上岗前应进行辐射安全知识的培训,并取得《辐射安全与防护培训合格证》。3.3 实施无损检测工作前,应依据本方案和无损检测工艺卡,向检测人员进行交底。4 无损检测人员序号姓名年龄RTUTMTPT备注1敬和生52ⅢⅢⅢⅢ2王同建51ⅢⅡⅡⅡ3巫晓斌43ⅢⅢⅢⅢ4叶青40ⅡⅡⅡⅡ5敬大鹏30ⅡⅠⅡⅡ6康波29ⅡⅠⅡⅡ5 无损检测设备序号设备名称规格型号单位数量备注1便携式 X 射线探伤机XXG-2025台12便携式 X 射线探伤机XXG-2505台13超小型便携 X 射线机MAPT-250台14暗室处理设备套15便携式工业射线照相观片灯DL-50台16黑度计TH-N386台17旋转磁场探伤仪CXD-3台18数字式超声波探伤仪HS620台19超声测厚仪(增强型)CTS-400+台110X 个人剂量仪FJ-2000台26 射线检测6.1 射线检测工艺流程:(暗室装片)→(现场拍片)→(曝光)→(暗室处理)→(评片)6.2 采纳 X 射线机,射线源尺寸为 2.0mm×2.0mm/Ф1.5mm6.3 胶片选用:采纳爱克发 C7 胶片。6.4 在射线检测前,对接焊接接头的表面应经外观检查并合格。表面的不规则状态在底片上的影像不得掩盖或干扰缺陷影像,否则应对表面作适当修整。6.5 射线检测技术级别为 AB 级。6.6 透照布置⑴ 应根据工件的特点和技术条件的要求选择适宜的透照方式;在可以实施的情...

1、当您付费下载文档后,您只拥有了使用权限,并不意味着购买了版权,文档只能用于自身使用,不得用于其他商业用途(如 [转卖]进行直接盈利或[编辑后售卖]进行间接盈利)。
2、本站所有内容均由合作方或网友上传,本站不对文档的完整性、权威性及其观点立场正确性做任何保证或承诺!文档内容仅供研究参考,付费前请自行鉴别。
3、如文档内容存在违规,或者侵犯商业秘密、侵犯著作权等,请点击“违规举报”。

碎片内容

土耳其卡赞碱加工项目无损检测方案

范哲铺+ 关注
实名认证
内容提供者

想你所想,急你所急,你需要的都在店铺里可以找到。

确认删除?
VIP
微信客服
  • 扫码咨询
会员Q群
  • 会员专属群点击这里加入QQ群
客服邮箱
回到顶部