电脑桌面
添加小米粒文库到电脑桌面
安装后可以在桌面快捷访问

地产项目设计变更作业指引

地产项目设计变更作业指引_第1页
1/7
地产项目设计变更作业指引_第2页
2/7
地产项目设计变更作业指引_第3页
3/7
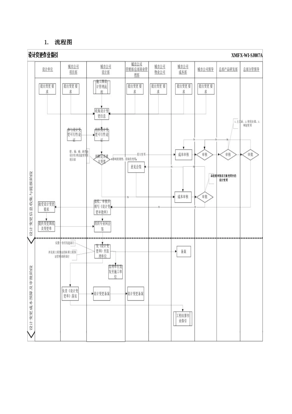
设计变更作业指引编制: 日期: 审核: 日期: 批准: 日期: 修订记录日期修订状态修改内容修改人审核人批准人流程概述流程目的对设计的变更的内容、方案进行审查,使设计变更按法律规范程序进行。流程范围区域范围内的设计变更控制,包括装修工程。定义1.设计变更:对原设计的错漏及欠合理、欠经济的地方进行修改,设计变更是对设计内容进行完善、修改及优化,一般需要设计单位的签字、盖章,或者发包单位的设计部门代签。2.一般设计变更:变动金额在 10 万元(含)以下,并且不涉及到外观、规划、户型、使用功能的改变3.重大设计变更:10 万以上,但不涉及到外观、规划、户型和其他使用功能或涉及到主立面、敏感性客户材料、平面使用功能、规划设计的变更.流程主导部门(岗位)城市公司设计部各职能部门的主要职责城市公司设计部设计变更信息收集、整理负责组织相关部门对设计变更进行设计技术论证、会签工作负责设计修改、与设计单位联系出设计变更图纸、填报设计变更单等负责组织设计变更引起的重新报建城市公司营销部对于涉及销售承诺的设计变更提出评审意见城市公司成本部负责设计变更造价的预算和审核流程 KPI责任部门/岗位数据来源设计变更审批及时率城市公司设计部设计变更审批登记表流程关键点关键点说明支持文件对设计变更组织论证是否可行参见 4.对设计变更进行造价预算参见 5. 出设计变更正式图参见 7.对设计变更中涉及规划等变更的重新进行报建参见 7.设计变更单的登记发放参见 9.《设计变更单》1. 流程图2、 流程节点说明:步骤工作内容的简要叙述重要输入重要输出1、设计变更的管理原则在处理设计变更时应遵循如下原则:1.权力限制原则:公司对设计变更及现场签证管理实行严格的权限规定,不在权限范围之内的签字一律无效,如对公司造成损失,追究越权签字人的责任。2.时间限制原则:公司对设计变更及其结算实行严格的时间限制,禁止事后补办。3.一单一算原则(特别情况另做处理):一个设计变更单应编制一份结算单,且对应一个工程合同。4.一月一清原则(特别情况另做处理):每月 10 日前,发包单位、承包单位应就截止上月末已完工且手续完备的设计变更,核清造价并签字确认,交部门领导复核。5.完工确认原则:设计变更完工后,发包方现场工程师和监理工程师必须在完工后三日内签字确认,如属隐蔽工程,必须在其覆盖之前签字确认。6.原件结算原则:设计变更的结算必须要有齐备的、有效的原件作为结算...

1、当您付费下载文档后,您只拥有了使用权限,并不意味着购买了版权,文档只能用于自身使用,不得用于其他商业用途(如 [转卖]进行直接盈利或[编辑后售卖]进行间接盈利)。
2、本站所有内容均由合作方或网友上传,本站不对文档的完整性、权威性及其观点立场正确性做任何保证或承诺!文档内容仅供研究参考,付费前请自行鉴别。
3、如文档内容存在违规,或者侵犯商业秘密、侵犯著作权等,请点击“违规举报”。

碎片内容

地产项目设计变更作业指引

您可能关注的文档

确认删除?
VIP
微信客服
  • 扫码咨询
会员Q群
  • 会员专属群点击这里加入QQ群
客服邮箱
回到顶部