电脑桌面
添加小米粒文库到电脑桌面
安装后可以在桌面快捷访问

基础工程江苏某甲级水利监理质量标准之三

基础工程江苏某甲级水利监理质量标准之三_第1页
1/15
基础工程江苏某甲级水利监理质量标准之三_第2页
2/15
基础工程江苏某甲级水利监理质量标准之三_第3页
3/15
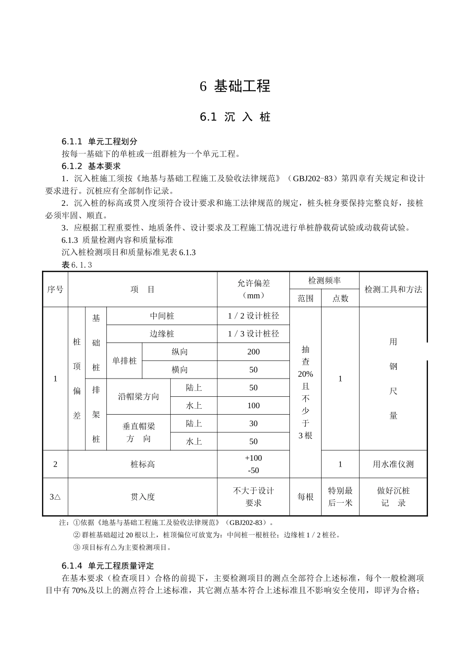
6 基础工程6.1 沉 入 桩6.1.1 单元工程划分按每一基础下的单桩或一组群桩为一个单元工程。6.1.2 基本要求1.沉入桩施工须按《地基与基础工程施工及验收法律规范》(GBJ202-83)第四章有关规定和设计要求进行。沉桩应有全部制作记录。2.沉入桩的标高或贯入度须符合设计要求和施工法律规范的规定,桩头桩身要保持完整良好,接桩必须牢固、顺直。3.应根据工程重要性、地质条件、设计要求及工程施工情况进行单桩静载荷试验或动载荷试验。6.1.3 质量检测内容和质量标准沉入桩检测项目和质量标准见表 6.1.3表 6.1.3序号项 目允许偏差(mm)检测频率检测工具和方法范围点数1桩顶偏差基础桩中间桩1/2 设计桩径抽查20%且不少于3 根1用钢尺量边缘桩1/3 设计桩径单排桩纵向200横向50排架桩沿帽梁方向陆上50水上100垂直帽梁方 向陆上30水上502桩标高+100-501用水准仪测3△贯入度不大于设计要求每根特别最后一米做好沉桩记 录注:①依据《地基与基础工程施工及验收法律规范》(GBJ202-83)。② 群桩基础超过 20 根以上,桩顶偏位可放宽为:中间桩一根桩径;边缘桩 1/2 桩径。③ 项目标有△为主要检测项目。6.1.4 单元工程质量评定在基本要求(检查项目)合格的前提下,主要检测项目的测点全部符合上述标准,每个一般检测项目中有 70%及以上的测点符合上述标准,其它测点基本符合上述标准且不影响安全使用,即评为合格;在合格的基础上,一般检测项目中,有9 0%及以上的测点符合上述标准,即评为优良。6.2 钻孔灌注桩6.2.1 单元工程划分按每一基础下的单桩或一组群桩为一个单元工程。6.2.2 基本要求1.钻孔灌注桩应严格根据有关技术法律规范的要求施工。对工程质量及施工情况要如实、准确记录。2.水下浇筑混凝土过程不得间断、不允许有夹层。原材料和混凝土抗压强度必须符合设计要求和施工法律规范的规定。浇筑混凝土时,应防止钢筋笼上浮。3.混凝土实际浇筑量不得小于计算体积。4.桩身完整性检测应用低应变动力检测,必要时,可对桩钻芯取样检验。必要时桩的承载力采纳静载法或高应变动力检测,检测数量,按《建筑桩基技术法律规范》(JGJ94-94)的规定执行。6.2.3 质量检测内容和质量标准灌注桩钻孔、清孔质量标准见表 6.2.2-1表 6.2.2-1序号项 目允许偏差检测频率检测工具和方法范围次数1钻孔孔位偏差单排桩≤100mm每根桩1用钢卷尺测量群 桩≤150me2桩(孔)径+100mm~-50mm用探孔器检查3△桩(孔)斜率<1%用垂线测...

1、当您付费下载文档后,您只拥有了使用权限,并不意味着购买了版权,文档只能用于自身使用,不得用于其他商业用途(如 [转卖]进行直接盈利或[编辑后售卖]进行间接盈利)。
2、本站所有内容均由合作方或网友上传,本站不对文档的完整性、权威性及其观点立场正确性做任何保证或承诺!文档内容仅供研究参考,付费前请自行鉴别。
3、如文档内容存在违规,或者侵犯商业秘密、侵犯著作权等,请点击“违规举报”。

碎片内容

基础工程江苏某甲级水利监理质量标准之三

您可能关注的文档

元素商铺+ 关注
实名认证
内容提供者

欢迎挑选合适的文档

确认删除?
VIP
微信客服
  • 扫码咨询
会员Q群
  • 会员专属群点击这里加入QQ群
客服邮箱
回到顶部