电脑桌面
添加小米粒文库到电脑桌面
安装后可以在桌面快捷访问

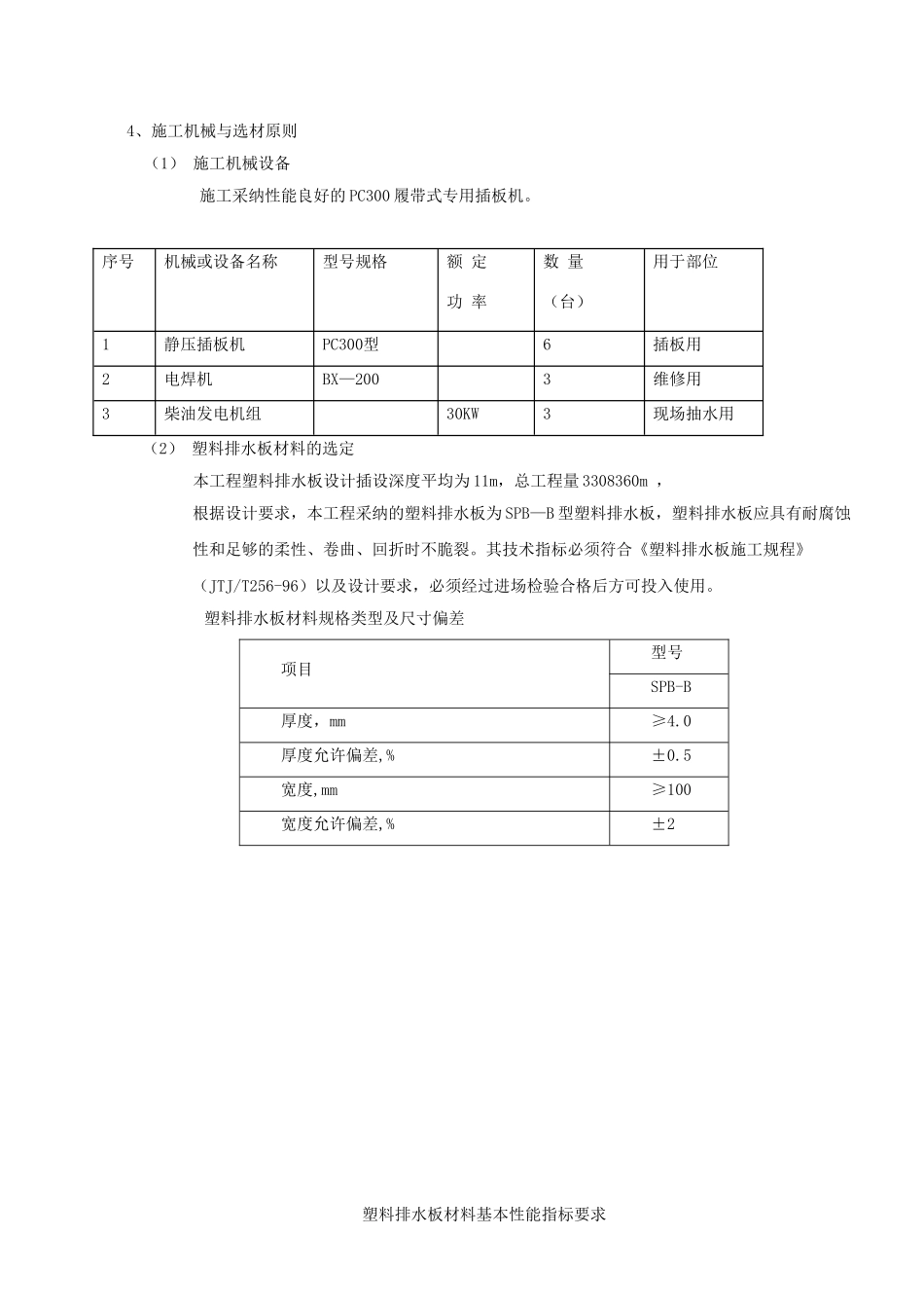
塑料排水板施工专项方案

塑料排水板施工专项方案_第1页
1/9
塑料排水板施工专项方案_第2页
2/9
塑料排水板施工专项方案_第3页
3/9
塑料排水板施工专项方案1、工程概况本工程为深圳市前海填海区中集地块及周边地区道路软基处理工程 1 标段,占地面积为303000m2,其中约 243000m2的区域采纳塑料排水板施工。根据地质勘查报告得知,其钻探揭露地层子上而下为人工填土(石)层,第四系的海积层、冲击层及残积层、下伏基岩为震旦系混合岩及燕山期得花岗岩。海相堆积的亚粘土、淤泥质土厚度达,极疏松,属软土区域。具有以下特点:(1)天然含水量高、孔隙比大。含水量在 39%-72%之间,孔隙比在 0.5-2.2 之间,饱和度一般大于 95%,液限一般为 35%-50%,塑性指数为 13-20,天然重力密度为 15-20KN/m3;(2)透水性差。大部分软土的渗透系数为 1×10-4-1×10-7cm/s;(3)压缩性高。压缩系数为 0.5-20MPa-1,属高压缩性土;a(4)抗剪强度低。地基土抗剪实验的粘聚力在 10KPa 左右,抗剪实验的内摩擦角在 10°-25°之间;(5)流变性显著。长期抗剪强度只有一般抗剪强度的 0.4-0.8 倍。根据设计要求,该工程的软土地基处理方法主要有两种:塑料排水板处理和振动沉管砂桩处理。其中塑料排水板法处理面积约为 243000m2,占软基总面积的 80.2%,为本工程软基处理的主要方法。2、塑料排水板法的工艺流程塑料排水板的施工工艺流程如图 1 所示。(1) 测量放样:在塑料板施工区内根据地质资料,结合淤泥底标高情况事先对插板施工区域进行划分,淤泥底标高差异大的,采纳 20×20 m 的方格网进行划分,每个区域试插 9 根插板;淤泥底标高均匀差距不大的,才用 40×40m 的方格网划分,每个区域试插 9 根插板。(2) 插板现场调试和试插施工前测量放样出的每一个施工区域,根据已有的钻探资料在塑料排水板施工前,会同业主、设计、监理在现场用插板机按 40m×40m 的方格网进行试插,发现淤泥底标高差异较大时,再对该区域采纳 20m×20m 的方格进行细分,进行塑料排水板施工试插。由业主、设计、监理根据试插深度确定每个小区与的塑料排水板施工深度,确定塑料排水板打设深度后再进行大面积施工。(3) 插板机移机定位:插板机的桩靴落地定位误差控制在正负 50mm 范围内,由插板机驾驶员在控制室内控制,控制桩管下插时的垂直度符合设计要求不得大于正负 1.5%。(4) 安装锚靴:塑料排水板末端伸出导管底,在塑料排水板末端安装密封袋后(只有当需要插至粗砂 0.5m 时),用锚靴将其别再导管底端。(5) 试插塑料排水板至设计深度(标高):根据试插...

1、当您付费下载文档后,您只拥有了使用权限,并不意味着购买了版权,文档只能用于自身使用,不得用于其他商业用途(如 [转卖]进行直接盈利或[编辑后售卖]进行间接盈利)。
2、本站所有内容均由合作方或网友上传,本站不对文档的完整性、权威性及其观点立场正确性做任何保证或承诺!文档内容仅供研究参考,付费前请自行鉴别。
3、如文档内容存在违规,或者侵犯商业秘密、侵犯著作权等,请点击“违规举报”。

碎片内容

塑料排水板施工专项方案

您可能关注的文档

确认删除?
VIP
微信客服
  • 扫码咨询
会员Q群
  • 会员专属群点击这里加入QQ群
客服邮箱
回到顶部