电脑桌面
添加小米粒文库到电脑桌面
安装后可以在桌面快捷访问

墙体节能工程施工岗前培训记录

墙体节能工程施工岗前培训记录_第1页
1/11
墙体节能工程施工岗前培训记录_第2页
2/11
墙体节能工程施工岗前培训记录_第3页
3/11
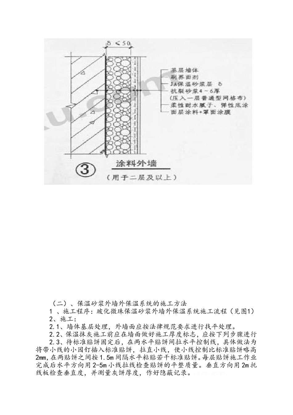
墙体节能工程施工岗前培训记录工程名称:振兴·温莎小镇小区 #楼工程培训主题:建筑工人墙体节能工程施工岗前培训时 间: 年 月 日 地 点:项目部会议室主 讲 人:余义峰(项目技术负责人)参 会 者:项目部管理人员及各班组人员 培训目的: 通过对现场施工工人的岗前培训,加深其对节能工程在整个工程中重要性的认识,了解墙体保温工程的要求,加强施工工人的操作技能,提高和保证墙体保温工程的施工质量,使得在节能工程施工中达到设计及法律规范要求,避开出现返工现象。0vQibrZ。H9723pu。 一、工程概况振兴·温莎小镇 15#楼框剪结构住宅楼,地上 11 层,建筑高度为 33.40米。外墙外保温材料为 35 厚膨胀玻化微珠砂浆,膨胀玻化微珠保温砂浆的燃烧性能等级为 A 级,干密度为 270、导热系数为 0.07。AOFtp9S。hD4inw3。二、施工准备 1、机具准备 (1)、在进行保温施工前,按工作量的大小,进场工人的数量安装好容积约 300L 砂浆搅拌机,按现场平面布置搭设搅拌机棚,接通水电调试正常,搅拌棚的地点应选择背风向。靠近垂直运输机械。搅拌棚三侧封闭,一侧作为进出料通道,应有顶棚,地面应平整坚实。9hbXbRI。E9CDBnk。 (2)、施工用双排脚手架搭设牢固,步距合理,满铺架板,小横杆距墙面15cm,架子整体验收合格,垂直运输机械安装验收完毕。V1s8iHO。JHTgsQy。 (3)、常用工具准备铁抹子:保温浆料施工宜使用抹子面积较大的矩形抹子。阳角抹子,阴角抹子:保温浆料施工宜用塑料材质,抗裂砂浆宜用钢材质、托灰板、杠尺:铝合金杠尺长度 2-2.5m 和长度 1.5m 两种、木靠尺 2-3m 单面为八字尺、2 寸猪鬃刷、方头铁锹、孔径 2.5-3.0mm 筛子、手推车、木方尺:单边长不小于 15cm。Hm5QO4N。0cgKDKS。 (4)、常用的检测工具:经纬仪及放线工具、2m 托线板/杠尺、方尺、水平尺、探针、钢尺等。手锤,橡皮锤。kERFrqy。HrXzg4p。 三、外墙外保温施工工艺做法 (一)、玻化微珠无机保温浆料外墙外保温系统构成 (1)基层防水砂浆(2)保温砂浆层(3)抗裂砂浆层压入耐碱网格布 (4)防水腻子层和饰面层组成。其构造见图: 1k2pTTB。Mmp51z1。 (二)、保温砂浆外墙外保温系统的施工方法 1 、施工程序:玻化微珠保温砂浆外墙外保温系统施工流程(见图1) 2、施工: 2.1、墙体基层处理,外墙面应按法律规范要求进行找平处理。 2.2、保温抹灰施工前应在墙面做好施工厚度标志,应按下列步骤进行...

1、当您付费下载文档后,您只拥有了使用权限,并不意味着购买了版权,文档只能用于自身使用,不得用于其他商业用途(如 [转卖]进行直接盈利或[编辑后售卖]进行间接盈利)。
2、本站所有内容均由合作方或网友上传,本站不对文档的完整性、权威性及其观点立场正确性做任何保证或承诺!文档内容仅供研究参考,付费前请自行鉴别。
3、如文档内容存在违规,或者侵犯商业秘密、侵犯著作权等,请点击“违规举报”。

碎片内容

墙体节能工程施工岗前培训记录

您可能关注的文档

确认删除?
VIP
微信客服
  • 扫码咨询
会员Q群
  • 会员专属群点击这里加入QQ群
客服邮箱
回到顶部