电脑桌面
添加小米粒文库到电脑桌面
安装后可以在桌面快捷访问

多种支护方式在深基坑中的应用

多种支护方式在深基坑中的应用_第1页
1/19
多种支护方式在深基坑中的应用_第2页
2/19
多种支护方式在深基坑中的应用_第3页
3/19
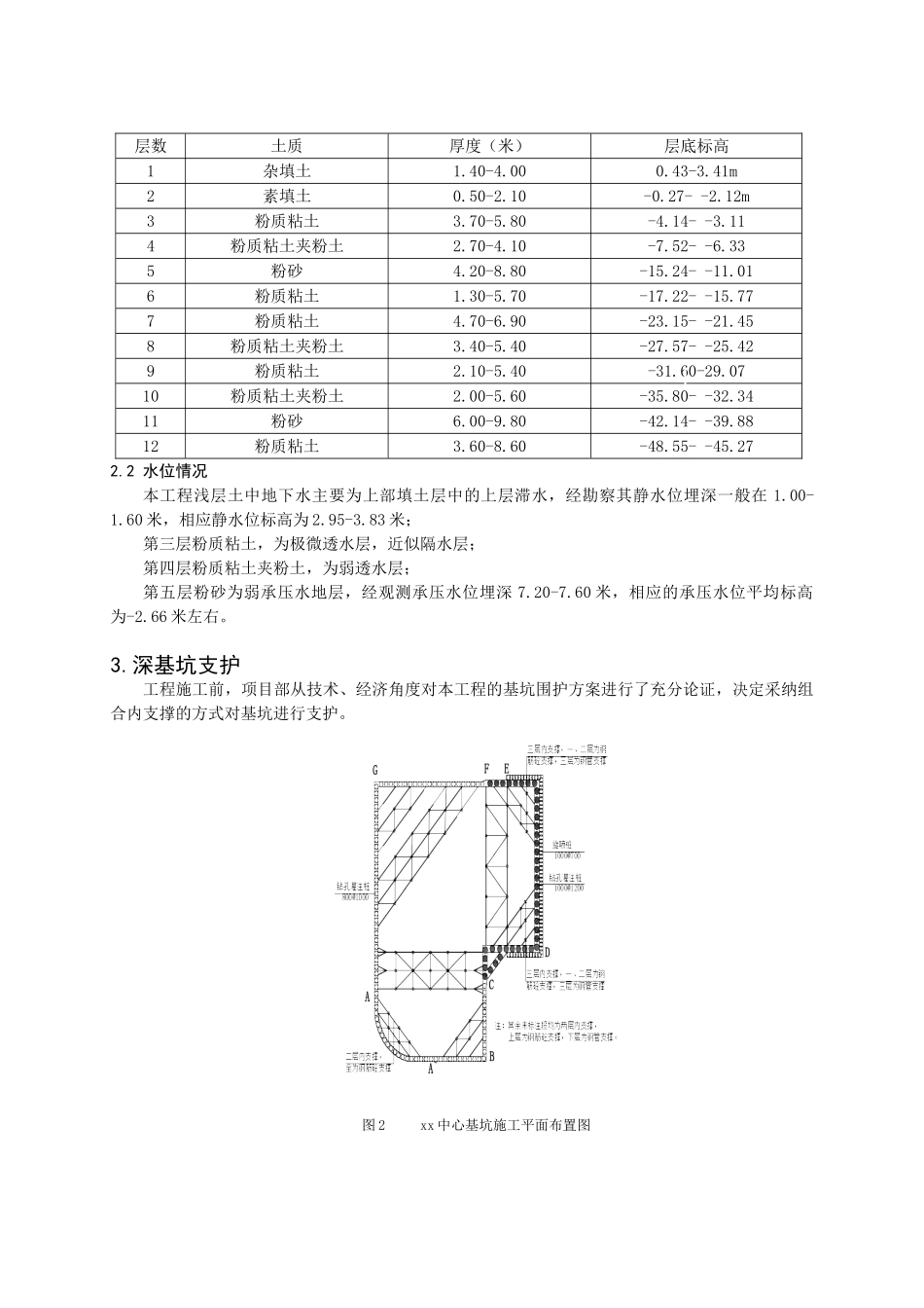
多种支护方式在深基坑中的应用 1.工程概况xx 市 xx 中心工程位于 xx 市最繁华的商业金融中心 xx 街上,建设中的 xx 大街地下通道,将xx 广场与 xx 中心连为一体。该工程建筑面积 66516㎡,建筑高度 33.0 m,采纳桩筏基础,框架结构,地下三层,为停车场,地上由东侧酒店式公寓和西侧的商铺两部分组成,酒店式公寓十一层,商铺七层,采纳过街楼连为一体。本工程基坑施工具有以下特点:①基坑面积大,基坑南北长约 110m,东西长约 70-110m,开挖总面积达 8000㎡左右;②基坑开挖深度大,基坑底标高-13.7m(自然地坪标高-0.30m),开挖深度达 13.4m,局部达到 17.6m;③施工场地狭小,基坑四周紧邻建筑物、城市主干道和地下重要电缆、管线和建筑红线等,如图一所示:图 1 xx 中心基坑平面及临近建筑物关系图基坑东 侧 :北段距 离两幢2-3层住宅 楼4.55-9.85m;南段距离 3 幢 2-3 层住宅楼 6.10-7.55m,住宅楼采纳天然地基,埋深约 1.5m;基坑南侧:距 xx 街用地红线约 6.20-8.20m,距离路边边线约 11.50m;基坑东南角:距离 3 层楼房约 13.0m,距离 xx 道路边线 5.7-6.4m;基坑西侧:距离 xx 大街(路下埋有路灯电缆、通讯电缆等管线)用地红线 7.0m,距道路边线10.0m;基坑北侧:距离 xx 街用地红线 5.10-5.70m。2.工程地质及水位情况2.1 地质情况本工程场地位于老城区中心地段,地貌单元隶属太湖冲积平原虞西高亢平原亚区,地貌单一,主要沉积地层为第四系河流冲积的粘(砂)性土层。岩土层自上至下分述如下表: 土层分布情况 表 1层数土质厚度(米)层底标高1杂填土1.40-4.000.43-3.41m2素填土0.50-2.10-0.27- -2.12m3粉质粘土3.70-5.80-4.14- -3.114粉质粘土夹粉土2.70-4.10-7.52- -6.335粉砂4.20-8.80-15.24- -11.016粉质粘土1.30-5.70-17.22- -15.777粉质粘土4.70-6.90-23.15- -21.458粉质粘土夹粉土3.40-5.40-27.57- -25.429粉质粘土2.10-5.40-31.60-29.0710粉质粘土夹粉土2.00-5.60-35.80- -32.3411粉砂6.00-9.80-42.14- -39.8812粉质粘土3.60-8.60-48.55- -45.272.2 水位情况本工程浅层土中地下水主要为上部填土层中的上层滞水,经勘察其静水位埋深一般在 1.00-1.60 米,相应静水位标高为 2.95-3.83 米;第三层粉质粘土,为极微透水层,近似隔水层;第四层粉质粘土夹粉土,为弱透水层;第五层粉砂为弱承压水地层,经观测承压水位埋深 7.20-7.60 米,相应的承压水位平均标...

1、当您付费下载文档后,您只拥有了使用权限,并不意味着购买了版权,文档只能用于自身使用,不得用于其他商业用途(如 [转卖]进行直接盈利或[编辑后售卖]进行间接盈利)。
2、本站所有内容均由合作方或网友上传,本站不对文档的完整性、权威性及其观点立场正确性做任何保证或承诺!文档内容仅供研究参考,付费前请自行鉴别。
3、如文档内容存在违规,或者侵犯商业秘密、侵犯著作权等,请点击“违规举报”。

碎片内容

多种支护方式在深基坑中的应用

您可能关注的文档

确认删除?
VIP
微信客服
  • 扫码咨询
会员Q群
  • 会员专属群点击这里加入QQ群
客服邮箱
回到顶部