电脑桌面
添加小米粒文库到电脑桌面
安装后可以在桌面快捷访问

挡土墙、防护及其他砌石工程

挡土墙、防护及其他砌石工程_第1页
1/6
挡土墙、防护及其他砌石工程_第2页
2/6
挡土墙、防护及其他砌石工程_第3页
3/6
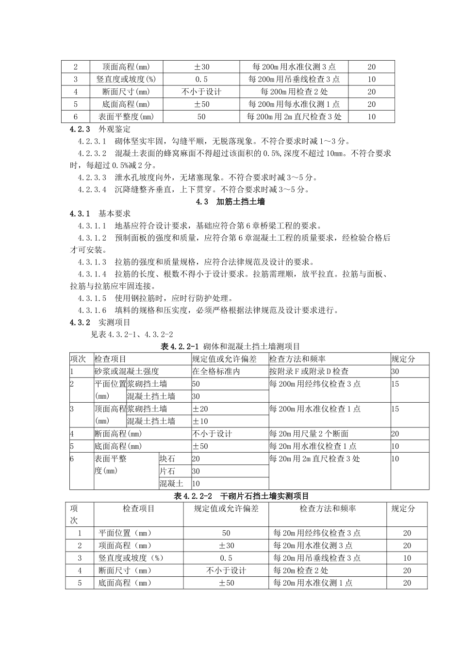
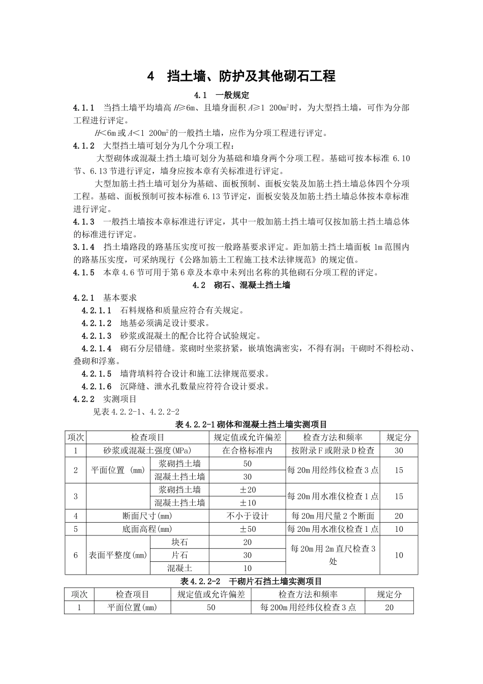
4 挡土墙、防护及其他砌石工程 4.1 一般规定4.1.1 当挡土墙平均墙高 H≥6m、且墙身面积 A≥1 200m2时,为大型挡土墙,可作为分部工程进行评定。 H<6m 或 A<1 200m2的一般挡土墙,应作为分项工程进行评定。4.1.2 大型挡土墙可划分为几个分项工程:大型砌体或混凝土挡土墙可划分为基础和墙身两个分项工程。基础可按本标准 6.10节、6.13 节进行评定,墙身应按本章有关标准进行评定。 大型加筋土挡土墙可划分为基础、面板预制、面板安装及加筋土挡土墙总体四个分项工程。基础、面板预制可按本标准 6.13 节评定,面板安装及加筋土挡土墙总体按本章标准进行评定。4.1.3 一般挡土墙按本章标准进行评定,其中一般加筋土挡土墙可仅按加筋土挡土墙总体的标准进行评定。3.1.4 挡土墙路段的路基压实度可按一般路基要求评定。距加筋土挡土墙面板 1m 范围内的路基压实度,可采纳现行《公路加筋土工程施工技术法律规范》的规定值。4.1.5 本章 4.6 节可用于第 6 章及本章中未列出名称的其他砌石分项工程的评定。4.2 砌石、混凝土挡土墙4.2.1 基本要求4.2.1.1 石料规格和质量应符合有关规定。4.2.1.2 地基必须满足设计要求。4.2.1.3 砂浆或混凝土的配合比符合试验规定。4.2.1.4 砌石分层错缝。浆砌时坐浆挤紧,嵌填饱满密实,不得有洞;干砌时不得松动、叠砌和浮塞。4.2.1.5 墙背填料符合设计和施工法律规范要求。4.2.1.6 沉降缝、泄水孔数量应符符合设计要求。4.2.2 实测项目见表 4.2.2-1、4.2.2-2表 4.2.2-1 砌体和混凝土挡土墙实测项目项次检查项目规定值或允许偏差检查方法和频率规定分1砂浆或混凝土强度(MPa)在合格标准内按附录 F 或附录 D 检查302平面位置 (mm)浆砌挡土墙50每 20m 用经纬仪检查 3 点15混凝土挡土墙303浆砌挡土墙±20每 20m 用水准仪检查 1 点15混凝土挡土墙±104断面尺寸(mm)不小于设计每 20m 用尺量 2 个断面205底面高程(mm)±50每 20m 用水准仪检查 1 点106表面平整度(mm)块石20每 20m 用 2m 直尺检查 3处10片石30混凝土10表 4.2.2-2 干砌片石挡土墙实测项目项次检查项目规定值或允许偏差检查方法和频率规定分1平面位置(mm)50每 200m 用经纬仪检查 3 点202顶面高程(mm)±30每 200m 用水准仪测 3 点203竖直度或坡度(%)0.5每 200m 用吊垂线检查 3 点104断面尺寸(mm)不小于设计每 200m 用检查 2 处205底面高程(mm)±50每 200m 用每水准仪测 1 点206...

1、当您付费下载文档后,您只拥有了使用权限,并不意味着购买了版权,文档只能用于自身使用,不得用于其他商业用途(如 [转卖]进行直接盈利或[编辑后售卖]进行间接盈利)。
2、本站所有内容均由合作方或网友上传,本站不对文档的完整性、权威性及其观点立场正确性做任何保证或承诺!文档内容仅供研究参考,付费前请自行鉴别。
3、如文档内容存在违规,或者侵犯商业秘密、侵犯著作权等,请点击“违规举报”。

碎片内容

挡土墙、防护及其他砌石工程

您可能关注的文档

确认删除?
VIP
微信客服
  • 扫码咨询
会员Q群
  • 会员专属群点击这里加入QQ群
客服邮箱
回到顶部