电脑桌面
添加小米粒文库到电脑桌面
安装后可以在桌面快捷访问

新式电缆桥架弯头的制作安装

新式电缆桥架弯头的制作安装_第1页
1/15
新式电缆桥架弯头的制作安装_第2页
2/15
新式电缆桥架弯头的制作安装_第3页
3/15
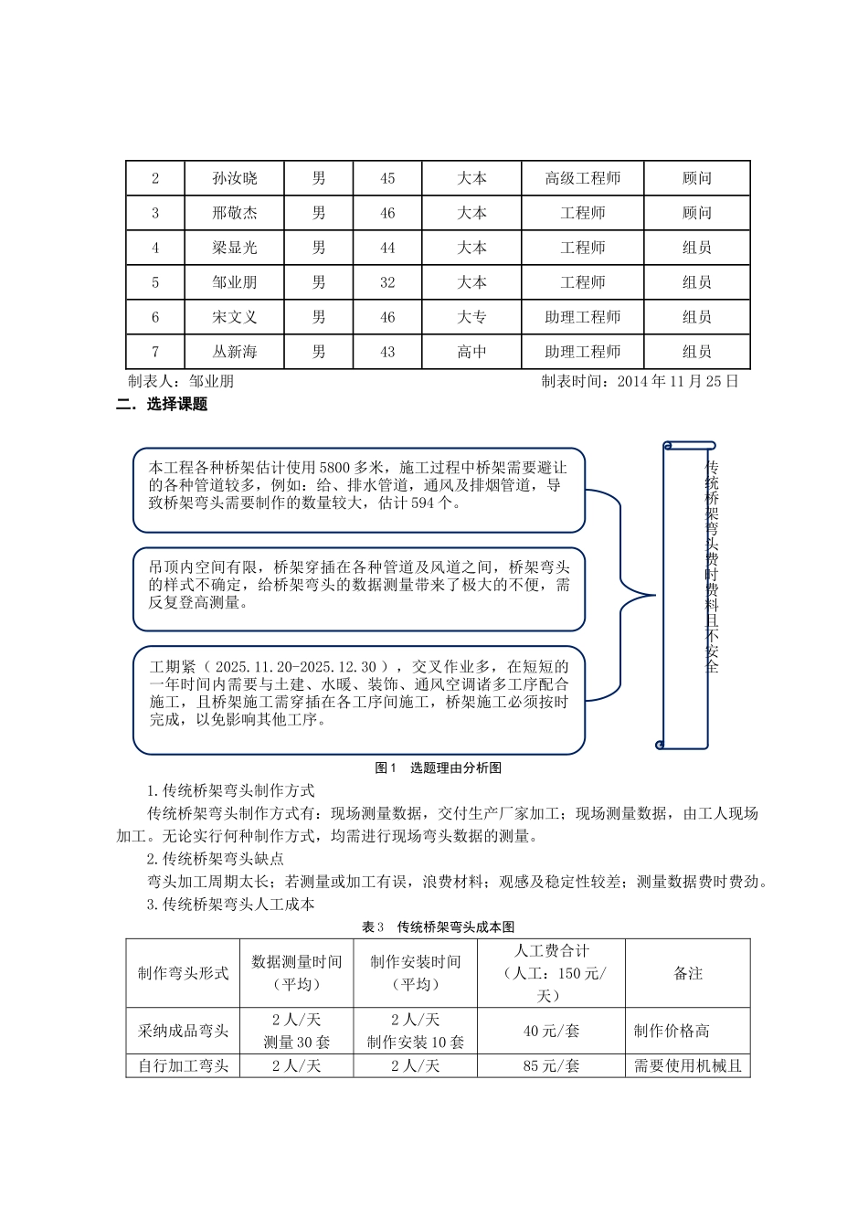
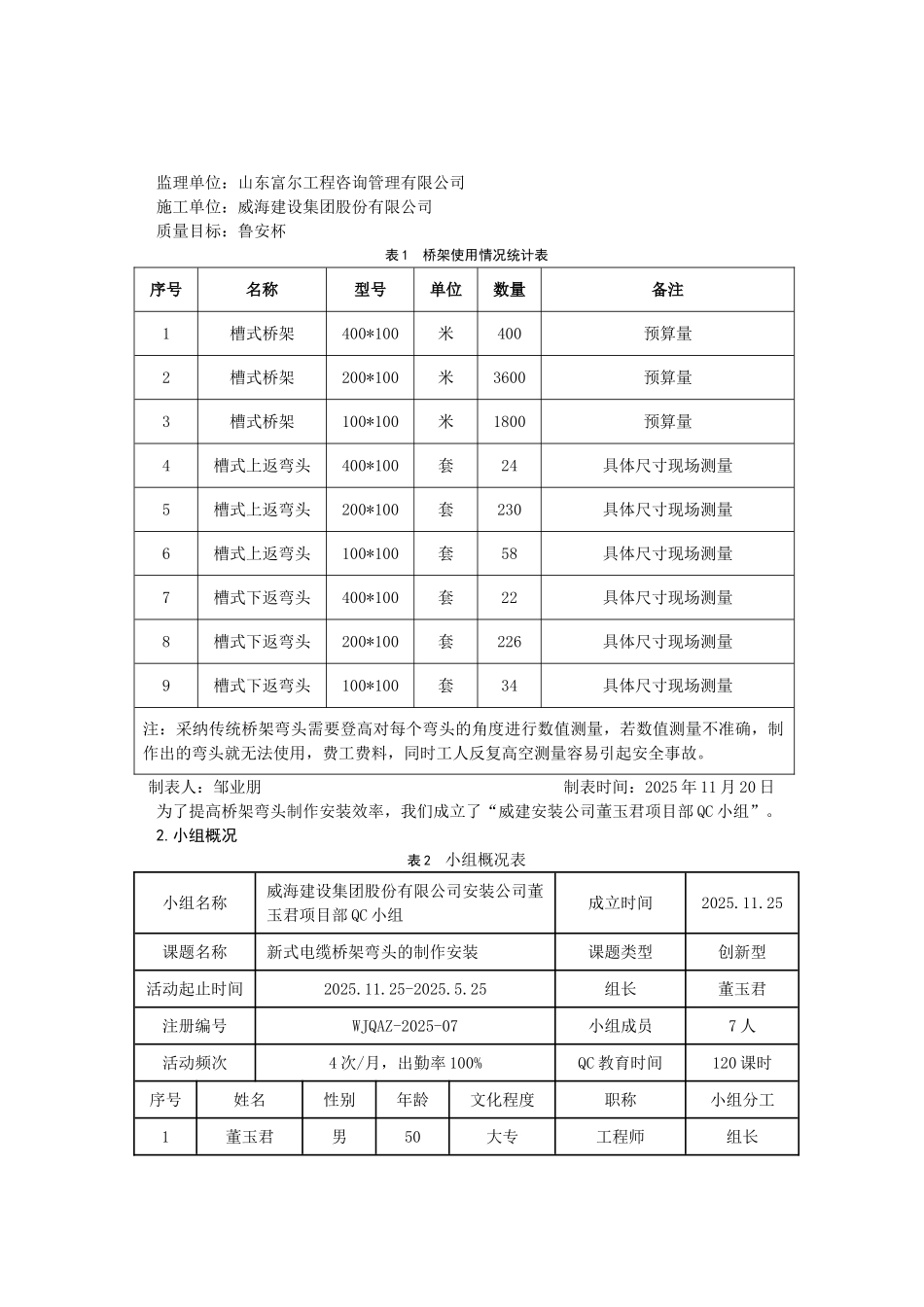
新式电缆桥架弯头的制作安装威海建设集团股份有限公司安装公司董玉君项目部 QC 小组新式电缆桥架弯头的制作安装威海建设集团股份有限公司安装公司董玉君项目部 QC 小组一.基本概况1.工程概况工程名称:威海经区海大老年康复中心改造加固工程工程地址:威海经区凤林中学对面,原凤林老年公寓 1#楼建筑功能:老年康复中心建筑面积:28154.9 平方米层 数:地上十四层,地下一层总 高 度:50.25 米建设单位:威海经区老年康复中心设计单位:威海市建筑设计院有限公司监理单位:山东富尔工程咨询管理有限公司施工单位:威海建设集团股份有限公司质量目标:鲁安杯表 1 桥架使用情况统计表序号名称型号单位数量备注1槽式桥架400*100米400预算量2槽式桥架200*100米3600预算量3槽式桥架100*100米1800预算量4槽式上返弯头400*100套24具体尺寸现场测量5槽式上返弯头200*100套230具体尺寸现场测量6槽式上返弯头100*100套58具体尺寸现场测量7槽式下返弯头400*100套22具体尺寸现场测量8槽式下返弯头200*100套226具体尺寸现场测量9槽式下返弯头100*100套34具体尺寸现场测量注:采纳传统桥架弯头需要登高对每个弯头的角度进行数值测量,若数值测量不准确,制作出的弯头就无法使用,费工费料,同时工人反复高空测量容易引起安全事故。制表人:邹业朋 制表时间:2025 年 11 月 20 日为了提高桥架弯头制作安装效率,我们成立了“威建安装公司董玉君项目部 QC 小组”。2.小组概况表 2 小组概况表小组名称威海建设集团股份有限公司安装公司董玉君项目部 QC 小组成立时间2025.11.25课题名称新式电缆桥架弯头的制作安装课题类型创新型活动起止时间2025.11.25-2025.5.25组长董玉君注册编号WJQAZ-2025-07小组成员7 人活动频次4 次/月,出勤率 100%QC 教育时间120 课时序号姓名性别年龄文化程度职称小组分工1董玉君男50大专工程师组长2孙汝晓男45大本高级工程师顾问3邢敬杰男46大本工程师顾问4梁显光男44大本工程师组员5邹业朋男32大本工程师组员6宋文义男46大专助理工程师组员7丛新海男43高中助理工程师组员 制表人:邹业朋 制表时间:2014 年 11 月 25 日二.选择课题图 1 选题理由分析图1.传统桥架弯头制作方式传统桥架弯头制作方式有:现场测量数据,交付生产厂家加工;现场测量数据,由工人现场加工。无论实行何种制作方式,均需进行现场弯头数据的测量。2.传统桥架弯头缺点弯头加工周期太长;若测量或加工有误,浪费材料;观感...

1、当您付费下载文档后,您只拥有了使用权限,并不意味着购买了版权,文档只能用于自身使用,不得用于其他商业用途(如 [转卖]进行直接盈利或[编辑后售卖]进行间接盈利)。
2、本站所有内容均由合作方或网友上传,本站不对文档的完整性、权威性及其观点立场正确性做任何保证或承诺!文档内容仅供研究参考,付费前请自行鉴别。
3、如文档内容存在违规,或者侵犯商业秘密、侵犯著作权等,请点击“违规举报”。

碎片内容

新式电缆桥架弯头的制作安装

您可能关注的文档

领读文化+ 关注
实名认证
内容提供者

传播文化,铸就未来

确认删除?
VIP
微信客服
  • 扫码咨询
会员Q群
  • 会员专属群点击这里加入QQ群
客服邮箱
回到顶部