电脑桌面
添加小米粒文库到电脑桌面
安装后可以在桌面快捷访问

某产业园入口绿化施工组织设计VIP专享

某产业园入口绿化施工组织设计_第1页
1/13
某产业园入口绿化施工组织设计_第2页
2/13
某产业园入口绿化施工组织设计_第3页
3/13
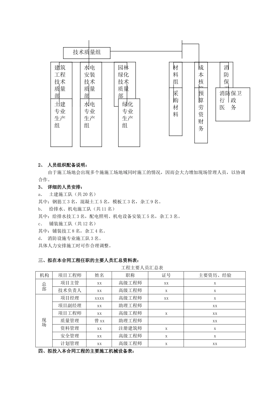
某产业园入口绿化施工组织设计一、工程概况工程地处 xxx 园内,根据施工合同,工程内容有土建、水电、绿化部分,具体情况见下表:一、工程内容表:二施工方案2、 施工方案:(1)、施工顺序:为缩短工期,采纳流水交叉作业,把园建、水电有机地结合在一起。(2)、平面布置图:其平面布置详见:(附施工平面布置图 1.2)。二、拟为承包本合同工程设立的组织机构图:1、组织机构:A.施工组织管理网络图:序号项 目名 称1、工程名称xxxx 产业园入口绿化2、工程地点xxxx3、建设单位广州 xxx 有限公司4、设计单位广州市 xxx 设计院6、施工单位广东 xxx 工程有限公司7、工程内容园建、水电、绿化8、工程总造价xxxx 元9、占地面积约 2000M211、计划工期28 天12、开工时间xx 年 x 月 xx 日项目经理项目工程师项目副经理2、 人员组织配备说明: 由于施工场地会出现多个施施工场地域同时施工的情况,因而会大力增加现场管理人员,以协调合作。3、 详细的人员安排:a. 土建施工队(共 20 名)其中:钢筋工 3 名,混凝土工 5 名,模板工 3 名,杂工 9 名。b. 给排水、机电施工队(共 11 名)其中:给排水技工 3 名,配电照明、机电设备安装工 5 名,杂工 3 名。c. 铺装施工队(共 12 名)其中:铺装技工 8 名,杂工 4 名。d. 消防设施专业施工队 3 名。具体人力安排施工时可作合理调整。三、拟在本合同工程任职的主要人员汇总资料表:工程主要人员汇总表机构项目工程师姓名职称证号主要资历、经验总部项目主管xx高级工程师xxx技术负责人xx高级工程师xx现场项目经理xxxx高级工程师xxx项目副经理xx助理工程师xx项目工程师xx高级工程师xxx质量管理曾 xx助理工程师xx资料管理xx注册建筑师xx安全管理xx高级工程师xx计划管理xx高级工程师xxx四、拟投入本合同工程的主要施工机械设备表:技术质量组建筑工程技术质量部水电安装技术质量部园林绿化技术质量部材料组成本核算消防保卫土建专业生产组水电专业生产组采购材料预算劳资财务消防保卫行 政医 务绿化专业生产组施工中使用的机械设备及有关材料:机械设备材料表序号机械设备材料名称型号规格国别产地数量租借自有1砼搅拌机J1-800广州1152电焊机BX1-315广州33手提切割机M5109广州1154吊车QY25B北京115铲运机CL7郑州116空气压缩机YV9/7柳州137发电机移动 180上海128洒水车SC-4170洛阳19水泥标准稠度仪无锡110沸煮箱F2-31A无锡111砂浆稠度仪 SG145无...

1、当您付费下载文档后,您只拥有了使用权限,并不意味着购买了版权,文档只能用于自身使用,不得用于其他商业用途(如 [转卖]进行直接盈利或[编辑后售卖]进行间接盈利)。
2、本站所有内容均由合作方或网友上传,本站不对文档的完整性、权威性及其观点立场正确性做任何保证或承诺!文档内容仅供研究参考,付费前请自行鉴别。
3、如文档内容存在违规,或者侵犯商业秘密、侵犯著作权等,请点击“违规举报”。

碎片内容

某产业园入口绿化施工组织设计

确认删除?
VIP
微信客服
  • 扫码咨询
会员Q群
  • 会员专属群点击这里加入QQ群
客服邮箱
回到顶部