电脑桌面
添加小米粒文库到电脑桌面
安装后可以在桌面快捷访问

河北某制药厂2万平米钢结构厂房施工组织设计

河北某制药厂2万平米钢结构厂房施工组织设计_第1页
1/40
河北某制药厂2万平米钢结构厂房施工组织设计_第2页
2/40
河北某制药厂2万平米钢结构厂房施工组织设计_第3页
3/40
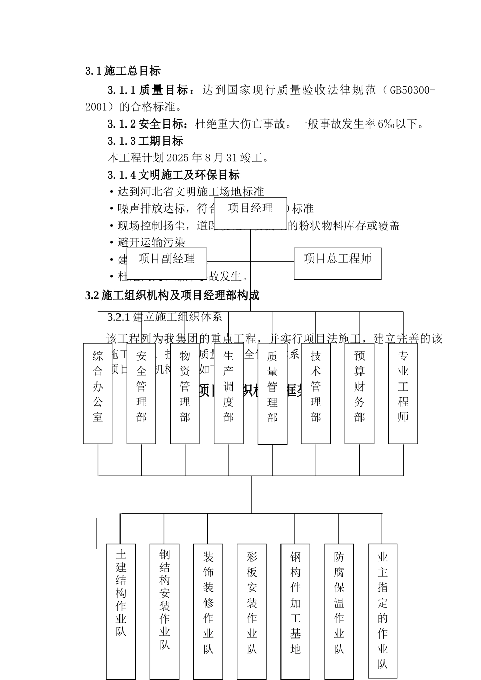
1.编制说明及依据1.1 编制说明 河北**药业综合制剂车间工程建设单位为河北**药业有限公司。根据有关资料及该工程特点,结合我集团同类工程施工经验及技术设备情况,编制本工程施工组织设计。本设计重点施工组织、施工部署及平面布置、施工进度、主要分部分项工程施工方案、施工人员机具使用计划以及保证工期、质量、安全文明施工的技术措施以及工程总承包的管理措施。1.2 编制依据 1.2.1 河北**药业综合制剂车间工程招标文件。 1.2.2 河北**药业综合制剂车间工程有关图纸和技术资料。 1.2.3 招标文件中要求必须遵照执行的现行技术标准和法律规范、规程、图集。1.2.4 我集团公司《QEHSMS 管理手册》、企业标准、企业工法。1.2.5 我集团公司同类工程施工经验及成果、现场实际勘察情况。2.工程概况2.1 工程简介:河北**药业有限公司新建工程轻钢结构工程位于保定**区**科技园区内。该项目建筑规模:21000 平方米,单层。主厂房为门式钢架结构(局部砖混),彩色压型钢板围护;基础为混凝土独立基础。合理使用年限 50 年,建筑耐火等级二级,屋面防水按 III 级设防。2.2 工程特点和难点2.2.1 本工程的特点本工程建设规模较大,涉及的工种工序及结构形式比较繁杂,其中主厂房为轻钢结构,围护及装修作法较多。2.3.2 本工程的难点上面已经提到本工程施工工种和工序较多,钢结构制作,测量放线和地脚螺栓埋设的精度是非常重要的,直接影响到施工质量和进度。在钢结构和混凝土框架交差施工部位,要合理安排施工方法和施工工序,作到即保证施工质量又不影响施工工期。3、施工总体部署及施工总平面布置图3.1 施工总目标3.1.1 质量目标:达到国家现行质量验收法律规范( GB50300-2001)的合格标准。3.1.2 安全目标:杜绝重大伤亡事故。一般事故发生率 6‰以下。3.1.3 工期目标本工程计划 2025 年 8 月 31 竣工。3.1.4 文明施工及环保目标·达到河北省文明施工场地标准·噪声排放达标,符合 GB12523-1990 标准·现场控制扬尘,道路硬化,易扬尘的粉状物料库存或覆盖·避开运输污染·建筑垃圾分类管理·杜绝火灾、爆炸事故发生。3.2 施工组织机构及项目经理部构成3.2.1 建立施工组织体系该工程列为我集团的重点工程,并实行项目法施工,建立完善的该项目施工生产、技术、质量、安全保证体系。项目组织机构框图如下:项目组织机构框架图项目经理项目副经理项目总工程师综合办公室安全管理部物资管理部生产调度部专业工程师...

1、当您付费下载文档后,您只拥有了使用权限,并不意味着购买了版权,文档只能用于自身使用,不得用于其他商业用途(如 [转卖]进行直接盈利或[编辑后售卖]进行间接盈利)。
2、本站所有内容均由合作方或网友上传,本站不对文档的完整性、权威性及其观点立场正确性做任何保证或承诺!文档内容仅供研究参考,付费前请自行鉴别。
3、如文档内容存在违规,或者侵犯商业秘密、侵犯著作权等,请点击“违规举报”。

碎片内容

河北某制药厂2万平米钢结构厂房施工组织设计

您可能关注的文档

确认删除?
VIP
微信客服
  • 扫码咨询
会员Q群
  • 会员专属群点击这里加入QQ群
客服邮箱
回到顶部