电脑桌面
添加小米粒文库到电脑桌面
安装后可以在桌面快捷访问

泵站双向流道闸门电气控制设计

泵站双向流道闸门电气控制设计_第1页
1/7
泵站双向流道闸门电气控制设计_第2页
2/7
泵站双向流道闸门电气控制设计_第3页
3/7
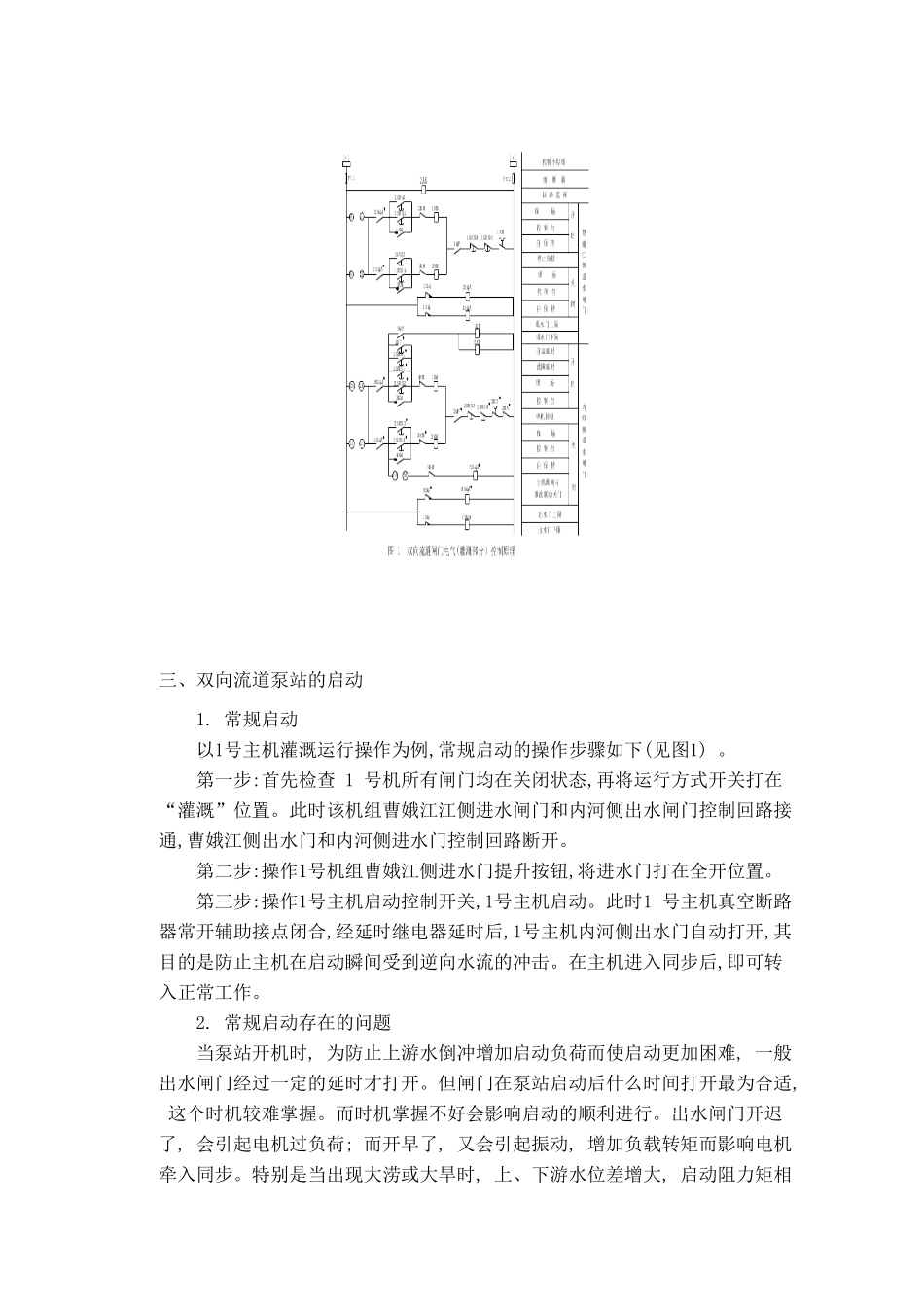
摘要:***市***泵站,阐述了双向流道泵站的机组启动及运行转换时的闸门电气控制方式。提出了平水位启动闸门的概念,着重分析了双向流道泵站启动时闸门的不同控制方式和机组在连续运行中,如何采纳控制闸门的办法来避开负扬程这一不利情况。关键词 ***泵站 双向流道 闸门控制 平水位启动 引言:由于***内河水位与***下游水位相差不大, 因此,要求建在靠近***的泵站既能灌溉又能排涝。为了节约投资, 双向流道的泵站局年建成。目前,***内已建和在建的双向流道泵站已有2 座, 因此, 有必要对双向流道泵站的运行, 特别是在某些暂态下过程控制操作作进一步的分析讨论。一、泵站概况***泵站是***内河排灌枢纽联接曹娥江的控制工程, 也是***市重点工程。具有灌溉、排涝和泄流、引水及改善***内河水环境等综合功能。泵站设计流量45m3/s ,设计扬程:排涝时1.50m ,灌溉时1.20m。共3台机组,单机流量15m3/s。采纳ZLB 1000 立式轴流泵。主电机采纳TL900120/145 立式同步电动机,额定转速150r/min。***泵站是***第一座已建双向流道泵站,流道的特点为双向进水, 开敞式矩形出水。两组流道按上下两层分布, 呈“ ×”形。每台机组设2 道进水闸门(***江侧和内河侧各一道) 和2 道快速出水闸门(***江侧和内河侧各一道) 。通过控制闸门开启和关闭的不同组合,达到灌溉、排涝和泄流、引水的目的。二、双向流道闸门的控制由于双向泵站既能灌溉, 又能排涝, 而且还能自引自排, 因此目前正在得到大力推广。当泵站采纳双向流道时, 闸门较多, 因而增加了控制的难度。根据泵站的不同运行方式, 闸门有不同控制要求。有时闸门需要独立操作控制(如灌溉时打开***江侧进水闸门) , 有时又需要联动控制(如灌溉时自动打开内河侧出水闸门) , 而有时还要紧急强行控制(如停机时出水闸门不能自动关闭时) 。为了实现闸门的各种不同控制要求, 设计***泵站闸门的控制线路 (以灌溉为例) 如图1 所示。三、双向流道泵站的启动1. 常规启动以1号主机灌溉运行操作为例,常规启动的操作步骤如下(见图1) 。第一步:首先检查 1 号机所有闸门均在关闭状态,再将运行方式开关打在“灌溉”位置。此时该机组曹娥江江侧进水闸门和内河侧出水闸门控制回路接通,曹娥江侧出水门和内河侧进水门控制回路断开。第二步:操作1号机组曹娥江侧进水门提升按钮,将进水门打在全开位置。第三步:操作1号主机启动控制开关,1号主机启动。此时1 号主机真空断路器常开辅助接点闭合,经延时继电器延...

1、当您付费下载文档后,您只拥有了使用权限,并不意味着购买了版权,文档只能用于自身使用,不得用于其他商业用途(如 [转卖]进行直接盈利或[编辑后售卖]进行间接盈利)。
2、本站所有内容均由合作方或网友上传,本站不对文档的完整性、权威性及其观点立场正确性做任何保证或承诺!文档内容仅供研究参考,付费前请自行鉴别。
3、如文档内容存在违规,或者侵犯商业秘密、侵犯著作权等,请点击“违规举报”。

碎片内容

泵站双向流道闸门电气控制设计

您可能关注的文档

确认删除?
VIP
微信客服
  • 扫码咨询
会员Q群
  • 会员专属群点击这里加入QQ群
客服邮箱
回到顶部